Sì, allora va bene.
Salvo raccomandare di rimettere il preamp come da schema originale,
non vedo altre possibili modifiche.
VU meter a LED
Moderatore:
IsidoroKZ
0
voti
[92] Re: VU meter a LED
Attualmente mi trovo con la configurazione :
resistenza collettore 3,9k
resistenza base emettitore 22k
con il moltiplicatore di tensione.
Se torno alla condizione iniziale non funziona.
Mi puoi solo chiarire perché se elimino il moltiplicatore e torno allo stato di partenza (senza moltiplicatore,ma di solo preamp e 3915) i led si illuminano anche a diversi metri di distanza?
Grazie mille
resistenza collettore 3,9k
resistenza base emettitore 22k
con il moltiplicatore di tensione.
Se torno alla condizione iniziale non funziona.
Mi puoi solo chiarire perché se elimino il moltiplicatore e torno allo stato di partenza (senza moltiplicatore,ma di solo preamp e 3915) i led si illuminano anche a diversi metri di distanza?
Grazie mille
-

elettrokimbo
22 1 4 - Frequentatore

- Messaggi: 156
- Iscritto il: 7 dic 2011, 23:45
1
voti
[93] Re: VU meter a LED
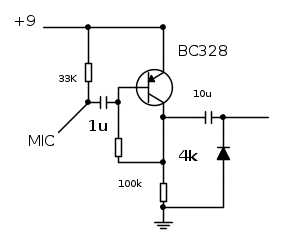
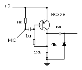
elettrokimbo ha scritto:resistenza collettore 3,9k
resistenza base emettitore 22k
Il circuito originale è
questo
In Internet ci sono innumerevoli riferimento a questo circuito:
non è possibile che non funzioni...
0
voti
[94] Re: VU meter a LED
No,ma quando dico che non funziona,mi riferisco sempre al fattore di vicinanza al mic.
A suo tempo mi consigliasti di mettere in collettore 3.3k,ma non cambia molto.
Volevo un consiglio,se potevi, su come dimensionare o cosa cambiare al fine di potermi allontanare dal mic.
Scusa ancora.
ciao
A suo tempo mi consigliasti di mettere in collettore 3.3k,ma non cambia molto.
Volevo un consiglio,se potevi, su come dimensionare o cosa cambiare al fine di potermi allontanare dal mic.
Scusa ancora.
ciao
-

elettrokimbo
22 1 4 - Frequentatore

- Messaggi: 156
- Iscritto il: 7 dic 2011, 23:45
1
voti
[95] Re: VU meter a LED
Non sono un esperto di microfoni, ma credo
che il tipo adottato (e il relativo preamp)
sia la causa quanto dici.
Puoi vedere qui e passo la parola
agli esperti del settore.
che il tipo adottato (e il relativo preamp)
sia la causa quanto dici.
Puoi vedere qui e passo la parola
agli esperti del settore.
0
voti
[96] Re: VU meter a LED
Per me il problema dovrebbe essere dato dalla scarsa amplificazione del segnale che ti obbliga a fornire un segnale molto ampio sul mic, conseguentemente la vicinanza a questo.
puoi mettere più stadi in cascata a BJT, ma ovvio che subentrano problemi di rumore, anche se nel tuo caso la semplice visualizzazione non dovrebbe risentirne troppo, guarda qua http://www.allaboutcircuits.com/worksheets/trouble_bjtamp.html
se provassi ad amplificare con un op? non avresti problemi di guadagno, e di impedenza, ed il rumore sarebbe ridotto.
puoi mettere più stadi in cascata a BJT, ma ovvio che subentrano problemi di rumore, anche se nel tuo caso la semplice visualizzazione non dovrebbe risentirne troppo, guarda qua http://www.allaboutcircuits.com/worksheets/trouble_bjtamp.html
se provassi ad amplificare con un op? non avresti problemi di guadagno, e di impedenza, ed il rumore sarebbe ridotto.
-

lelerelele
4.899 3 7 9 - Master

- Messaggi: 5505
- Iscritto il: 8 giu 2011, 8:57
- Località: Reggio Emilia
0
voti
[97] Re: VU meter a LED
ciao g. e grazie per gli aiuti che mi hai fornito.
Lele grazie anche a te per la risposta.
Ti volevo chiedere:se provassi a sostituire il transistor 2n3904 con un darlington?che ne pensi?
come ultima chance mi tengo quella dell'op.
Ciao e grazie
Lele grazie anche a te per la risposta.
Ti volevo chiedere:se provassi a sostituire il transistor 2n3904 con un darlington?che ne pensi?
come ultima chance mi tengo quella dell'op.
Ciao e grazie
-

elettrokimbo
22 1 4 - Frequentatore

- Messaggi: 156
- Iscritto il: 7 dic 2011, 23:45
0
voti
[98] Re: VU meter a LED
elettrokimbo ha scritto:Ti volevo chiedere:se provassi a sostituire il transistor 2n3904 con un darlington?che ne pensi?
Se ti riferisci allo schema del post [75], l'uso del darlinghton può avere un po di benefico, anche se non sarà molto,
a livello di prove, potresti intanto supporre di avere maggiore impedenza di ingresso sul mic e quindi portare la prima resistenza sul mic da 10K a 33K, 56K e valutarne i risultati,
poi potresti incrementare il valore del condensatore da 1uF prima del pot portarlo magari a 10, poi ridurre quello dopo il pot, da 1uF portarlo a 0.22, questo porterà una barra molto più ballerina, ma ti da un risultato che può essere indicativo di come migliorare il circuito.
personalmente avrei messo il transistor PNP con emettitore comune sul positivo, questo avrebbe incrementato notevolmente la corrente di uscita verso i condensatori, almeno sulla semionda positiva,(negativa in ingresso).
inoltre ritengo che potrebbe esserci un miglioramento inserendo un diodo dopo il condensatore 10u, in quanto nella semionda negativa lo stesso si scaricherebbe solamente sulla resistenza del pot da 10K.
prova e segnati i risultati.
-

lelerelele
4.899 3 7 9 - Master

- Messaggi: 5505
- Iscritto il: 8 giu 2011, 8:57
- Località: Reggio Emilia
Torna a Elettronica e spettacolo
Chi c’è in linea
Visitano il forum: Nessuno e 26 ospiti

Elettrotecnica e non solo (admin)
Un gatto tra gli elettroni (IsidoroKZ)
Esperienza e simulazioni (g.schgor)
Moleskine di un idraulico (RenzoDF)
Il Blog di ElectroYou (webmaster)
Idee microcontrollate (TardoFreak)
PICcoli grandi PICMicro (Paolino)
Il blog elettrico di carloc (carloc)
DirtEYblooog (dirtydeeds)
Di tutto... un po' (jordan20)
AK47 (lillo)
Esperienze elettroniche (marco438)
Telecomunicazioni musicali (clavicordo)
Automazione ed Elettronica (gustavo)
Direttive per la sicurezza (ErnestoCappelletti)
EYnfo dall'Alaska (mir)
Apriamo il quadro! (attilio)
H7-25 (asdf)
Passione Elettrica (massimob)
Elettroni a spasso (guidob)
Bloguerra (guerra)

