Cicalino cancello automatico
Moderatori:
carloc,
g.schgor,
BrunoValente,
IsidoroKZ
10 messaggi
• Pagina 1 di 1
0
voti
Salve, devo installare un cicalino sul lampeggiante del cancello automatico, che avvisa con un solo Bip di almeno un secondo (regolabile) ogni quando il cancello viene aperto. Pensavo a un circuito il ne555 come monostabile (oppure un condensatore tardando lo spegnimento del cicalino in uscita). Ma ho dubbio sul segnale di ingresso che però lo devo prendere in parallelo alla lampadina lampeggiante, che ad ogni apertura del cancello ne esce acceso/spento/acceso/spento e il cicalino emetterà bip bip per una manciata di secondi... volevo sapere se ci sono alternative per avere in uscita un solo impulso prelevando dagli impulsi del lampeggiante, in modo da emettere un solo BIP al cicalino? Magari qualcuno può darmi retta con uno schermino.
1
voti
La prima idea che viene è quella di mettere
2 monostabili 555. uno per temporizzare il cicalino,
l'altro per impedirne la ripartenza finché il cancello
non è aperto (cioè finché non smette il lampeggio)
2 monostabili 555. uno per temporizzare il cicalino,
l'altro per impedirne la ripartenza finché il cancello
non è aperto (cioè finché non smette il lampeggio)
0
voti
davemad ha scritto:alcune schede per cancello automatico hanno l'uscita in tensione di cancello in apertura o aperto. Di che marca è la scheda ?
Questa è la prima soluzione che mi sono posto all'inizio ma non ho modo di inserire altri cavi aggiuntivi dalla scheda al lampeggiante, l'unico modo è prelevare il segnale in parallelo alla lampadina lampeggiante.
g.schgor ha scritto:La prima idea che viene è quella di mettere
2 monostabili 555. uno per temporizzare il cicalino,
l'altro per impedirne la ripartenza finché il cancello
non è aperto (cioè finché non smette il lampeggio)
per favore mi puoi postare uno schemino?
2
voti
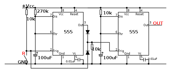
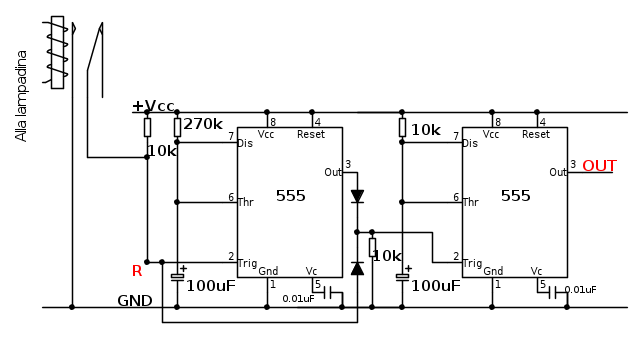
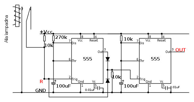
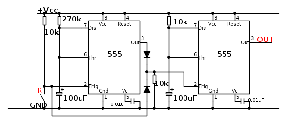
Ecco un possibile schema:
R è un contatto del relè in parallelo alla lampada
(si chiude quando questa lampeggia)
OUT è l'uscita che pilota il cicalino
R è un contatto del relè in parallelo alla lampada
(si chiude quando questa lampeggia)
OUT è l'uscita che pilota il cicalino
0
voti
Grazie g.schgor per lo schema.... mi sembra buono provo a crearlo.
Innanzitutto me ne sono accorto solo adesso verificando con il tester che il lampeggiante porta in uscita 220 V alternata, cosa strana non avevo mai visto in altri cancelli automatici e che per un pelo stavo prendendo la scossa... guardando il circuito il lampeggante è alimentato con il fase collegato a uno dei relè della centralina che funge da pulsante a frequenza da 1Hz al momento della apertura e chiusura del cancello.
La cosa diventa un po' complicata... mi viene che se monto un relè da 220 V in parallelo alla lampadina e i capi di condizione ai poli R dello schema, dovrebbe funzionare lo stesso? Oppure devo passare alla più complessa mettendo il trasformatore e ponti diodi?
Innanzitutto me ne sono accorto solo adesso verificando con il tester che il lampeggiante porta in uscita 220 V alternata, cosa strana non avevo mai visto in altri cancelli automatici e che per un pelo stavo prendendo la scossa... guardando il circuito il lampeggante è alimentato con il fase collegato a uno dei relè della centralina che funge da pulsante a frequenza da 1Hz al momento della apertura e chiusura del cancello.
La cosa diventa un po' complicata... mi viene che se monto un relè da 220 V in parallelo alla lampadina e i capi di condizione ai poli R dello schema, dovrebbe funzionare lo stesso? Oppure devo passare alla più complessa mettendo il trasformatore e ponti diodi?
0
voti
0
voti
max1971 ha scritto:......... ma non ho modo di inserire altri cavi aggiuntivi dalla scheda al lampeggiante, l'unico modo è prelevare il segnale in parallelo alla lampadina lampeggiante.
Perdonami, ma non capisco perché vuoi andare a mettere il cicalino vicino al lampeggiante; la scheda di comando penso sarà prossima al cancello, non puoi mettere il cicalino dove c'è la scheda? I cavi di comando del lampeggio penso partiranno dalla scheda, o no.
Un relé 230Vac penso vada bene, R è solo il contatto del relé, la bobina è indipendente e può essere alimentata come vuoi (entro le specifiche del relé). Resta il fatto che hai bisogno della tensione continua con cui alimentare il circuito con i due 555.
-

FedericoSibona
5.022 3 5 8 - Master

- Messaggi: 3951
- Iscritto il: 19 mar 2013, 11:43
0
voti
FedericoSibona ha scritto:Perdonami, ma non capisco perché vuoi andare a mettere il cicalino vicino al lampeggiante; la scheda di comando penso sarà prossima al cancello, non puoi mettere il cicalino dove c'è la scheda? I cavi di comando del lampeggio penso partiranno dalla scheda, o no.
perché la scheda si trova a circa 5 metri dal primo palo del cancello, se metto il cicalino sulla scheda è cosa facile ma non è udibile al portiere segnalare l'ingresso e l'uscita dei condomini. L'abitazione del portiere si trova a 2 metri dal secondo palo del cancello. Devo mettere il cicalino sopra sul lampeggiante perché udibile e più vicina tra i punti trovati. Non c'è modo di aggiungere altri cavi se non fisso delle canaline esterne. I cavi sono vecchi tipo quelli grigi che stanno dentro il cemento e che non hanno currugati.
1
voti
Sì, confermo che un relè in alternata va bene
(è stato messo proprio per svincolare la lampada dalla scheda dei 555)
Per il cicalino non dovrebbero esse
rci problemi a spostarlo (tutt'al più
si può sempre interporre un relè in continua).
Per l'alimentazione della scheda dei 555 consiglio
un'alimentazione a 9 o a 12Vcc.
(è stato messo proprio per svincolare la lampada dalla scheda dei 555)
Per il cicalino non dovrebbero esse
rci problemi a spostarlo (tutt'al più
si può sempre interporre un relè in continua).
Per l'alimentazione della scheda dei 555 consiglio
un'alimentazione a 9 o a 12Vcc.
10 messaggi
• Pagina 1 di 1
Chi c’è in linea
Visitano il forum: Nessuno e 86 ospiti

Elettrotecnica e non solo (admin)
Un gatto tra gli elettroni (IsidoroKZ)
Esperienza e simulazioni (g.schgor)
Moleskine di un idraulico (RenzoDF)
Il Blog di ElectroYou (webmaster)
Idee microcontrollate (TardoFreak)
PICcoli grandi PICMicro (Paolino)
Il blog elettrico di carloc (carloc)
DirtEYblooog (dirtydeeds)
Di tutto... un po' (jordan20)
AK47 (lillo)
Esperienze elettroniche (marco438)
Telecomunicazioni musicali (clavicordo)
Automazione ed Elettronica (gustavo)
Direttive per la sicurezza (ErnestoCappelletti)
EYnfo dall'Alaska (mir)
Apriamo il quadro! (attilio)
H7-25 (asdf)
Passione Elettrica (massimob)
Elettroni a spasso (guidob)
Bloguerra (guerra)





