Ciao a tutti,
Vi chiedo ancora una volta aiuto per il dimensionamento di alcuni componenti di alcuni pezzi di circuito che vi propongo qui sotto:
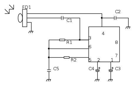
La prima parte del circuito vede l'utilizzo dell'integrato NE 567C che si allaccia ad una frequenza di 38KHz:
1) Che fotodiodo posso applicare?
2) Il filtro passivo passa alto composto da C1 e R1 lo devo calcolare per i 38KHz (frequenza ricevuta dal fotodiodo) o poco meno tipo 30KHz?
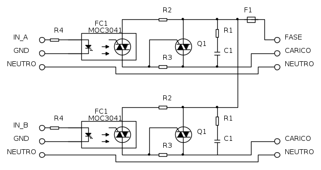
La seconda parte riguarda la parte di potenza che vede un fotocopiatore MOC3041 con la relativa parte di potenza di cui ho bisogno alcuni chiarimenti:
3) In base a quale IGT devo scegliere il triac? Il carico è fortemente induttivo, quindi un motore di una tapparella.
4) Le resistenze R1, R2, R3 che sono rispettivamente da 360, 330 e 360 ohm, da quanti watt devono mettere? 1/2 Watt può andare bene?
5) La resistenza Rin la calcolo con IF=60mA?
6) Il fusibile F1 di che corrente deve essere?
7) Durante la sbrogliatura del circuito stampato, le piste di rame che riguardano FASE, CARICO e NEUTRO di che grandezza devono essere?
Un grazie a tutti,
saluti
lcua31989
Dimensionamento circuito
Moderatori:
carloc,
g.schgor,
BrunoValente,
IsidoroKZ
6 messaggi
• Pagina 1 di 1
1
voti
Dove hai trovato quello schema ? Sembra errato: ad occhio R1 dovrebbe andare a massa non "rompere" nel circuito dell'oscillatore ...
E il fotodiodo ... ? Con 3 pin ? I fotodiodi ne hanno 2.
O è un modello schermato oppure mi sa tanto essere un ricevitore IR completo ...
1) Ma da dove hai pescato questo schema non è indicato il modello ?
2) in genere un filtro passabasso va calcolato sotto ma dipende da cosa vuoi ottenere, se filtrare un po' di luce ambientale, consideranso la scarsa l'attenuazione che porta un RC in quel circuito, funziona anche se fortemente fuori banda, alla peggio perdi unn po' di sensibilità.
3) la IGT non centra con il carico induttivo. Quella configurazione (triac e fototriac) è abbastanza di bocca buona e funziona un po' con tutto.
4) Quelle resistenze fanno funzioni completamente differenti. Per R1 dipende da C1, comuque con i valori classici di C1 = 47-100nF la potenza sarebbe piuttosto bassa ma è necessario sovradimensionare a causa delle spurie presenti in rete. Molto dipende anche dal tipo di resistenza. Consiglio una a filo da almeno 2-3W.
R2 ed R3 lavorano solo nella fase di innesco del triac, bastano di potenza piuttosto piccola, 1/4W basta e avanza
5) 60mA è il valore massimo, per l'innesco ne bastano 15mA.
6 e 7) Dipende dalla corrente del carico. Parli di tapparella quindi stimo 200W ovvero circa 1A. Quindi il fusibile basta da 2A. Per le piste il ragionamento si complica: per che lunghezza e per che spessore di rame ... ma sopratutto vuoi che resistano al corto ... e quindi occorre calcolare il tempo di intervento di F1
Infine; parli di tapparelle .... ma quello che definisci carico non sarammo mica le 2 fasi del motore ?
Se si occhio che gli avvolgimenti (marcia e avviamento) si comportano come autotrasformatore e quando accendi un triac nell'altro ti ritrovi una tensione ben piu alta di quella di rete ... = occhio alla tensione dei Triac ed i 400V del 3041 sono pelo-pelo !
Auguri.
Bye
Ser.Tom
E il fotodiodo ... ? Con 3 pin ? I fotodiodi ne hanno 2.
O è un modello schermato oppure mi sa tanto essere un ricevitore IR completo ...
1) Ma da dove hai pescato questo schema non è indicato il modello ?
2) in genere un filtro passabasso va calcolato sotto ma dipende da cosa vuoi ottenere, se filtrare un po' di luce ambientale, consideranso la scarsa l'attenuazione che porta un RC in quel circuito, funziona anche se fortemente fuori banda, alla peggio perdi unn po' di sensibilità.
3) la IGT non centra con il carico induttivo. Quella configurazione (triac e fototriac) è abbastanza di bocca buona e funziona un po' con tutto.
4) Quelle resistenze fanno funzioni completamente differenti. Per R1 dipende da C1, comuque con i valori classici di C1 = 47-100nF la potenza sarebbe piuttosto bassa ma è necessario sovradimensionare a causa delle spurie presenti in rete. Molto dipende anche dal tipo di resistenza. Consiglio una a filo da almeno 2-3W.
R2 ed R3 lavorano solo nella fase di innesco del triac, bastano di potenza piuttosto piccola, 1/4W basta e avanza
5) 60mA è il valore massimo, per l'innesco ne bastano 15mA.
6 e 7) Dipende dalla corrente del carico. Parli di tapparella quindi stimo 200W ovvero circa 1A. Quindi il fusibile basta da 2A. Per le piste il ragionamento si complica: per che lunghezza e per che spessore di rame ... ma sopratutto vuoi che resistano al corto ... e quindi occorre calcolare il tempo di intervento di F1
Infine; parli di tapparelle .... ma quello che definisci carico non sarammo mica le 2 fasi del motore ?
Se si occhio che gli avvolgimenti (marcia e avviamento) si comportano come autotrasformatore e quando accendi un triac nell'altro ti ritrovi una tensione ben piu alta di quella di rete ... = occhio alla tensione dei Triac ed i 400V del 3041 sono pelo-pelo !
Auguri.
Bye
Ser.Tom0
voti
Ciao,
perché non lo conosco affatto. Dovrebbe essere uno tipo questo:https://www.google.it/search?q=fotodiodo+3+pin&sa=X&biw=1920&bih=994&tbm=isch&imgil=U2xcz19l2-6KKM%253A%253Bhttps%253A%252F%252Fencrypted-tbn0.gstatic.com%252Fimages%253Fq%253Dtbn%253AANd9GcRJrM4sM_hoZ4jBV28oGRyYAI3fBAouUtwfn-U099jg4v5_YXCU9w%253B640%253B480%253BjJCZS19bYlYp1M%253Bhttp%25253A%25252F%25252Fwww.tme.eu%25252Fit%25252Fkatalog%25252Ffotodiodi_112304%25252F&source=iu&usg=__pu_K3KyRa_IKpB7yWIQfzvshzC0%3D&ei=Khp6U7CBIKPOygOEk4HYBw&ved=0CD4Q9QEwAQ#facrc=_&imgdii=_&imgrc=QVRWvmBP2KWuAM%253A%3BltxFueE88_LAqM%3Bhttp%253A%252F%252Fdigilander.libero.it%252Fbeamweb%252Fmoduli8.gif%3Bhttp%253A%252F%252Fdigilander.libero.it%252Fbeamweb%252Fprossimita2.htm%3B262%3B203
Quale modello consigli?
Di che tensione consigli i C1? 800Volt può andare?
Come faccio a calcolare il tempo di intervento di F1? dipende se lo prendo rapido oppure normale?
Si è proprio come dici tu... Cambiare triac e prenderne uno da 800 V può andare bene e cambiare il fototriac è abbastanza?
Auguri.
Bye
Ser.Tom[/quote]
Grazie lcua31989
SerTom ha scritto:
E il fotodiodo ... ? Con 3 pin ? I fotodiodi ne hanno 2.
O è un modello schermato oppure mi sa tanto essere un ricevitore IR completo ...
1) Ma da dove hai pescato questo schema non è indicato il modello ?
perché non lo conosco affatto. Dovrebbe essere uno tipo questo:https://www.google.it/search?q=fotodiodo+3+pin&sa=X&biw=1920&bih=994&tbm=isch&imgil=U2xcz19l2-6KKM%253A%253Bhttps%253A%252F%252Fencrypted-tbn0.gstatic.com%252Fimages%253Fq%253Dtbn%253AANd9GcRJrM4sM_hoZ4jBV28oGRyYAI3fBAouUtwfn-U099jg4v5_YXCU9w%253B640%253B480%253BjJCZS19bYlYp1M%253Bhttp%25253A%25252F%25252Fwww.tme.eu%25252Fit%25252Fkatalog%25252Ffotodiodi_112304%25252F&source=iu&usg=__pu_K3KyRa_IKpB7yWIQfzvshzC0%3D&ei=Khp6U7CBIKPOygOEk4HYBw&ved=0CD4Q9QEwAQ#facrc=_&imgdii=_&imgrc=QVRWvmBP2KWuAM%253A%3BltxFueE88_LAqM%3Bhttp%253A%252F%252Fdigilander.libero.it%252Fbeamweb%252Fmoduli8.gif%3Bhttp%253A%252F%252Fdigilander.libero.it%252Fbeamweb%252Fprossimita2.htm%3B262%3B203
Quale modello consigli?
SerTom ha scritto:4) Quelle resistenze fanno funzioni completamente differenti. Per R1 dipende da C1, comuque con i valori classici di C1 = 47-100nF la potenza sarebbe piuttosto bassa ma è necessario sovradimensionare a causa delle spurie presenti in rete. Molto dipende anche dal tipo di resistenza. Consiglio una a filo da almeno 2-3W.
R2 ed R3 lavorano solo nella fase di innesco del triac, bastano di potenza piuttosto piccola, 1/4W basta e avanza
Di che tensione consigli i C1? 800Volt può andare?
SerTom ha scritto:6 e 7) Dipende dalla corrente del carico. Parli di tapparella quindi stimo 200W ovvero circa 1A. Quindi il fusibile basta da 2A. Per le piste il ragionamento si complica: per che lunghezza e per che spessore di rame ... ma sopratutto vuoi che resistano al corto ... e quindi occorre calcolare il tempo di intervento di F1
Come faccio a calcolare il tempo di intervento di F1? dipende se lo prendo rapido oppure normale?
SerTom ha scritto:Infine; parli di tapparelle .... ma quello che definisci carico non saranno mica le 2 fasi del motore ?
Se si occhio che gli avvolgimenti (marcia e avviamento) si comportano come autotrasformatore e quando accendi un triac nell'altro ti ritrovi una tensione ben piu alta di quella di rete ... = occhio alla tensione dei Triac ed i 400V del 3041 sono pelo-pelo !
Si è proprio come dici tu... Cambiare triac e prenderne uno da 800 V può andare bene e cambiare il fototriac è abbastanza?
Auguri.
Bye
Ser.Tom[/quote]Grazie lcua31989
1
voti
Non è facile stabilire che fotodiodo usare senza sapere cosa dovrà rilevare (che lunghezza d'onda ) ... da che distanza ... con che eventuale ottica aggiuntiva ....
Ma da dove hai pescato quello schema ? Come mai manca la specifica del componente ? Non c'è una descrizione funzionale ? Se manca tutto questo, cambia schema ... in rete ne trovi a volontà.
Per quella applicazione 400Vac bastano ma di più non guasta.
Occhio che più che la sola tensione serve un modello specifico per filtri di rete (MKR o simili) e assolutamente almeno classe X2.
Il tempo di intervento dipende proprio dal tipo di fusibile (non esistono i "normali") nell'ordine: ritardato, semi ritardato, e rapido ... poi ci soarebbero quelli speciali.
A grandi linee per carico tipo motore è consiglaito il ritardato. In base al tipo di fusibile il produttore dovrebbe darti i tempi di internento per le diverse correnti: è una fascia di tempo per i diversi miltiplicatori della "In". Questo dato va utilizzato per il dimensionamento delle tracce di rame. Anche qui i produttori di PCB dovrebbero fornire grafici in cui calcolare l'incremento termico della traccia in base alla correte che la attraversa.
Entrambi sono soggetti alla tensione, per il Triac 800V dovrebbero bastare, per il fototriac la soluzione più semplice è porne 2 in serie con in parallelo ad ognuno una resistenza (circa 1MOhm) per bianciare la tensione. Anche il led di ingresso vanno in serie.
Se per uso hobbystico basta così ... meglio non complicarci la vita con ulteriori protezioni.
Bye
Ser.Tom
Ma da dove hai pescato quello schema ? Come mai manca la specifica del componente ? Non c'è una descrizione funzionale ? Se manca tutto questo, cambia schema ... in rete ne trovi a volontà.
Per quella applicazione 400Vac bastano ma di più non guasta.
Occhio che più che la sola tensione serve un modello specifico per filtri di rete (MKR o simili) e assolutamente almeno classe X2.
Il tempo di intervento dipende proprio dal tipo di fusibile (non esistono i "normali") nell'ordine: ritardato, semi ritardato, e rapido ... poi ci soarebbero quelli speciali.
A grandi linee per carico tipo motore è consiglaito il ritardato. In base al tipo di fusibile il produttore dovrebbe darti i tempi di internento per le diverse correnti: è una fascia di tempo per i diversi miltiplicatori della "In". Questo dato va utilizzato per il dimensionamento delle tracce di rame. Anche qui i produttori di PCB dovrebbero fornire grafici in cui calcolare l'incremento termico della traccia in base alla correte che la attraversa.
Entrambi sono soggetti alla tensione, per il Triac 800V dovrebbero bastare, per il fototriac la soluzione più semplice è porne 2 in serie con in parallelo ad ognuno una resistenza (circa 1MOhm) per bianciare la tensione. Anche il led di ingresso vanno in serie.
Se per uso hobbystico basta così ... meglio non complicarci la vita con ulteriori protezioni.
Bye
Ser.Tom0
voti
Ciao,
Il fotodiodo dovrà rilevare il passaggio di una persona da stipite a stipite max 2 Metri di distanza. La frequenza del diodo dovrà essere di 38KHz. Lo scopo del diodo a infrarosso TX e RX è quello di stoppare la marcia in caso in cui una persona o animale attraversi la finestra mente la tapparella si chiude. Servono altri parametri?
Cosa sono e a cosa servono i filtri MKR ?
Per i triac, se usassi un i MOC3063 è comunque necessario metterne due in serie? Il MOC 3063 ha una tensione di Off-state output terminal di 600 V e non 400 come il moc 3043.
Grazie per i consigli
ciao
lcua31989
Il fotodiodo dovrà rilevare il passaggio di una persona da stipite a stipite max 2 Metri di distanza. La frequenza del diodo dovrà essere di 38KHz. Lo scopo del diodo a infrarosso TX e RX è quello di stoppare la marcia in caso in cui una persona o animale attraversi la finestra mente la tapparella si chiude. Servono altri parametri?
Cosa sono e a cosa servono i filtri MKR ?
Per i triac, se usassi un i MOC3063 è comunque necessario metterne due in serie? Il MOC 3063 ha una tensione di Off-state output terminal di 600 V e non 400 come il moc 3043.
Grazie per i consigli
ciao
lcua31989
0
voti
lcua31989 ha scritto:... Lo scopo del diodo a infrarosso TX e RX è quello di stoppare la marcia in caso in cui una persona o animale attraversi la finestra mente la tapparella si chiude ...
AAALT ! FERMI TUTTI ! Qui non stiamo più giocando con le bambole !
Quello che hai in testa di fare è una MACCHINA ovvero un dispositivo con parti in movimento e che potrebbe essere pericoloso ! E quello che stai facendo è un dispositivo di sicurezza !
Anche se fosse per casa tua ... ti sconsiglio vivamente di continuare !
L'ambito delle Macchine (cerca in rete "Direttiva Macchine") e quello dei dispositivi di sicurezza è pieno zeppo di normative. Non è assolutamente campo per inesperti ed improvvisatori !
Bye
Ser.Tom
6 messaggi
• Pagina 1 di 1
Chi c’è in linea
Visitano il forum: Nessuno e 75 ospiti

Elettrotecnica e non solo (admin)
Un gatto tra gli elettroni (IsidoroKZ)
Esperienza e simulazioni (g.schgor)
Moleskine di un idraulico (RenzoDF)
Il Blog di ElectroYou (webmaster)
Idee microcontrollate (TardoFreak)
PICcoli grandi PICMicro (Paolino)
Il blog elettrico di carloc (carloc)
DirtEYblooog (dirtydeeds)
Di tutto... un po' (jordan20)
AK47 (lillo)
Esperienze elettroniche (marco438)
Telecomunicazioni musicali (clavicordo)
Automazione ed Elettronica (gustavo)
Direttive per la sicurezza (ErnestoCappelletti)
EYnfo dall'Alaska (mir)
Apriamo il quadro! (attilio)
H7-25 (asdf)
Passione Elettrica (massimob)
Elettroni a spasso (guidob)
Bloguerra (guerra)




