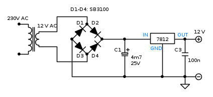
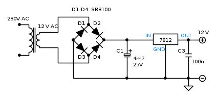
Ma a questo punto considerando tutto quello che è stato detto fino ad ora e considerando che è pur sempre un trasformatore da 800 mA che in futuro potrebbe essere usato per altri scopi, ho pensato a qualcosa per "tagliare la testa al toro"
I diodi sono schottky, dovrebbero avere una caduta inferiore (o comunque soffrire meno) e inoltre sono da 3 ampere, quindi non dovrebbero dar noie a seguito degli impulsi di corrente dovuti all'elevata capacità di C1, cosa che un diodo da 1 ampere potrebbe non gradire altrettanto bene.
La accendiamo?

Elettrotecnica e non solo (admin)
Un gatto tra gli elettroni (IsidoroKZ)
Esperienza e simulazioni (g.schgor)
Moleskine di un idraulico (RenzoDF)
Il Blog di ElectroYou (webmaster)
Idee microcontrollate (TardoFreak)
PICcoli grandi PICMicro (Paolino)
Il blog elettrico di carloc (carloc)
DirtEYblooog (dirtydeeds)
Di tutto... un po' (jordan20)
AK47 (lillo)
Esperienze elettroniche (marco438)
Telecomunicazioni musicali (clavicordo)
Automazione ed Elettronica (gustavo)
Direttive per la sicurezza (ErnestoCappelletti)
EYnfo dall'Alaska (mir)
Apriamo il quadro! (attilio)
H7-25 (asdf)
Passione Elettrica (massimob)
Elettroni a spasso (guidob)
Bloguerra (guerra)







