Cos'è ElectroYou | Login Iscriviti

ElectroYou - la comunità dei professionisti del mondo elettrico

Programmatore PIC

Elettronica lineare e digitale: didattica ed applicazioni

Moderatori: Foto Utentecarloc, Foto Utenteg.schgor, Foto UtenteBrunoValente, Foto UtenteIsidoroKZ

0
voti

[1] Programmatore PIC

Messaggioda Foto UtenteAcmeMan » 26 mag 2014, 18:45

Salve
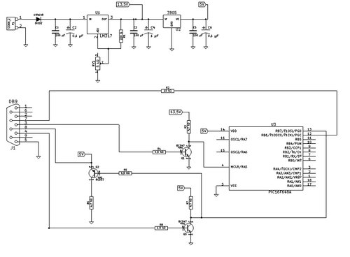
ho realizzato su breadboard un programmatore JDM autoalimentato seguendo lo schema indicato in figura. Lo schema lo ho realizzato mettendo insieme idee da alcuni schemi che ho trovato in rete.
PICpgm lo riconosce come un programmatore jdm inoltre con la funzione test ed un multimetro ho verificato che al PIC sono assegnate le corrette tensioni.
Tutto dovrebbe funzionare ma purtroppo questo è il log:
Codice: Seleziona tutto
Checking connection of JDM Programmer ...
JDM Programmer connected and initialized!
Calibrating delay: 50us delay took 293us (loop counter=703)
PIC16F83 selected, device has no device ID!
Warning: Configuration bits not found in HEX file!
Erasing Device ...
Erasing finished!
Programming started ...
Verify Error: Code Mem 0x000000: PIC=0x0DB3 Buf=0x2BFE
Verify Error: Cfg Mem 0x000000: PIC=0x2C93 Buf=0xFFFF
Verify Error: Cfg Mem 0x000002: PIC=0x24DA Buf=0xFFFF
Verify Error: Cfg Mem 0x000004: PIC=0x1B33 Buf=0xFFFF
Verify Error: Cfg Mem 0x000006: PIC=0x1932 Buf=0xFFFF
Verify Error: Cfg Mem 0x000008: PIC=0x3265 Buf=0xFFFF
Verify Error: Cfg Mem 0x00000A: PIC=0x0993 Buf=0xFFFF
Verify Error: Cfg Mem 0x00000E: PIC=0x0993 Buf=0xFFFF
Programming finished with verify errors!
Operation took  18.0 seconds!


Qualche suggerimento?
Allegati
PICProg.jpg
Avatar utente
Foto UtenteAcmeMan
0 1 5
Frequentatore
Frequentatore
 
Messaggi: 107
Iscritto il: 5 mar 2006, 21:03

0
voti

[2] Re: Programmatore PIC

Messaggioda Foto Utentemarioursino » 26 mag 2014, 21:52

Codice: Seleziona tutto
Warning: Configuration bits not found in HEX file!


Come mai?
Avatar utente
Foto Utentemarioursino
5.687 3 9 13
G.Master EY
G.Master EY
 
Messaggi: 1598
Iscritto il: 5 dic 2009, 4:32

0
voti

[3] Re: Programmatore PIC

Messaggioda Foto Utenteposta10100 » 26 mag 2014, 22:54

Codice: Seleziona tutto
PIC16F83 selected, device has no device ID!

Questo dice che on ha trovato il file.
A che velocità trasferisci i dati?
Quanto è lungo il cavo seriale?

Anche a me succedeva, poi ho rigenerato i fronti del segnale e del clk con delle porte NOT in parallelo messe vicino al PIC e il problema è sparito.

Avevo già postato lo schema, lo cerco e te lo metto qui.

O_/
http://millefori.altervista.org
Tool gratuito per chi sviluppa su millefori.

Tutti sanno che una cosa è impossibile da realizzare, finché arriva uno sprovveduto che non lo sa e la inventa. (A. Einstein)
Se non c'e` un 555 non e` un buon progetto (IsidoroKZ)

Strumento per formule
Avatar utente
Foto Utenteposta10100
5.550 4 10 13
Master EY
Master EY
 
Messaggi: 4832
Iscritto il: 5 nov 2006, 0:09

0
voti

[4] Re: Programmatore PIC

Messaggioda Foto Utenteposta10100 » 26 mag 2014, 23:02

http://millefori.altervista.org
Tool gratuito per chi sviluppa su millefori.

Tutti sanno che una cosa è impossibile da realizzare, finché arriva uno sprovveduto che non lo sa e la inventa. (A. Einstein)
Se non c'e` un 555 non e` un buon progetto (IsidoroKZ)

Strumento per formule
Avatar utente
Foto Utenteposta10100
5.550 4 10 13
Master EY
Master EY
 
Messaggi: 4832
Iscritto il: 5 nov 2006, 0:09

0
voti

[5] Re: Programmatore PIC

Messaggioda Foto UtenteAcmeMan » 27 mag 2014, 0:52

Ho un convertitore USB seriale con uno spezzone di cavo di 20cm collegato breadboard. Ho messo la velocità del segnale al minimo.
Avatar utente
Foto UtenteAcmeMan
0 1 5
Frequentatore
Frequentatore
 
Messaggi: 107
Iscritto il: 5 mar 2006, 21:03

4
voti

[6] Re: Programmatore PIC

Messaggioda Foto UtentePaolino » 27 mag 2014, 8:17

L'impiego di convertitori USB-seriale non è adatto per generare i segnali di data e clock utili al programmatore. Ci sono thread aperti di frequente su questo argomento.

Un consiglio spassionato: se vuoi un programmatore/debugger a basso costo, performante e in grado di supportare tutti i nuovi PIC, ti invito a considerare di investire 50 € (compresa IVA e trasporto) e di acquistarti un PICKit3.

In questo modo potrai sviluppare i tuoi progetti senza avere l'ansia di far funzionare il programmatore.

Attenzione: i vecchi PIC, tutti i COMS (PIC16C54 et similia) ma anche alcuni FLASH (come il PIC16F84 e altri) non sono supportati d PICKit3. Ma tutti i PIC nuovi, quelli con più periferiche e che costano qualche soldo, quelli invece sono supportati :ok:

Poi, per carita: sei libero di realizzarti il programmatore JDM. Ma, fossi in te, lo terrei come "muletto"...

Ciao.

Paolo.
"Houston, Tranquillity Base here. The Eagle has landed." - Neil A.Armstrong

-------------------------------------------------------------

PIC Experience - http://www.picexperience.it
Avatar utente
Foto UtentePaolino
32,6k 8 12 13
G.Master EY
G.Master EY
 
Messaggi: 4226
Iscritto il: 20 gen 2006, 11:42
Località: Vigevano (PV)

0
voti

[7] Re: Programmatore PIC

Messaggioda Foto UtenteAcmeMan » 27 mag 2014, 12:08

Un consiglio spassionato: se vuoi un programmatore/debugger a basso costo, performante e in grado di supportare tutti i nuovi PIC, ti invito a considerare di investire 50 € (compresa IVA e trasporto) e di acquistarti un PICKit3.


Indubbiamente vero. Ma il problema e che voglio capire perché non funziona! Le tensioni ci sono i test venno bene perché non funziona? Devo capire!
Avatar utente
Foto UtenteAcmeMan
0 1 5
Frequentatore
Frequentatore
 
Messaggi: 107
Iscritto il: 5 mar 2006, 21:03

4
voti

[8] Re: Programmatore PIC

Messaggioda Foto UtentePaolino » 27 mag 2014, 13:24

AcmeMan ha scritto:...Le tensioni ci sono i test venno bene perché non funziona? Devo capire!

Ma te l'ho detto perché non funziona! Stai usando un adattatore USB-seriale che non garantisce che le tempistiche dei segnali DATA e CLOCK per la programmazione siano "digeribili" dal dispositivo in programmazione.
Ecco tutto.

Ciao.

Paolo.
"Houston, Tranquillity Base here. The Eagle has landed." - Neil A.Armstrong

-------------------------------------------------------------

PIC Experience - http://www.picexperience.it
Avatar utente
Foto UtentePaolino
32,6k 8 12 13
G.Master EY
G.Master EY
 
Messaggi: 4226
Iscritto il: 20 gen 2006, 11:42
Località: Vigevano (PV)

0
voti

[9] Re: Programmatore PIC

Messaggioda Foto UtenteAcmeMan » 3 giu 2014, 20:45

Ciao
abbandonato il convertirore seriale-usb sto utilizzando la porta seriale di un vecchio PC sotto linux. Ho fatto alcune prove con picpgm ma sebbene venga riconosciuto il programmatore non c'è modo di fargli digerire ilpic mi dice sempre che è sconosciuto!
Avatar utente
Foto UtenteAcmeMan
0 1 5
Frequentatore
Frequentatore
 
Messaggi: 107
Iscritto il: 5 mar 2006, 21:03

1
voti

[10] Re: Programmatore PIC

Messaggioda Foto UtenteTardoFreak » 3 giu 2014, 21:40

Colpa del destino cinico e baro. -:-

A parte le battute facili, mi diresti perché ti stai impuntando su questa cosa? Perché usare sistemi obsoleti ed inaffidabili per programmare un PIC?
Lo fai per mera sperimentazione, per scrivere un articolo su "come si faceva una volta, nel neolitico superiore"?

Sono solo curioso. :-)
"La follia sta nel fare sempre la stessa cosa aspettandosi risultati diversi".
"Parla soltanto quando sei sicuro che quello che dirai è più bello del silenzio".
Rispondere è cortesia, ma lasciare l'ultima parola ai cretini è arte.
Avatar utente
Foto UtenteTardoFreak
73,9k 8 12 13
-EY Legend-
-EY Legend-
 
Messaggi: 15754
Iscritto il: 16 dic 2009, 11:10
Località: Torino - 3° pianeta del Sistema Solare

Prossimo

Torna a Elettronica generale

Chi c’è in linea

Visitano il forum: Nessuno e 199 ospiti