Cos'è ElectroYou | Login Iscriviti

ElectroYou - la comunità dei professionisti del mondo elettrico

Trasformatore di adattamento

Elettronica lineare e digitale: didattica ed applicazioni

Moderatori: Foto Utentecarloc, Foto Utenteg.schgor, Foto UtenteBrunoValente, Foto UtenteIsidoroKZ

0
voti

[1] Trasformatore di adattamento

Messaggioda Foto UtenteStephen71 » 26 mag 2014, 13:15

Ciao a tutti,
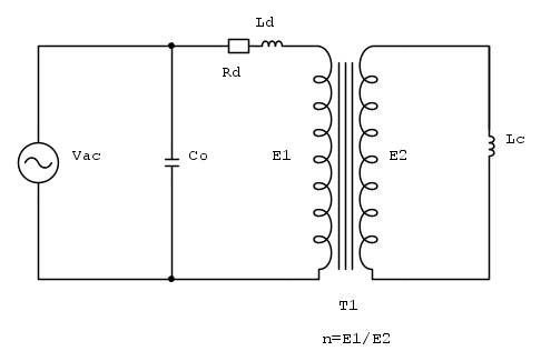
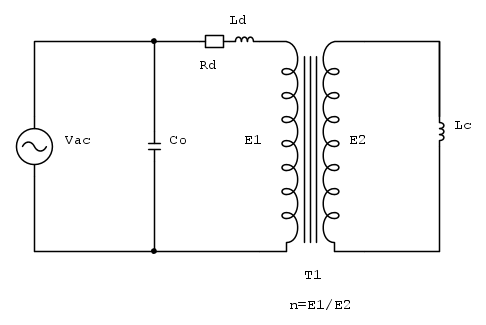
gentilmente chiedo una conferma sulle formule relative allo schema che riporto sotto.


Se il trasformatore fosse ideale la frequenza di risonanza del parallelo tra la Lc e Co dovrebbe essere fr=\frac{1}{2*\pi *\sqrt{Co*n^{2}*Lc}} con n rapporto spire trasformatore.
Nel realtà il trasformatore ha una induttanza di dispersione Ld che riportata al primario dovrebbe essere:
Ld=Lp+n^{2}*Ls
con L1 induttanza dispersa del primario e Ls quella del secondario.
In quest'ultimo caso la frequenza di risonanza diviene:
fr=\frac{1}{2*\pi *\sqrt{Co*(n^{2}*Lc+Ld)}}
E' giusto?
Avatar utente
Foto UtenteStephen71
0 2
 
Messaggi: 28
Iscritto il: 30 dic 2010, 11:25

0
voti

[2] Re: Trasformatore di adattamento

Messaggioda Foto UtenteStephen71 » 26 mag 2014, 13:42

:( Correggo l'ultima formula:
fr=\frac{1}{2*\pi *\sqrt{Co*(n^{2}*Lc+Ld)}}

EDIT: Per evitare confusioni ho riportato sul primo post la formula corretta che hai aggiunto qui
K
Avatar utente
Foto UtenteStephen71
0 2
 
Messaggi: 28
Iscritto il: 30 dic 2010, 11:25

2
voti

[3] Re: Trasformatore di adattamento

Messaggioda Foto Utentegill90 » 26 mag 2014, 15:07

Ciao,
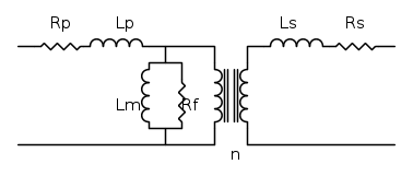
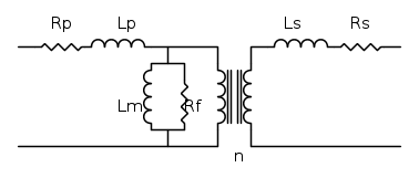
un trasformatore reale, considerando tutti i suoi contributi parassiti, è fatto così:




Per cui, trascurando tutte le perdite (ohmiche e nel ferro) devi considerare anche l'induttanza di magnetizzazione Lm.
Avatar utente
Foto Utentegill90
4.146 3 7 12
G.Master EY
G.Master EY
 
Messaggi: 1134
Iscritto il: 1 set 2011, 16:18

0
voti

[4] Re: Trasformatore di adattamento

Messaggioda Foto UtenteStephen71 » 26 mag 2014, 15:16

gill90 ha scritto:Per cui, trascurando tutte le perdite (ohmiche e nel ferro) devi considerare anche l'induttanza di magnetizzazione Lm.


Si è vero, ma supponendo che l'induttanza di magnetizzazione sia trascurabile rispetto a quella dispersa il calcolo
della frequenza di risonanza è corretto?

Grazie.
Avatar utente
Foto UtenteStephen71
0 2
 
Messaggi: 28
Iscritto il: 30 dic 2010, 11:25

0
voti

[5] Re: Trasformatore di adattamento

Messaggioda Foto Utentegill90 » 26 mag 2014, 15:29

Sì è corretto, ma per sicurezza io farei anche i conti con l'induttanza di magnetizzazione, tanto non dovrebbe rappresentare grossi problemi di calcolo. Anche perché basta poco per sballare la risonanza!
Avatar utente
Foto Utentegill90
4.146 3 7 12
G.Master EY
G.Master EY
 
Messaggi: 1134
Iscritto il: 1 set 2011, 16:18

0
voti

[6] Re: Trasformatore di adattamento

Messaggioda Foto UtenteStephen71 » 26 mag 2014, 17:12

gill90 ha scritto:Sì è corretto, ma per sicurezza io farei anche i conti con l'induttanza di magnetizzazione, tanto non dovrebbe rappresentare grossi problemi di calcolo. Anche perché basta poco per sballare la risonanza!


Ok. Il passo sucessivo è quello di calcolarmi le due induttanze.
Cortocircuitando il secondario dovrei misurare al primario la magnetizzante + la dispersa
mentre con il secondario aperto misuro solo la dispersa che per differenza mi da la magnetizzante.
Ho un'altra domanda.
Per la misura di induttanza ho disponibile uno strumento un po vecchiotto. Ho visto che esistono strumenti
che eseguono misure a frequenze superiori a 10KHz. Quanto può incidere questa differenza sulla misura?
Grazie.
Avatar utente
Foto UtenteStephen71
0 2
 
Messaggi: 28
Iscritto il: 30 dic 2010, 11:25

0
voti

[7] Re: Trasformatore di adattamento

Messaggioda Foto Utentegill90 » 26 mag 2014, 18:02

Riportando tutto al primario ottieni con il secondario in corto



Con L_s'=n^2L_s
Quindi ottieni qualcosa di più complicato di una serie tra dispersa e magnetizzante.
Col secondario aperto invece hai



Quindi attento che se hai bisogno di precisione devi per forza introdurre una terza equazione con un carico conosciuto.
Altrimenti puoi semplificare lo schema in cc così



Con L_1=L_p+n^2L_s.

Dipende da cosa misuri. In un trasformatore le perdite nel ferro crescono in prima approssimazione col quadrato della frequenza, per cui più vai su in frequenza più quella resistenza in parallelo a Lm farà sentire il suo effetto. Che io sappia quegli strumenti che intendi tu (gli LCR meter) servono per misurare valori di induttanze componentistiche. Per nuclei di trasformatori scordati di andare a quelle frequenze! Di che strumento disponi tu? E soprattutto cosa devi misurare?
Avatar utente
Foto Utentegill90
4.146 3 7 12
G.Master EY
G.Master EY
 
Messaggi: 1134
Iscritto il: 1 set 2011, 16:18

0
voti

[8] Re: Trasformatore di adattamento

Messaggioda Foto UtenteStephen71 » 27 mag 2014, 8:09

gill90 ha scritto:
Dipende da cosa misuri. In un trasformatore le perdite nel ferro crescono in prima approssimazione col quadrato della frequenza, per cui più vai su in frequenza più quella resistenza in parallelo a Lm farà sentire il suo effetto. Che io sappia quegli strumenti che intendi tu (gli LCR meter) servono per misurare valori di induttanze componentistiche. Per nuclei di trasformatori scordati di andare a quelle frequenze! Di che strumento disponi tu? E soprattutto cosa devi misurare?


Lo strumento che possiedo è HM 8018 della hameg e quello che devo sapere è l'induttanza totale che vedo al primario del trasformatore. Eventualmente che cosa posso utilizzare per questa misura? Tieni presente che al secondario la Lc varia e quindi sapere il valore di induttanza dispersa totale da mettere il serie alla Lc mi facilita il calcolo per detterminare la frequenza di risonanza.
Avatar utente
Foto UtenteStephen71
0 2
 
Messaggi: 28
Iscritto il: 30 dic 2010, 11:25

0
voti

[9] Re: Trasformatore di adattamento

Messaggioda Foto Utentegill90 » 27 mag 2014, 13:02

Ma cos'è che devi fare di preciso? Un trasformatore è un oggetto molto denso, ha elevata Lm e perdite nel ferro notevoli per alte frequenze. Non è un caso che venga fatto "lavorare" a 50Hz invece che 1kHz, proprio per questo fatto. Il tuo strumento può misurare l'impedenza a minimo 100Hz, quindi in linea di massima dovresti riuscire ad ottenere quello che ti serve. Però dovresti dirmi quanta precisione richiedi e soprattutto per che applicazione!

EDIT: A questo punto dovresti postare anche il tipo di trasformatore: che rapporto di trasformazione ha, e che potenza?
Avatar utente
Foto Utentegill90
4.146 3 7 12
G.Master EY
G.Master EY
 
Messaggi: 1134
Iscritto il: 1 set 2011, 16:18

0
voti

[10] Re: Trasformatore di adattamento

Messaggioda Foto UtenteStephen71 » 30 mag 2014, 12:02

gill90 ha scritto:Ma cos'è che devi fare di preciso? Un trasformatore è un oggetto molto denso, ha elevata Lm e perdite nel ferro notevoli per alte frequenze. Non è un caso che venga fatto "lavorare" a 50Hz invece che 1kHz, proprio per questo fatto. Il tuo strumento può misurare l'impedenza a minimo 100Hz, quindi in linea di massima dovresti riuscire ad ottenere quello che ti serve. Però dovresti dirmi quanta precisione richiedi e soprattutto per che applicazione!

EDIT: A questo punto dovresti postare anche il tipo di trasformatore: che rapporto di trasformazione ha, e che potenza?


Spero di riuscire a spiegare meglio l'applicazione. Diciamo che a monte del trasformatore ho un ponte inverter che mi genera la forma d'onda sinusoidale ed il range di frequenza è da 10kHz a 40kHz. Il rapporto spire e variabile manualmente con n=1,5 - 2 - 2.5 e 3 (n=rapporto spire)
Per quanto riguarda la precisione direi che se la frequenza di risonanza dovesse teoricamente essere ad es. 25kHz mi andrebbe bene anche 22kHz o 29kHz. E' naturale che cambiado il rapporto cambiano anche i paramentri di induttanza dispersa e magnetizzante ma non cerco di ottenre frequenze molto precise.
Cosa ne pensi? e grazie per le tue risposte.
Avatar utente
Foto UtenteStephen71
0 2
 
Messaggi: 28
Iscritto il: 30 dic 2010, 11:25

Prossimo

Torna a Elettronica generale

Chi c’è in linea

Visitano il forum: Nessuno e 140 ospiti