gill90 ha scritto:Eppure c'è qualcosa che mi sfugge, è per forza necessario lavorare in duale?
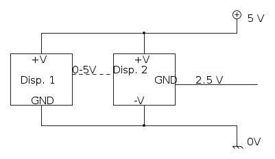
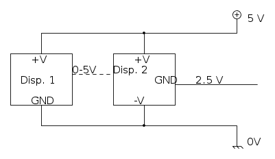
Ti sfugge che se si scrive -2.5 V e 2.5 V è perché sono riferiti a GND..
Che è una cosa ben diversa da quello che volevi fare tu.
Moderatori:
carloc,
g.schgor,
BrunoValente,
IsidoroKZ
gill90 ha scritto:Eppure c'è qualcosa che mi sfugge, è per forza necessario lavorare in duale?


gill90 ha scritto:Se il dispositivo supporta due alimentazioni
Se colleghi il terminale di alimentazione negativa a -2,5 V e quello di alimentazione positiva a 2,5 V, l' IC è alimentato con 5 V di alimentazione.
gill90 ha scritto:Ma da qualche parte devi avere il riferimento di massa se vuoi poter discriminare +2.5 V da -2.5 V.
Visitano il forum: Nessuno e 232 ospiti