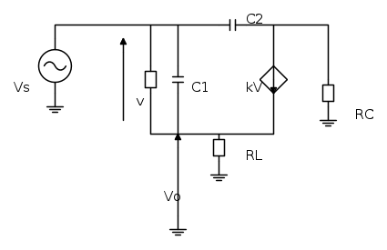
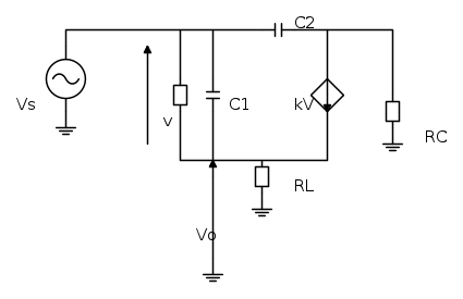
nel seguente circuito:
nella funziona di trasferimento
vi è una cancellazione zero-polo del condensatore
. Tuttavia non riesco a vedere il motivo elettrico per il quale questo condensatore non incide sull'uscita. Qualche suggerimento?
Moderatori:
carloc,
g.schgor,
BrunoValente,
IsidoroKZ
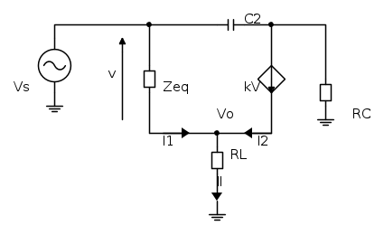
vi è una cancellazione zero-polo del condensatore
. Tuttavia non riesco a vedere il motivo elettrico per il quale questo condensatore non incide sull'uscita. 
, ecco perché non influisce sulla f.d.t.:
il parallelo di
e
(ti manca da specificare il nome di quella resistenza), iImponendo la LKC
diventa:

non compare nell'equazione (e nemmeno
), questo perché il generatore ideale di corrente impone un vincolo preciso sulla corrente che attraverserà il carico, potendo avere ai suoi capi una tensione arbitraria e quindi bypassando ciò che gli sta a monte: il nodo di corrente al di sopra dovrebbe rendere la corrente uscente dipendente dalla corrente in
e
, ma fissando già il valore di tale corrente rende di fatto ininfluente l'analisi. In sostanza non ti interessa quanta corrente scorre in
e quanta in
, perché al carico (e quindi a
) interessa solo la loro somma, e se la loro somma è fissata allora i parametri che ci stanno dietro non importano ai fini del risultato.gill90 ha scritto: In sostanza non ti interessa quanta corrente scorre ine quanta in
, perché al carico (e quindi a
) interessa solo la loro somma, e se la loro somma è fissata allora i parametri che ci stanno dietro non importano ai fini del risultato.
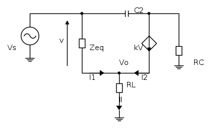
. Quest'ultima è influenzata dalla quantità di corrente che attraversa il condensatore, ed è questo il motivo per il quale mi sarei aspettato, a priori, che entrasse nella funzione di trasferimento.
e
ci sarà una tensione variabile tale da far scorrere su questi componenti le correnti necessarie per realizzare la somma voluta. Anche se l'ingresso varia di molto, in questo nodo ci sarà una tensione tale da far scorrere la corrente dovuta, in sostanza è questa variabilità che rende di fatto inutile analizzare i due rami perché le loro grandezze saranno "adattative". La corrente su
dipende dalla tensione di ingresso
e da
, ma
dipende dalla somma tra
(la quale dipende da
e
) e
, la quale dipende da
,
e
. Come vedi c'è una dipendenza ricorsiva che non include né
né
.
e
e tra
, allora in questo caso sì che ti appariranno come parametri, ma nel caso in esame il lavoro sporco lo fa il generatore pilotato, che riporta la dipendenza a
e
.Visitano il forum: Nessuno e 33 ospiti