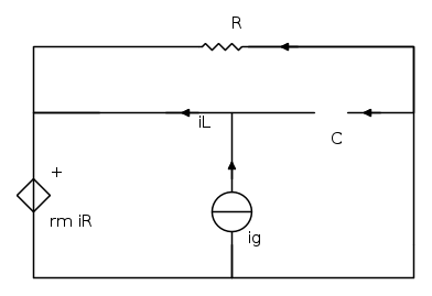
Circuito
Parametri





Condizioni iniziali
Facendo una LKC al nodo
si ha che 
Facendo una LKT alla maglia esterna posso ricavare la corrente

Facendo una LKT alla maglia del resistore e del condensatore si ha

Circuito per

Induttore e condensatore sono in serie quindi :

Facendo una LKT alla maglia esterna ricavo

Facendo una LKT alla maglia del resistore-condensatore-induttore ottengo :

Esplicitando :

Problema di Cauchy


Integrale generale
Le radici dell'omogenea associata sono :

quindi l'andamento di
è del tipo :
Integrale particolare
Utilizzo il metodo di Lagrange, quindi imposto il sistema :

Che risolto mi da la soluzione particolare :

Andamento di
per 

Domanda
Se il procedimento è corretto (per favore qualcuno potrebbe dargli un'occhiata e confermare?), come faccio a determinare le costanti
imponendo le condizioni iniziali? Io ho sempre risolto il problema di cauchy imponendo che il circuito si trovi a regime..in questo caso come si fa? avendo un andamento di questo tipo ed avendo delle radici complesse come posso risolvere?

Elettrotecnica e non solo (admin)
Un gatto tra gli elettroni (IsidoroKZ)
Esperienza e simulazioni (g.schgor)
Moleskine di un idraulico (RenzoDF)
Il Blog di ElectroYou (webmaster)
Idee microcontrollate (TardoFreak)
PICcoli grandi PICMicro (Paolino)
Il blog elettrico di carloc (carloc)
DirtEYblooog (dirtydeeds)
Di tutto... un po' (jordan20)
AK47 (lillo)
Esperienze elettroniche (marco438)
Telecomunicazioni musicali (clavicordo)
Automazione ed Elettronica (gustavo)
Direttive per la sicurezza (ErnestoCappelletti)
EYnfo dall'Alaska (mir)
Apriamo il quadro! (attilio)
H7-25 (asdf)
Passione Elettrica (massimob)
Elettroni a spasso (guidob)
Bloguerra (guerra)




e ti trovi subito il suo valore. Partendo poi da 
e
, ma d'altronde sai che
, conosci l'espressione di
quindi riesci a calcolarti anche i relativi coefficienti.








si usa quando si può usare, dipende dall'equazione differenziale; nel nostro caso con termine costante a secondo membro, grazie alla presenza a primo membra della 
si usa quando si può usare, dipende dall'equazione differenziale.
di troppo 