da
gill90 » 19 giu 2014, 15:53
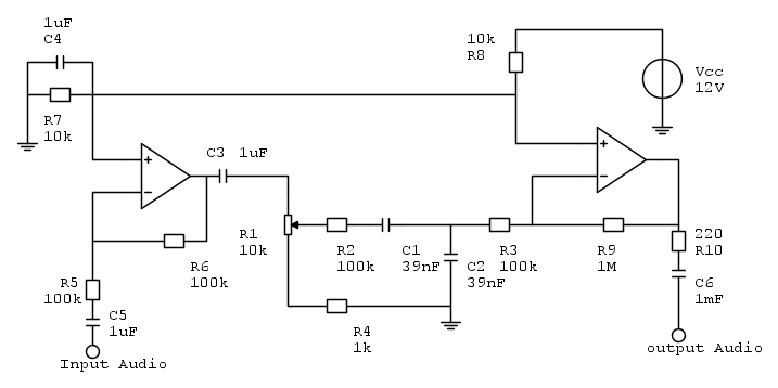
Scusate se mi intrometto, però guardando il circuito più a sinistra (per la polarizzazione) mi è balzata agli occhi questa cosa: se polarizzo il piedino non invertente a

, poi ho che per frequenza superiori a quella di taglio data da

posso considerare

come un corto. Ma questo significa che, applicando la sovrapposizione degli effetti, se considero

a massa e faccio agire solo Vcc, l'OPAMP si comporta come un amplificatore non invertente con guadagno 2. Ciò si traduce in una tensione di uscita pari a Vcc. Se poi considero il piedino non invertente a massa e faccio agire

, ho che l'OPAMP è in configurazione amplificatore invertente con guadagno -1. Cioè l'uscita sarà pari a (sempre per frequenze superiori al taglio)

. Anche se la continua si può filtrare, questo però è un problema per l'OPAMP, che si troverà a lavorare al limite della tensione di alimentazione (se rail-to-rail, altrimenti è ancora più disastroso), per cui conviene polarizzarlo a meno di

. Vi risulta?