Cos'è ElectroYou | Login Iscriviti

ElectroYou - la comunità dei professionisti del mondo elettrico

Alimentatore SFS - Switching From Scratch!

Progettazione collaborativa: dall'idea alla formazione del gruppo di lavoro per la realizzazione di un prodotto finito.

Moderatore: Foto Utentebrabus

0
voti

[11] Re: Alimentatore variabile 24 V 16A

Messaggioda Foto Utenteattila666 » 24 giu 2014, 14:06

Si ho pazienza e sono ottimista :lol:
Grazie anche a brabus per la proposta, che ovviamente mi trova d'accordo nel partecipare ma solo come beta-tester, visto le mie limitate conoscenze.
Si parte ?
Avatar utente
Foto Utenteattila666
70 3
New entry
New entry
 
Messaggi: 84
Iscritto il: 23 giu 2014, 13:59

0
voti

[12] Re: Alimentatore variabile 24 V 16A

Messaggioda Foto Utenteobiuan » 24 giu 2014, 14:14

Foto Utentetuxology...bello il T5 della soluzione che hai postato, molto intelligente :-)

se si parte con un Crowd design lo seguo anche io volentieri, visto che sto agli alimentatori switching come Balotelli sta al gioco del calcio (...se non si fosse capito, ritengo che Balotelli sia una PIPPA :) )
_______________________________________________________
Gli oscillatori non oscillano mai, gli amplificatori invece sempre

Io HO i poteri della supermucca, e ne vado fiero!
Avatar utente
Foto Utenteobiuan
5.894 3 10 13
Master
Master
 
Messaggi: 980
Iscritto il: 23 set 2013, 23:45

0
voti

[13] Re: Alimentatore variabile 24 V 16A

Messaggioda Foto Utentetuxology » 24 giu 2014, 14:15

Certo Brabus, l'idea del Crowd Design è ottima, anche perché ho solamente da imparare da te e dagli altri utenti; magari insieme riusciamo a trovare anche il modo di limitare la corrente, senza mandare in shutdown l'alimentatore come ho fatto io con l'scr.
A scanso di equivoci il merito del progetto va però al Sig. Vogel (vedi link), io ho solamente inserito uno zener per innalzare la tensione in ingresso, realizzato il circuito di shutdown e sperimentato nuclei e realizzato il PCB.
Quindi, per me puoi spostare senz'altro la discussione, tutti ne trarranno profitto :-).
Ciao,
Francesco V.
Edit: Inizio a trasferire lo schema in fidocad, così mi prendo un po di pausa dagli studi ufficiali :-D.
Avatar utente
Foto Utentetuxology
165 1 6
New entry
New entry
 
Messaggi: 61
Iscritto il: 17 giu 2011, 11:16

2
voti

[14] Re: Alimentatore SFS - Switching From Scratch!

Messaggioda Foto Utentebrabus » 24 giu 2014, 14:49

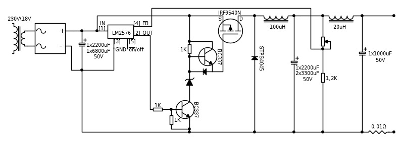
Eccoci qui ragazzi! Alimentatore Switching From Scratch (che tradotto suona un po' come "Switching partendo da zero")!

Diamo inizio alle danze con lo schema di Foto Utentetuxology! :ok:
Dopodiché potremo definire un po'di specifiche: che ne dite di ottenere, tanto per cominciare, 12V, 5A all'uscita, con ingresso a 24 V? Parliamone!
Poi potremo valutare tutti gli incrementi di performance.

Vi ringrazio ancora per gli (immeritati) complimenti; sento che questo ambiente sarà una sana ed efficace palestra per tutti! :ok:

Dai che andiamo! =D> =D> =D>
Alberto.
Avatar utente
Foto Utentebrabus
22,2k 4 11 13
G.Master EY
G.Master EY
 
Messaggi: 3146
Iscritto il: 26 gen 2009, 15:16

2
voti

[15] Re: Alimentatore SWF - Switching From Scratch!

Messaggioda Foto Utentetuxology » 24 giu 2014, 15:17

Lo schema è quasi pronto, ciò che avevo su carta l'ho spostato in Fidocad; mi manca lo schema, da trovare o ridisegnare guardando la basetta in verticale, della protezione regolabile della corrente.
Un po di tempo e dovrei esserci :-).
Per il valore dello zener devo smontare il transistor a cui l'avevo collegato :D.
Ciao, Francesco.



Edit: Trovato nei meandri del mio PC, dovrebbe essere la versione definitiva e realizzata:


Grazie a Brabus per aver spostato il topic e per l'entusiamo che dimostra, riesci a contagiare le persone :-).
Ciao, Francesco.
Avatar utente
Foto Utentetuxology
165 1 6
New entry
New entry
 
Messaggi: 61
Iscritto il: 17 giu 2011, 11:16

2
voti

[16] Re: Alimentatore SFS - Switching From Scratch!

Messaggioda Foto Utentetuxology » 24 giu 2014, 15:45

Se ritieni opportuno Foto Utentebrabus, 24 V no perché non ho un trasformatore con 24 V sottomano, però se vuoi che faccia qualche prova con l'esemplare in mio possesso, che è alimentato con un trasformatore a 18V e regge tranquillamente i 6-7A in continuo non hai che da chiedere; dispongo di un oscilloscopio Hameg HM605 che mi è stato regalato, un po vechiotto ma finora ha fatto il suo dovere.
Inserisco anche un'immagine del PCB che avevo realizzato con diprace, tenete presente che il mio scopo era quello di sperimentare, e con questa convinzione in testa ho dimensionato i fori per i condensatori, gli induttori e il resistore di shunt, ergo abbondare è meglio che deficiere nella fase di sperimentazione. :mrgreen: Il diodo zener l'ho piazzato in un secondo tempo nella zampetta "collettore" di U4.

Grazie a Foto Utenteobiuan, non ho però capito cosa intendi con T5? :oops:

Ps: per può modificare il mio schema sopra, il ponte di Graetz è un CM2504.
Allegati
pcb_lm2576.jpg
Avatar utente
Foto Utentetuxology
165 1 6
New entry
New entry
 
Messaggi: 61
Iscritto il: 17 giu 2011, 11:16

0
voti

[17] Re: Alimentatore SFS - Switching From Scratch!

Messaggioda Foto Utenteobiuan » 24 giu 2014, 16:22

tuxology ha scritto:Grazie a Foto Utenteobiuan, non ho però capito cosa intendi con T5? :oops:


Nello schema di cui hai postato il lilnk, il transistor NPN che carica la capacità di gate del PMOS per spegnerlo si chiama T5...mi è piaciuta come soluzione :)
_______________________________________________________
Gli oscillatori non oscillano mai, gli amplificatori invece sempre

Io HO i poteri della supermucca, e ne vado fiero!
Avatar utente
Foto Utenteobiuan
5.894 3 10 13
Master
Master
 
Messaggi: 980
Iscritto il: 23 set 2013, 23:45

0
voti

[18] Re: Alimentatore SFS - Switching From Scratch!

Messaggioda Foto Utentetuxology » 24 giu 2014, 16:25

Ahh ok Obiuan, credevo ti riferissi a qualcosa nell'imagine che ho postato :-). Ciao e grazie di nuovo.
Avatar utente
Foto Utentetuxology
165 1 6
New entry
New entry
 
Messaggi: 61
Iscritto il: 17 giu 2011, 11:16

0
voti

[19] Re: Alimentatore SFS - Switching From Scratch!

Messaggioda Foto Utenteattila666 » 27 giu 2014, 8:22

Finita qui ? ?%
Avatar utente
Foto Utenteattila666
70 3
New entry
New entry
 
Messaggi: 84
Iscritto il: 23 giu 2014, 13:59

1
voti

[20] Re: Alimentatore SFS - Switching From Scratch!

Messaggioda Foto Utentetuxology » 27 giu 2014, 10:19

Ciao Attila, per quel che mi riguarda non è finita qui, solo come anticipato in un post precedente son sotto esami.
Come sei messo con l'autocostruzione? Hai saldatore, resistenze, capacità... oppure deciderai di prendere il tutto al momento debito?
Intanto, se vuoi prenderti avanti, potresti provare a recuperare qualche vecchio alimentatore switching per PC (atx). All'interno, in partcolare su quelli non troppo scadenti, trovi i nuclei toroidali che ci serviranno e che dovranno essere riavvolti.
Il colore del nucleo che intravederai attraverso le spire dovrà presentare i seguenti colori: giallo-bianco o verdino-blu .
Consiglio: dalle mie parti nei mercatini dell'usato se ne trovano parecchi per 2-3€; oltre ai nuclei ho recuperato ed utilizzato nel progetto anche il doppio diodo schottky Stps-xx.
Per capire com'è il nucleo vedi questa immagine:
http://www.google.com/imgres?imgurl=http%3A%2F%2Fwww.elma.it%2Ftesto%2Fali%2Fimages%2Fl1set.JPG&imgrefurl=http%3A%2F%2Fwww.techstation.it%2Fforum%2Fcase-alimentatori-e-periferiche%2F9559-lalimentatore-seconda-parte.html&h=489&w=500&tbnid=HmLMlX2pPIeS2M%3A&zoom=1&docid=6d8dOcNevpqIIM&ei=5yStU8C_F8ec0AXBpYGICw&tbm=isch&iact=rc&uact=3&dur=742&page=17&start=343&ndsp=30&ved=0CDsQMygzMDM4rAI tieni presente che se vorrai andare oltre ai 10A la sezione del nucleo deve essere tosta, prendi spunto dal nucleo posto in basso.
Scusami ma per il momento di più non posso fare.
Saluti,
Francesco.
Avatar utente
Foto Utentetuxology
165 1 6
New entry
New entry
 
Messaggi: 61
Iscritto il: 17 giu 2011, 11:16

PrecedenteProssimo

Torna a Crowd Design

Chi c’è in linea

Visitano il forum: Nessuno e 1 ospite