Cos'è ElectroYou | Login Iscriviti

ElectroYou - la comunità dei professionisti del mondo elettrico

Dimensionamento carico/condensatore convertitore AC/DC

Elettronica lineare e digitale: didattica ed applicazioni

Moderatori: Foto Utentecarloc, Foto Utenteg.schgor, Foto UtenteBrunoValente, Foto UtenteIsidoroKZ

0
voti

[1] Dimensionamento carico/condensatore convertitore AC/DC

Messaggioda Foto UtenteTerrybogard » 25 giu 2014, 11:36

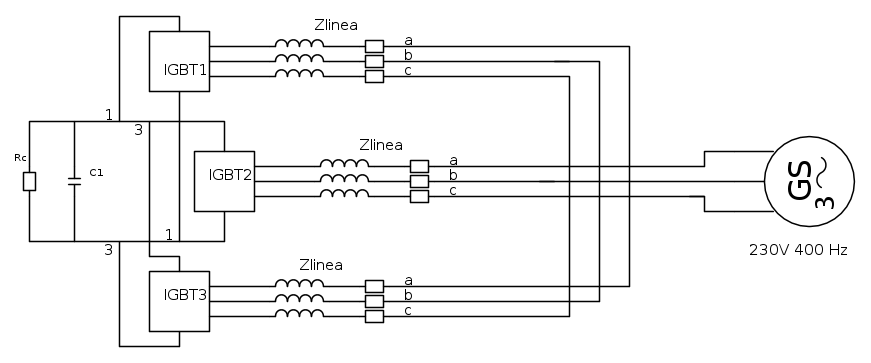
Salve a tutti. Ho a che fare con un convertitore bidirezionale,che possa teoricamente effettuare sia la conversione AC/DC che la conversione DC/AC. Io mi sto occupando della prima conversione,da alternata a continua.
Tale convertitore è costituito da 3 moduli di conversione a IGBT connessi in parallelo tra loro. L'alimentazione lato AC è trifase,230 V/400 V a 400 Hz. L'uscita,in DC, è a 630 V. Ovviamente ci sono delle tecniche di controllo per la generazione dei duty cycle per gli IGBT che permettono tale valore in uscita in DC (controllo in cascata tensione-corrente). La potenza che deve essere fornita al carico(puramente resistivo) deve essere pari a 90 kVA. In parallelo al carico è stato inserito una capacità di livellamento.
Avete qualche idea su come debba dimensione i valori della resistenza del carico e della capacità,avendo i 2 vincoli di potenza (90 kVA) e tensione (630 V DC)?
Vi posto il circuito (spero sia chiaro)

Nel circuito ci sono vari amperometri/voltmetri che ho omesso nel disegno. Grazie mille O_/
Avatar utente
Foto UtenteTerrybogard
5 1 3
 
Messaggi: 31
Iscritto il: 18 giu 2009, 10:01

0
voti

[2] Re: Dimensionamento carico/condensatore convertitore AC/DC

Messaggioda Foto UtenteTerrybogard » 25 giu 2014, 11:45

Rettifico:la tensione in uscita è 270 V (e non 630 V)
Avatar utente
Foto UtenteTerrybogard
5 1 3
 
Messaggi: 31
Iscritto il: 18 giu 2009, 10:01

0
voti

[3] Re: Dimensionamento carico/condensatore convertitore AC/DC

Messaggioda Foto Utentegill90 » 25 giu 2014, 12:48

Scusa ma credo di non capire... Cosa c'è esattamente dentro ognuno dei blocchi "IGBT"?
Avatar utente
Foto Utentegill90
4.146 3 7 12
G.Master EY
G.Master EY
 
Messaggi: 1134
Iscritto il: 1 set 2011, 16:18

0
voti

[4] Re: Dimensionamento carico/condensatore convertitore AC/DC

Messaggioda Foto UtenteTerrybogard » 25 giu 2014, 13:25

Vorrei inviarti il link dell'immagine perché su fidocadj non ci sono gli igbt...ma nn so se posso postarlo.Comunque in ogni blocco c'è uno schema a ponte con 6 igbt
Ultima modifica di Foto Utentemarco438 il 27 giu 2014, 16:22, modificato 1 volta in totale.
Motivazione: Eliminato quoting inutile.Usa il tasto rispondi.
Avatar utente
Foto UtenteTerrybogard
5 1 3
 
Messaggi: 31
Iscritto il: 18 giu 2009, 10:01

0
voti

[5] Re: Dimensionamento carico/condensatore convertitore AC/DC

Messaggioda Foto Utentegill90 » 25 giu 2014, 13:45

Ok, potevi anche fare lo schema con il simbolo dei BJT, basta capirci! Comunque non credo di capire perché ci sono 3 ponti identici che insistono sugli stessi nodi...
Avatar utente
Foto Utentegill90
4.146 3 7 12
G.Master EY
G.Master EY
 
Messaggi: 1134
Iscritto il: 1 set 2011, 16:18

0
voti

[6] Re: Dimensionamento carico/condensatore convertitore AC/DC

Messaggioda Foto UtenteTerrybogard » 25 giu 2014, 14:01


Ho messo i nomi alle 3 fasi...ora si capisce? I tre blocchi sono in parallelo. Dal disegno non si vedono i nodi.
Ultima modifica di Foto Utentemarco438 il 27 giu 2014, 16:23, modificato 1 volta in totale.
Motivazione: Eliminato quoting inutile.Usa il tasto rispondi.
Avatar utente
Foto UtenteTerrybogard
5 1 3
 
Messaggi: 31
Iscritto il: 18 giu 2009, 10:01

0
voti

[7] Re: Dimensionamento carico/condensatore convertitore AC/DC

Messaggioda Foto Utentegill90 » 25 giu 2014, 14:52

Terrybogard ha scritto:Dal disegno non si vedono i nodi.

Non è che non si vedono, non li hai messi. Le interconnessioni sono parte integrante di un circuito e sono importanti quanto le linee di connessione, se non ci sono si può solo andare per intuito e qualche volta si finisce per sbagliare. Per farle in FidoCadJ basta premere il pulsante C oppure cliccare su "connessione" nella barra di selezione in alto e piazzarle dove ti servono.
Ma quello che intendevo io era: perché hai tre blocchi in parallelo? Non te ne basta uno?
Avatar utente
Foto Utentegill90
4.146 3 7 12
G.Master EY
G.Master EY
 
Messaggi: 1134
Iscritto il: 1 set 2011, 16:18

0
voti

[8] Re: Dimensionamento carico/condensatore convertitore AC/DC

Messaggioda Foto UtenteTerrybogard » 25 giu 2014, 16:06


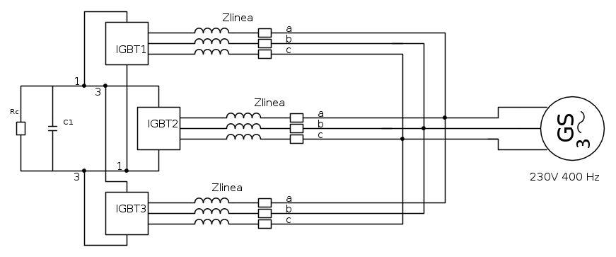
Va bene ora?
Sono in parallelo perché inizialmente tale schema era stato utilizzato per la conversione opposta a quella che ho detto prima (cioè era impostata per la conversione DC/AC,quindi funzionava da inverter). Al posto del carico c'era un generatore di tensione continua pari a 630 V. I blocchi sono 3 perché è stata effettuata una modulazione per il pilotaggio degli igbt,detta interleaved.
Io ora sto cercando,sempre partendo dallo schema inizale,di effettare la conversione opposta e quindi di far funzionare il sistema da raddrizzatore,partendo dai 230 V,400 Hz lato AC e ho determinati vincoli (potenza 90 kVA,tensione sul carico 630 V). Ma non so come dimensionare il valore del carico resistivo e della capacità di livellamento.
Ultima modifica di Foto Utentemarco438 il 27 giu 2014, 16:23, modificato 1 volta in totale.
Motivazione: Eliminato quoting inutile.Usa il tasto rispondi.
Avatar utente
Foto UtenteTerrybogard
5 1 3
 
Messaggi: 31
Iscritto il: 18 giu 2009, 10:01

0
voti

[9] Re: Dimensionamento carico/condensatore convertitore AC/DC

Messaggioda Foto Utentegill90 » 25 giu 2014, 16:34

Sì così va molto meglio. Non conoscevo la modulazione interleaved, ho provato a dare un'occhiata ma sinceramente viste le potenze in gioco non mi sento di azzardare nulla, anche perché non voglio rischiare. Però dovresti specificare anche per cosa lo utilizzi: nel carico cosa ci metti?

PS: Non citare l'intero messaggio, il tasto cita serve solo per mettere in evidenza certe porzioni di testo, quotarlo tutto non ha senso!
Avatar utente
Foto Utentegill90
4.146 3 7 12
G.Master EY
G.Master EY
 
Messaggi: 1134
Iscritto il: 1 set 2011, 16:18

0
voti

[10] Re: Dimensionamento carico/condensatore convertitore AC/DC

Messaggioda Foto UtenteTerrybogard » 25 giu 2014, 16:45

gill90 ha scritto:Però dovresti specificare anche per cosa lo utilizzi: nel carico cosa ci metti?


Riguarda un lavoro di tesi,semplicemente..effettuo simulazioni attraverso software (Simulink per l'esattezza).
Il carico si intende puramente resistivo.
Avatar utente
Foto UtenteTerrybogard
5 1 3
 
Messaggi: 31
Iscritto il: 18 giu 2009, 10:01


Torna a Elettronica generale

Chi c’è in linea

Visitano il forum: Nessuno e 216 ospiti