Salve,
dovrei utilizzare un demultiplexer per indirizzare un RS232 ad una opportuna porta e poi ricevere dati da quella stessa porta. L'indirizzamento avviene inviando un primo seriale (in particolare i primi 3 bit). Tutte le successive ricezioni dovranno provenire sempre dalla stessa porta fino a quando non si invierà un nuovo seriale che individua un nuovo indirizzo e quindi una nuova porta.
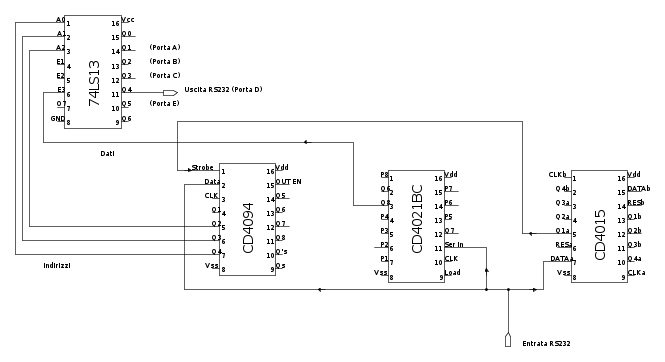
La soluzione schematizzata che ho pensato è quella sotto.
Il segnale rs232 proviene da un max 232 ed è quindi in formato TTL e viene mandato ai seguenti CI:
1) CD4094 per eliminare il bit di stop e utilizzare i primi 3 bit di dati come indirizzi da inviare al DeMUX
2) CD4021che funge da SISO, per ritardare il seriale in arrivo al DeMUX in modo da utilizzare i primi 3 bit di indirizzo e i 4 successivi come dato da inviare alla porta (richiesta dato)
3) CD4015 per poter generare uno strobe con il bit di start invertito. Lo strobe è normalmente basso e il CD4015 mantiene in uscita i livelli preimpostati. All'invio di un bit di start, si porta a livello alto impostando i livelli A0-2 dei bit di indirizzo e tornando poi basso. Gli indirizzi si mantengono così invariati fino ad un prossimo invio di un seriale dalla RS232/TTL
La soluzione sarà un po' cervellotica, ma secondo me dovrebbe funzionare.
Per quanto riguarda la gestione dello strobe ho trovato questa soluzione utilizzando il CD4015, perché non mi veniva in mente altro.
Mandare il segnale RS232/TTL in parallelo su 3 CI diversi per generare gli indirizzi, lo strobe e le i dati può creare problemi?
Uso di un DeMUX con una RS232
Moderatori:
carloc,
g.schgor,
BrunoValente,
IsidoroKZ
3 messaggi
• Pagina 1 di 1
0
voti
albertolgz ha scritto:Mandare il segnale RS232/TTL in parallelo su 3 CI diversi per generare gli indirizzi, lo strobe e le i dati può creare problemi?
Nel Test Circuit del Max232 viene impiegato come carico 3kohm ed una capacità di qualche nanofarad.
Immagino che 3 integrati TTL possano tranquillamente essere pilotati dal tuo RS232.
Ciao
Giorgio
-

giorgio25760
2.310 1 3 5 - G.Master EY

- Messaggi: 1700
- Iscritto il: 6 dic 2009, 17:02
- Località: Brescia
0
voti
Ho diverse perplessità:
- Non vedo un circuito di clock. La comunicazione seriale asincrona prevede sempre una temporizzazione.
- I segnali RS232 sono in formato NRZ (non return to zero). Come gestisci questa particolarità?
- Non vedo un circuito di clock. La comunicazione seriale asincrona prevede sempre una temporizzazione.
- I segnali RS232 sono in formato NRZ (non return to zero). Come gestisci questa particolarità?
"La follia sta nel fare sempre la stessa cosa aspettandosi risultati diversi".
"Parla soltanto quando sei sicuro che quello che dirai è più bello del silenzio".
Rispondere è cortesia, ma lasciare l'ultima parola ai cretini è arte.
"Parla soltanto quando sei sicuro che quello che dirai è più bello del silenzio".
Rispondere è cortesia, ma lasciare l'ultima parola ai cretini è arte.
-

TardoFreak
73,9k 8 12 13 - -EY Legend-

- Messaggi: 15754
- Iscritto il: 16 dic 2009, 11:10
- Località: Torino - 3° pianeta del Sistema Solare
3 messaggi
• Pagina 1 di 1
Chi c’è in linea
Visitano il forum: Google [Bot] e 141 ospiti

Elettrotecnica e non solo (admin)
Un gatto tra gli elettroni (IsidoroKZ)
Esperienza e simulazioni (g.schgor)
Moleskine di un idraulico (RenzoDF)
Il Blog di ElectroYou (webmaster)
Idee microcontrollate (TardoFreak)
PICcoli grandi PICMicro (Paolino)
Il blog elettrico di carloc (carloc)
DirtEYblooog (dirtydeeds)
Di tutto... un po' (jordan20)
AK47 (lillo)
Esperienze elettroniche (marco438)
Telecomunicazioni musicali (clavicordo)
Automazione ed Elettronica (gustavo)
Direttive per la sicurezza (ErnestoCappelletti)
EYnfo dall'Alaska (mir)
Apriamo il quadro! (attilio)
H7-25 (asdf)
Passione Elettrica (massimob)
Elettroni a spasso (guidob)
Bloguerra (guerra)
