Cos'è ElectroYou | Login Iscriviti

ElectroYou - la comunità dei professionisti del mondo elettrico

Convertire un intervallo di tensione in un altro.

Elettronica lineare e digitale: didattica ed applicazioni

Moderatori: Foto Utentecarloc, Foto Utenteg.schgor, Foto UtenteBrunoValente, Foto UtenteIsidoroKZ

1
voti

[11] Re: Convertire un intervallo di tensione in un altro.

Messaggioda Foto UtenteGuidoB » 30 giu 2014, 12:55

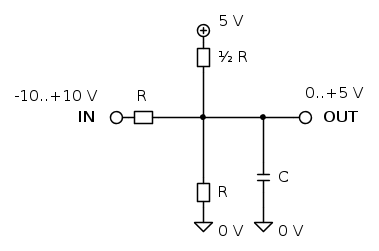
Uncledrive ha scritto:Il circuito A/D che utilizzo è una scheda della ELEXOL (https://www.elexol.com/IO24Accessories/Analog_To_Digital_IO_Board.php) che utilizza il processore MCP4922

In realtà nella scheda ELEXOL il convertitore A/D è un MCP3008, e il suo datasheet all'inizio della pag. 18 mostra il circuito d'ingresso del convertitore A/D.

L'impedenza durante il campionamento è di circa 1 kΩ quindi non è alta. Si può sopperire (penso) con un condensatore da inserire nel circuito di condizionamento. Con R = 100 kΩ potrebbe andar bene C = 100 nF poliestere:

Tuttavia questo condensatore ha un effetto passa-basso che, se impercettibile per visualizzare o memorizzare la coppia del motore, potrebbe introdurre instabilità se inserito in un circuito di retroazione.

La soluzione alternativa è utilizzare un operazionale per abbassare l'impedenza d'uscita del circuito di condizionamento, come già visto.

Uncledrive ha scritto:se dovessi fare una cosa simile:

Quando l'ingresso è positivo (0;+10) lo riduco a (0;5) e lo invio ad un canale A/D della scheda.
Quando l'ingresso è negativo (-10;0) lo inverto, lo riduco (0;5) e lo invio ad un altro canale A/D della stessa scheda!

E' fattibile far discriminare al circuito?

Io una cosa del genere la eviterei, rischi di introdurre non-linearità nell'intorno dello 0, differenze di amplificazione tra valori positivi e negativi, complessità nel software di gestione.

Se vuoi proteggere l'uscita dell'azionamento del motore da eventuali sovraccarichi potresti inserire un operazionale a guadagno unitario, ma hai bisogno di alimentarlo con tensione duale superiore a +/- 10 V.

Ma un'uscita che si rispetti, con un carico di 100 kΩ non dovrebbe avere nessun problema. Io la collegherei direttamente. Ogni stadio intermedio è un'inutile complicazione.
Big fan of ƎlectroYou!       Ausili per disabili e anziani su ƎlectroYou
Caratteri utili: À È É Ì Ò Ó Ù α β γ δ ε η θ λ μ π ρ σ τ φ ω Ω º ª ² ³ √ ∛ ∜ ₀ ₁ ₂ ₃ ₄ ₅ ₆ ∃ ∄ ∆ ∈ ∉ ± ∓ ∾ ≃ ≈ ≠ ≤ ≥
Avatar utente
Foto UtenteGuidoB
17,8k 7 12 13
G.Master EY
G.Master EY
 
Messaggi: 2811
Iscritto il: 3 mar 2011, 16:48
Località: Madrid

1
voti

[12] Re: Convertire un intervallo di tensione in un altro.

Messaggioda Foto UtenteUncledrive » 1 lug 2014, 10:28

Ok siamo giunti al termine, Innanzi tutto grazie a tutti per la collaborazione quindi, come promesso, allego schema e spiegazione di cosa ho prodotto.

Attendo considerazioni soprattutto se negative.

@GuidoB.
GuidoB ha scritto:In realtà nella scheda ELEXOL il convertitore A/D è un MCP3008, e il suo datasheet all'inizio della pag. 18 mostra il circuito d'ingresso del convertitore A/D.

Hai ragione mi sono confuso con il convertitore D/A. #-o

GuidoB ha scritto:Io una cosa del genere la eviterei, rischi di introdurre non-linearità nell'intorno dello 0, differenze di amplificazione tra valori positivi e negativi, complessità nel software di gestione.

Ovviamente hai ragione anche qui ma in realtà a me interessa memorizzare solo i picchi massimi di coppia del motore quindi le variazioni nell'intorno dello zero penso di poterle ignorare.

Tenuto fermo che il mio scopo ultimo è quello di conoscere il picco di coppia massima in apertura del motore ed il picco di coppia massima in chiusura del motore,
la divisione nei due canali mi permetterebbe di discriminare quando il motore apre e quando chiude pur avendo sempre e solo una tensione 0;+5 V.

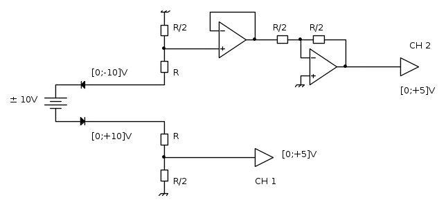
Il circuito che avrei progettato è il seguente:


I due diodi in ingresso mi discriminano le due tensioni 0;-10 e 0;+10
Il ramo 0;-+10 lo ripartisco semplicemente e lo mando al canale 1 del convertitore A/D
Il ramo -10;0 lo ripartisco, il voltage follower mi serve per fare in modo che l'impedenza vista dall'amplificatore Invertente sia nulla così da dimensionare le resistenze
in modo semplice e sicuro per farlo amplificare (-1).
L'ultimo stadio mi raddrizza la tensione tra 0;+5 e invia il segnale al canale 2 del convertitore A/D.

Questo è quanto.
Pensavo di mettere resistenze nell'ordine di R = 10 kohm.

Grazie ancora a tutti e se secondo voi ho sbagliato qualcosa please don't hesitate.

Ciao
Ultima modifica di Foto UtenteUncledrive il 1 lug 2014, 10:29, modificato 1 volta in totale.
Avatar utente
Foto UtenteUncledrive
10 3
 
Messaggi: 9
Iscritto il: 29 giu 2014, 11:16

0
voti

[13] Re: Convertire un intervallo di tensione in un altro.

Messaggioda Foto UtenteWALTERmwp » 1 lug 2014, 10:29

... calma, calma ... dovrebbe essere sufficiente procedere cosi':
1)in FidoCad (eventualmente tramite menu "tendina") selezioni tutto,
2)sempre tramite menu "tendina" selezioni "copia",
3)"entri" nello spazio della risposta al messaggio e selezioni fcd (come avrai gia' fatto),
4)quindi, all'interno della chiave di interpretazione, provi direttamente con "ctrl-V".

Saluti
W - U.H.F.
Avatar utente
Foto UtenteWALTERmwp
30,2k 4 8 13
G.Master EY
G.Master EY
 
Messaggi: 8990
Iscritto il: 17 lug 2010, 18:42
Località: le 4 del mattino

0
voti

[14] Re: Convertire un intervallo di tensione in un altro.

Messaggioda Foto UtenteGuidoB » 2 lug 2014, 19:11

Uncledrive ha scritto:Grazie ancora a tutti e se secondo voi ho sbagliato qualcosa please don't hesitate.
Ciao

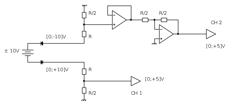
Mah, intanto i diodi dovrebbero collegarsi allo stesso morsetto del generatore.

Però i diodi reali presentano una caduta di tensione che dipende non linearmente dalla corrente, e ha anche una dipendenza dalla temperatura. Ti falsano la misura.

L'operazionale usato come voltage follower ha bisogno di alimentazione negativa, ma
Uncledrive ha scritto:purtroppo non ho a disposizione l'alimentazione duale per l'Amplificatore Operazionale.


Scusa la schiettezza, ma secondo me da quel circuito non tiri fuori nulla di buono.
Big fan of ƎlectroYou!       Ausili per disabili e anziani su ƎlectroYou
Caratteri utili: À È É Ì Ò Ó Ù α β γ δ ε η θ λ μ π ρ σ τ φ ω Ω º ª ² ³ √ ∛ ∜ ₀ ₁ ₂ ₃ ₄ ₅ ₆ ∃ ∄ ∆ ∈ ∉ ± ∓ ∾ ≃ ≈ ≠ ≤ ≥
Avatar utente
Foto UtenteGuidoB
17,8k 7 12 13
G.Master EY
G.Master EY
 
Messaggi: 2811
Iscritto il: 3 mar 2011, 16:48
Località: Madrid

0
voti

[15] Re: Convertire un intervallo di tensione in un altro.

Messaggioda Foto UtenteUncledrive » 3 lug 2014, 10:45

GuidoB ha scritto:Scusa la schiettezza, ma secondo me da quel circuito non tiri fuori nulla di buono.

Ma come 'Scusa', ti ho chiesto io di essere sincero, ... io sono il 'Newbie' voi gli esperti. Sii pure schietto, altrimenti nn arrivo da nessuna parte.

GuidoB ha scritto:Mah, intanto i diodi dovrebbero collegarsi allo stesso morsetto del generatore.

Mio errore nello schema, nella realtà l'ho collegato giusto (giuro) ;-)

GuidoB ha scritto:L'operazionale usato come voltage follower ha bisogno di alimentazione negativa, ma

Si l'ho scoperto a mie spese infatti ho dovuto toglierlo dal circuito e ricalcolare le resistenze per avere amplificazione unitaria :P

GuidoB ha scritto:Però i diodi reali presentano una caduta di tensione che dipende non linearmente dalla corrente, e ha anche una dipendenza dalla temperatura. Ti falsano la misura.

A questo invece nn avevo pensato quindi sono punto a capo. Shit!

Pensi che non sia proprio fattibile (in modo lineare) separare la tensione negativa da quella positiva per inviarla in 2 canali diversi del convertitore A/D?
Avatar utente
Foto UtenteUncledrive
10 3
 
Messaggi: 9
Iscritto il: 29 giu 2014, 11:16

0
voti

[16] Re: Convertire un intervallo di tensione in un altro.

Messaggioda Foto UtenteGuidoB » 3 lug 2014, 16:37

Uncledrive ha scritto:Pensi che non sia proprio fattibile (in modo lineare) separare la tensione negativa da quella positiva per inviarla in 2 canali diversi del convertitore A/D?

Dovrebbe essere fattibile utilizzando dei raddrizzatori di precisione.

Però complichi ulteriormente il circuito. Poi devi fare attenzione che le tensioni sugli ingressi degli operazionali non scendano sotto 0 (avendo questi solo alimentazione positiva), utilizzare operazionali che accettino tensione 0 in ingresso e abbiano uscite rail-to-rail.

Probabilmente dovrai aggiungere qualche trimmer per regolare le amplificazioni e compensare gli offset di tensione e corrente degli ingressi degli operazionali.

Io prima proverei col circuito del post 11...
Big fan of ƎlectroYou!       Ausili per disabili e anziani su ƎlectroYou
Caratteri utili: À È É Ì Ò Ó Ù α β γ δ ε η θ λ μ π ρ σ τ φ ω Ω º ª ² ³ √ ∛ ∜ ₀ ₁ ₂ ₃ ₄ ₅ ₆ ∃ ∄ ∆ ∈ ∉ ± ∓ ∾ ≃ ≈ ≠ ≤ ≥
Avatar utente
Foto UtenteGuidoB
17,8k 7 12 13
G.Master EY
G.Master EY
 
Messaggi: 2811
Iscritto il: 3 mar 2011, 16:48
Località: Madrid

Precedente

Torna a Elettronica generale

Chi c’è in linea

Visitano il forum: Nessuno e 135 ospiti