davideAg ha scritto:... Come faresti con falsa posizione?...
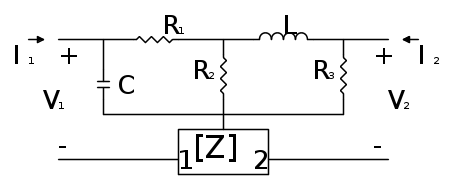
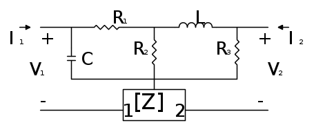
Sostituito il tripolo inferiore con la sua rappresentazione a T, per calcolare per esempio Z11 andrei a ipotizzare una corrente unitaria in R3 e quindi, risalendo alla tensione V1 e alla corrente I1 alla porta sinistra, calcolerei Z11 dal loro rapporto.
davideAg ha scritto:... A me risulta un espressione che è funzione di s ma una cosa esageratamente lunga

...
Corta corta, non viene di certo, ma se non ce la fai vedere, un parere non possiamo di certo dartelo.
davideAg ha scritto:... Ma va be se fisso una falsa tensione o corrente e imposto un coefficiente k che mi consente di riscalare le quantità di V,I non so come fare per trovare il k ...
In questo caso k non serve, visto che ci interessa solo
un rapporto.
davideAg ha scritto:... BTW I teoremi di Millman e falsa posizione non erano oggetto del corso di elettrotecnica (parlo sempre di Teoria dei Circuiti)

...
Beh, non occorre mica chiamarli per nome, Millman è spacciabile per media pesata dei potenziali dei nodi adiacenti usando come pesi le ammettenze, ma può altresì essere visto come un Norton generalizzato; la falsa posizione poi non è altro che una conseguenza della linearità e quindi possiamo fare a meno di fare riferimento sia a Fibonacci che ad Ahmes.
