Situazione attuale:
trafo 400kVA
quadro BT con
- "generale reparti produzione" con a valle interruttore alimentante un quadro di commutazione rete/gruppo per pompe antincendio 1 e 5
- linea pompe antincendio per pompe 2 - 3 - 4
Vorrei spostare la linea di alimentazione del quadro di commutazione direttamente sotto il trafo, per ottenere questa configurazione:
- "generale reparti produzione"
- linea pompe antincendio per pompe 2 e 3 e 4
- linea quadro commutazione con Gruppo El. per pompe antincendio 1 e 5
Le domande sono:
1. è necessario un unico generale per l'alimentazione dei gruppi di pompe antincendio?
2. posso avere tre interruttori in parallelo a valle del trafo? (altrimenti devo aggiungerne uno e non ho spazio...)
Tre interruttori in parallelo a valle di un trafo
Moderatori:
sebago,
MASSIMO-G,
lillo,
Mike
5 messaggi
• Pagina 1 di 1
0
voti
sottobosco ha scritto:1. è necessario un unico generale per l'alimentazione dei gruppi di pompe antincendio?
Non ho ben capito la configurazione, ci vorrebbe una bozza di schema, ad ogni modo c'è un problema di selettività, 5 gruppi di pressurizzazione non è robetta, credo che il rischio di incendio sia elevato in quell'attività. Ad ogni modo sono considerazioni progettuali, puoi anche avere una linea unica che alimenta (in derivazione) i 5 gruppi di pressurizzazione, l'importante è che sia a monte dell'interruttore generale, ovvero di quello che viene sganciato in caso d'incendio.
sottobosco ha scritto:2. posso avere tre interruttori in parallelo a valle del trafo? (altrimenti devo aggiungerne uno e non ho spazio...)
Ma anche 100. L'importante è garantire la protezione dalle sovracorrenti del secondario, non superando la somma delle termiche dei circuiti a valle, oppure dalla protezione in MT.
--
Michele Lysander Guetta
--
"Non pensare mai al dolore, al pericolo o ai nemici un momento più lungo del necessario per combatterli." — Ayn Rand
Michele Lysander Guetta
--
"Non pensare mai al dolore, al pericolo o ai nemici un momento più lungo del necessario per combatterli." — Ayn Rand
-

Mike
55,6k 7 10 12 - G.Master EY

- Messaggi: 17005
- Iscritto il: 1 ott 2004, 18:25
- Località: Conegliano (TV)
0
voti
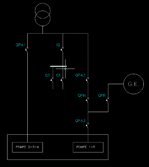
Spiego meglio la situazione:
pompa 1 idranti
pompa 2 sprinkler
pompa 3 joker
pompa 4 idranti
pompa 5 sprinkler
Ecco la configurazione elettrica attuale :
le pompe 2-3-4 sono alimentate direttamente sotto il trafo
le pompe 1-5 sono sotto un interruttore generale di fabbrica, con possibilità di essere alimentate da un gruppo diesel.
La configurazione a cui si vorrebbe arrivare è la seguente:
con tutte le 5 pompe alimentate sotto il trafo.
C'è qualche cosa nella nuova configurazione che vi suona male?
D'accordo la verifica delle protezioni da sovracorrente a valle del trafo....
pompa 1 idranti
pompa 2 sprinkler
pompa 3 joker
pompa 4 idranti
pompa 5 sprinkler
Ecco la configurazione elettrica attuale :
le pompe 2-3-4 sono alimentate direttamente sotto il trafo
le pompe 1-5 sono sotto un interruttore generale di fabbrica, con possibilità di essere alimentate da un gruppo diesel.
La configurazione a cui si vorrebbe arrivare è la seguente:
con tutte le 5 pompe alimentate sotto il trafo.
C'è qualche cosa nella nuova configurazione che vi suona male?
D'accordo la verifica delle protezioni da sovracorrente a valle del trafo....
Ultima modifica di
lillo il 4 lug 2014, 11:54, modificato 1 volta in totale.
Motivazione: Ridimensionate immagini a 640 x 480 px.
Motivazione: Ridimensionate immagini a 640 x 480 px.
-

sottobosco
5 4 - New entry

- Messaggi: 94
- Iscritto il: 30 nov 2012, 12:17
0
voti
La configurazione rete futura va bene, è quella attuale sbagliata. Da verificare che QPA1 e QPA2 proteggano la conduttura solo dal cortocircuito e siano selettivi rispetto ai quadri bordo macchina delle pompe. L'interruttore QAP3 lo trovo in più non ne capisco la funzione. QFN e QFR possono essere anche dei semplici sezionatori sottocarico o contattori, se magnetotermici vale il ragionamento di cui sopra.
--
Michele Lysander Guetta
--
"Non pensare mai al dolore, al pericolo o ai nemici un momento più lungo del necessario per combatterli." — Ayn Rand
Michele Lysander Guetta
--
"Non pensare mai al dolore, al pericolo o ai nemici un momento più lungo del necessario per combatterli." — Ayn Rand
-

Mike
55,6k 7 10 12 - G.Master EY

- Messaggi: 17005
- Iscritto il: 1 ott 2004, 18:25
- Località: Conegliano (TV)
0
voti
Mike ha scritto:La configurazione rete futura va bene, è quella attuale sbagliata.
Più che d'accordo, è il motivo della mia proposta di rivedere la configurazione...
Mike ha scritto:Da verificare che QPA1 e QPA2 proteggano la conduttura solo dal cortocircuito e siano selettivi rispetto ai quadri bordo macchina delle pompe.
La protezione è per solo cortocircuito, mentre il quadro unico delle pompe è inguardabile!! Prossima proposta sarà l'adeguamento alla normativa attuale!
Mike ha scritto:L'interruttore QAP3 lo trovo in più non ne capisco la funzione.
E' già presente, diciamo che è un sezionamento da unica manovra verso il locale pompe (per la parte riguardante le pompe 1-5).
Mike ha scritto:QFN e QFR possono essere anche dei semplici sezionatori sottocarico o contattori, se magnetotermici vale il ragionamento di cui sopra.
Sono interruttori non automatici con comando motorizzato al mancare/ripristino dell'energia elettrica.
-

sottobosco
5 4 - New entry

- Messaggi: 94
- Iscritto il: 30 nov 2012, 12:17
5 messaggi
• Pagina 1 di 1
Torna a Impianti, sicurezza e quadristica
Chi c’è in linea
Visitano il forum: Google Adsense [Bot] e 114 ospiti

Elettrotecnica e non solo (admin)
Un gatto tra gli elettroni (IsidoroKZ)
Esperienza e simulazioni (g.schgor)
Moleskine di un idraulico (RenzoDF)
Il Blog di ElectroYou (webmaster)
Idee microcontrollate (TardoFreak)
PICcoli grandi PICMicro (Paolino)
Il blog elettrico di carloc (carloc)
DirtEYblooog (dirtydeeds)
Di tutto... un po' (jordan20)
AK47 (lillo)
Esperienze elettroniche (marco438)
Telecomunicazioni musicali (clavicordo)
Automazione ed Elettronica (gustavo)
Direttive per la sicurezza (ErnestoCappelletti)
EYnfo dall'Alaska (mir)
Apriamo il quadro! (attilio)
H7-25 (asdf)
Passione Elettrica (massimob)
Elettroni a spasso (guidob)
Bloguerra (guerra)