Dispositivi schema unifilare
Moderatori:
sebago,
MASSIMO-G,
lillo,
Mike
9 messaggi
• Pagina 1 di 1
0
voti
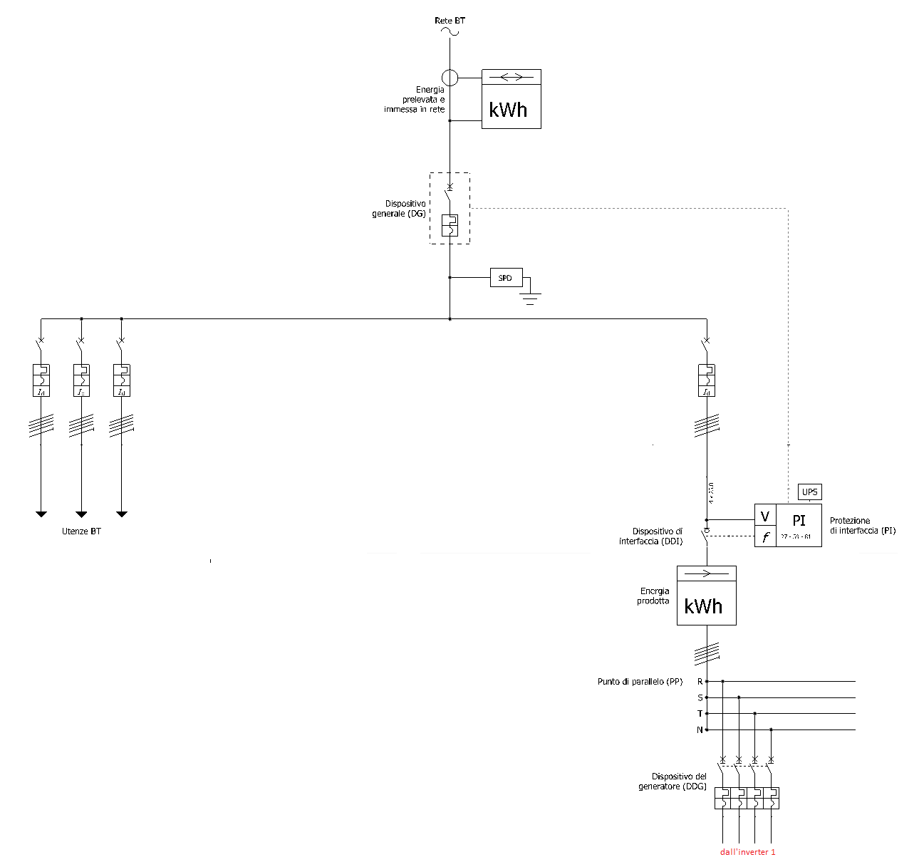
ciao a tutti, ho eseguito uno schema unifilare di impianto fotovoltaico (49 kWp). posto due allegati con i disegni per chi volesse rendere migliorabile il layout. ho riportato solo un inverter invece dei tre previsti per motivi di spazio. qualche consiglio?
-

vombato
- Messaggi: 36
- Iscritto il: 20 mar 2013, 17:09
0
voti
Mi sfugge la logica di rappresentare un solo inverter al posto dei tre realmente presenti.
A questo punto tanto varrebbe prendere uno schema qualsiasi ed utilizzare quello...
Inoltre a me non pare tanto "unifilare" come schema. E' un ibrido che ti complica la vita senza aggiungere alcuna informazione utile a quello che farebbe un "unifilare vero".

A questo punto tanto varrebbe prendere uno schema qualsiasi ed utilizzare quello...
Inoltre a me non pare tanto "unifilare" come schema. E' un ibrido che ti complica la vita senza aggiungere alcuna informazione utile a quello che farebbe un "unifilare vero".

-

Giovepluvio
5.978 3 6 10 - G.Master EY

- Messaggi: 2947
- Iscritto il: 21 dic 2010, 1:10
- Località: Mantova
0
voti
la mancanza degli altri inverter è avvenuta per motivi di spazio (qui ovviamente, il disegno ufficiale li contiene). preciso che non è un progetto ufficiale bensì accademico
-

vombato
- Messaggi: 36
- Iscritto il: 20 mar 2013, 17:09
0
voti
Utilizzare il DG dell'impianto come dispositivo di interfaccia è una sciocchezza. Ad ogni intervento del rele di interfaccia (e gli interventi sono molto più frequenti di quello che puoi pensare) avresti tutto l'impianto (utenze passive comprese) fuori servizio.
E' inaccettabile.
Anche l'idea di utilizzare un interruttore come DDI non è furbissima. A meno di non motorizzarlo. Ma per potenze come queste economicamente non ha senso (in confronto ad un contattore).

E' inaccettabile.
Anche l'idea di utilizzare un interruttore come DDI non è furbissima. A meno di non motorizzarlo. Ma per potenze come queste economicamente non ha senso (in confronto ad un contattore).

-

Giovepluvio
5.978 3 6 10 - G.Master EY

- Messaggi: 2947
- Iscritto il: 21 dic 2010, 1:10
- Località: Mantova
0
voti
andrebbe quindi messo un contattore come DDI? ne potrei aggiungere anche un secondo come rincalzo al DDI? se non ricordo male la norma prevede un rincalzo al DDI per potenze > 20 kWp
-

vombato
- Messaggi: 36
- Iscritto il: 20 mar 2013, 17:09
0
voti
Nel lato d.c. userei sezionatori/fusibili per risparmiare.
Gli automatici non hanno molto senso
Gli automatici non hanno molto senso
La saggezza non può essere trasmessa. La saggezza che un saggio tenta di trasmettere suona sempre simile alla follia.
Hermann Hesse - Siddharta
Hermann Hesse - Siddharta
0
voti
da un progetto reperito su web:
DDI esterno: contattore;
Quadro generale: ingresso interruttore magnetotermico, uscita con SPD e interruttore magnetotermico;
Quadro fotovoltaico: ingresso interruttore magnetotermico, uscita interruttore magnetotermico differenziale;
Quadri di campo: ingresso interruttore magnetotermico e SPD presente, uscita interruttore magnetotermico.
a parte i costi che ne dite?
DDI esterno: contattore;
Quadro generale: ingresso interruttore magnetotermico, uscita con SPD e interruttore magnetotermico;
Quadro fotovoltaico: ingresso interruttore magnetotermico, uscita interruttore magnetotermico differenziale;
Quadri di campo: ingresso interruttore magnetotermico e SPD presente, uscita interruttore magnetotermico.
a parte i costi che ne dite?
-

vombato
- Messaggi: 36
- Iscritto il: 20 mar 2013, 17:09
0
voti
Mi accorgo ora che sul DG c'è il rincalzo e non il primo comando del rele. Così potrebbe anche essere accettabile.
Il discorso sul contattore rimane comunque valido. Usare un IMS impone all'utente il riarmo manuale. Non ha senso.
Per il resto non c'è una soluzione giusta ed una sbagliata. Pensa a cosa devi fare e ragiona di conseguenza.
Il discorso sul contattore rimane comunque valido. Usare un IMS impone all'utente il riarmo manuale. Non ha senso.
Per il resto non c'è una soluzione giusta ed una sbagliata. Pensa a cosa devi fare e ragiona di conseguenza.
-

Giovepluvio
5.978 3 6 10 - G.Master EY

- Messaggi: 2947
- Iscritto il: 21 dic 2010, 1:10
- Località: Mantova
9 messaggi
• Pagina 1 di 1
Torna a Impianti, sicurezza e quadristica
Chi c’è in linea
Visitano il forum: Nessuno e 182 ospiti

Elettrotecnica e non solo (admin)
Un gatto tra gli elettroni (IsidoroKZ)
Esperienza e simulazioni (g.schgor)
Moleskine di un idraulico (RenzoDF)
Il Blog di ElectroYou (webmaster)
Idee microcontrollate (TardoFreak)
PICcoli grandi PICMicro (Paolino)
Il blog elettrico di carloc (carloc)
DirtEYblooog (dirtydeeds)
Di tutto... un po' (jordan20)
AK47 (lillo)
Esperienze elettroniche (marco438)
Telecomunicazioni musicali (clavicordo)
Automazione ed Elettronica (gustavo)
Direttive per la sicurezza (ErnestoCappelletti)
EYnfo dall'Alaska (mir)
Apriamo il quadro! (attilio)
H7-25 (asdf)
Passione Elettrica (massimob)
Elettroni a spasso (guidob)
Bloguerra (guerra)


