Salve a tutti sono un autodidatta molto inesperto e quindi chiedo preventivamente scusa per eventuali errori grossolani. Sto cercando di capire come funzionano gli amplificatori operazionali e fare un semplice circuito con LM358.
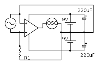
Ho inizialmente costruito questo:
con R1=10k e R2=33k e in entrata un'onda sinusoidale 1Vp-p; mi sarei aspettato sull'oscilloscopio un'onda di circa 1.3Vp-p ma invece compariva un onda quadra (che poi ho scoperto essere la sinusoide tagliata) molto intensa (15Vp-p).
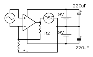
Ho fatto varie modifiche e alla fine ho trovato una (l'unica) configurazione che mi rendeva effettivamente la forma del mio segnale ma sinceramente non h capito il perché dato che su internet avevo trovato tutti circuiti come il precedente (eccetto che era presente una terra e non delle batterie). Inoltre ho notato che la R2 non influiva assolutamente sull'uscita e che il guadagno era di x1000 (segnale sinusoidale 13mVp-p mi generavano 13Vp-p sull'oscilloscopio). Ecco il circuito a cui mi riferisco.
Adesso vi vorrei chiedere se sapreste dirmi ve sbaglio? nella configurazione, nell'alimentazione o nel prendere la misura?
Grazie mille!! Theiden
OPAMP per non addetto ai lavori
Moderatori:
carloc,
g.schgor,
BrunoValente,
IsidoroKZ
5 messaggi
• Pagina 1 di 1
1
voti
2
voti
Ciao
theiden.
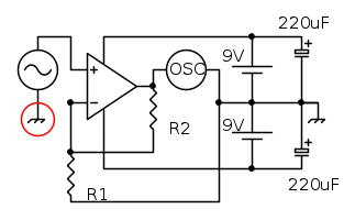
Per far funzionare Il primo circuito occorre modificarlo nel seguente modo, vedi cerchio rosso:
In questo modo si ha ( operazionale in configurazione non invertente ):

Nel tuo schema il segnale è entrante tra i due ingressi il che porta l' amplificazione al valore massimo, quindi vedi l'uscita in saturazione ( onda quadra in uscita con ingresso sinusoidale ).
Anche nel secondo circuito senza la resistenza R2 l' OPAMP ha una amplificazione di valore massimo data dalle sue caratteristiche.
Inoltre metterei due condensatori da 100kpF collegati tra la massa e i piedini di alimentazione dell' OPAMP.
Per far funzionare Il primo circuito occorre modificarlo nel seguente modo, vedi cerchio rosso:
In questo modo si ha ( operazionale in configurazione non invertente ):

Nel tuo schema il segnale è entrante tra i due ingressi il che porta l' amplificazione al valore massimo, quindi vedi l'uscita in saturazione ( onda quadra in uscita con ingresso sinusoidale ).
Anche nel secondo circuito senza la resistenza R2 l' OPAMP ha una amplificazione di valore massimo data dalle sue caratteristiche.
Inoltre metterei due condensatori da 100kpF collegati tra la massa e i piedini di alimentazione dell' OPAMP.
2
voti
no vabbè grazie mille, ho provato e funziona! In pratica quindi la massa deve essere comune e il segnale deve andare su un solo ingresso.
Di nuovo grazie, mi rendo conto che può sembrare una domanda stupida ma non avevo mai usato questo componente
ora proverò a collegare il tutto ad arduino anche se non saprei come gestire un segnale con un alimentazione singola (arduino = 0-5V) senza eliminare i segnali negativi, farò una bella ricerca :)
Di nuovo grazie, mi rendo conto che può sembrare una domanda stupida ma non avevo mai usato questo componente
ora proverò a collegare il tutto ad arduino anche se non saprei come gestire un segnale con un alimentazione singola (arduino = 0-5V) senza eliminare i segnali negativi, farò una bella ricerca :)
0
voti
Ciao
theiden,
Ti sei presentato adeguatamente, hai esposto il tuo dubbio usando i tool giusti, ed hai dimostrato grande umiltà.
Ci tengo a darti il benvenuto nel Forum a nome di tutto il team.
A rileggerci, ciao!
Ti sei presentato adeguatamente, hai esposto il tuo dubbio usando i tool giusti, ed hai dimostrato grande umiltà.
Ci tengo a darti il benvenuto nel Forum a nome di tutto il team.
A rileggerci, ciao!
Alberto.
3
voti
1 - non entra corrente negli ingressi
2 - l'operazionale fa tutto quello che può con l'uscita per portare gli ingressi allo stesso potenziale
La regola 1 è giustificata dal fatto che una corrente negli ingressi ci entra, ma è piccola piccola. La regola 2 formulata in questo modo suggerisce il fatto che l'operazionale funziona quando c'è una controreazione. Ovvero, bisogna fare in modo che l'uscita possa in qualche modo influenzare l'ingresso. Ora l'amplificatore operazionale di per sé è molto stupido, ovvero misura una tensione tra gli ingressi + e -, la amplifica di un certo valore A e (se può) la sbatte in uscita. La regola 2 è un po' idealizzata e viene fuori dal fatto che se A è molto grande, in pratica per avere valori sull'uscita ragionevoli, la differenza di tensione tra i due ingressi deve essere molto molto piccola. Questo secondo modo di vedere le cose ci fa capire anche la differenza tra l'ingresso + e -, che non possono essere scambiati (altrimenti la reazione tende ad aumentare la differenza fino a che il circuito finisce per saturare).
Spesso si riprende un circuito ad operazionali e lo si ridisegna senza rappresentare le alimentazioni. Queste sono molto importanti per avere un circuito che funziona e sono pure un'eterna sorgente di confusione presso i principianti. Prendiamo questo circuito, un amplificatore invertente, che ho disegnato un po' nel tuo stile:
Diventa più facile applicare le regole 1 e 2 se l'alimentazione viene sottintesa, come qui di seguito:
Riesci a calcolare qual è la relazione tra la tensione di ingresso e quella di uscita utilizzando unicamente le regole 1 e 2 e le leggi di base dell'analisi dei circuiti?
a) quanto vale la tensione nel nodo A?
b) se conosci la tensione in ingresso imposta dal generatore, quanto deve valere la tensione in uscita perché in A la tensione sia quella determinata nel punto precedente?
Puoi anche prendere il circuito suggerito da
Follow me on Mastodon: @davbucci@mastodon.sdf.org
-

DarwinNE
31,0k 7 11 13 - G.Master EY

- Messaggi: 4420
- Iscritto il: 18 apr 2010, 9:32
- Località: Grenoble - France
5 messaggi
• Pagina 1 di 1
Chi c’è in linea
Visitano il forum: Nessuno e 139 ospiti

Elettrotecnica e non solo (admin)
Un gatto tra gli elettroni (IsidoroKZ)
Esperienza e simulazioni (g.schgor)
Moleskine di un idraulico (RenzoDF)
Il Blog di ElectroYou (webmaster)
Idee microcontrollate (TardoFreak)
PICcoli grandi PICMicro (Paolino)
Il blog elettrico di carloc (carloc)
DirtEYblooog (dirtydeeds)
Di tutto... un po' (jordan20)
AK47 (lillo)
Esperienze elettroniche (marco438)
Telecomunicazioni musicali (clavicordo)
Automazione ed Elettronica (gustavo)
Direttive per la sicurezza (ErnestoCappelletti)
EYnfo dall'Alaska (mir)
Apriamo il quadro! (attilio)
H7-25 (asdf)
Passione Elettrica (massimob)
Elettroni a spasso (guidob)
Bloguerra (guerra)







