Buongiorno a tutti. Ultimamente ho ripreso la materia per dare una mano a mio fratello che ,se possibile, è più negato di me con l'elettrotecnica.
Oggi mi ha portato questo esercizio e devo ammettere che al momento non ci sto capendo granchè.
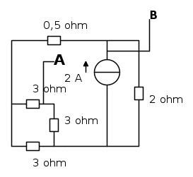
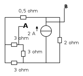
Devo determinare l’equivalente di Thevenin, tra i terminali A(+) e B(-) in particolare trovare la tensione e la resistenza equivalente e poi devo determinare la costante di tempo del circuito supponendo i terminali A e B collegati da un condensatore da 100μF.
Essendoci un generatore indipendente di corrente nella ricerca della resistenza equivalente dovrei se ricordo bene sostituirlo con un circuito aperto mentre se avessi avuto un generatore indipendente di tensione avrei dovuto considerare un cortocircuito giusto?
Ebbene se non mi sono bevuto il cervello le 3 resistenze da 3 ohm mi sembrano in serie facendo 9 ohm. e già qui non ci siamo dato che con quel 9 e i restanti dati non mi verrà mai il risultato che dovrebbe essere 2 ohm.
Non trovando la resistenza equivalente di conseguenza non riesco a lavorare sugli altri due punti.
Se ci fosse qualche anima pia disposta a darmi una mano...
Edit:
La resistenza da 0,5 ohm l'ho ricavata io in quanto il testo originario riportava 2 S quindi parlava di conduttanza che sempre se non mi sono bevuto il cervello passando a resistenza dovrebbe essere R = 1/G = 1/2 Ohm.
Esercizio teorema di Thevenin
Moderatori:
g.schgor,
IsidoroKZ
7 messaggi
• Pagina 1 di 1
0
voti
Nel considerare le 3 resistenze in serie o nel calcolo della resistenza dalla conduttanza? O tutte e due?
0
voti
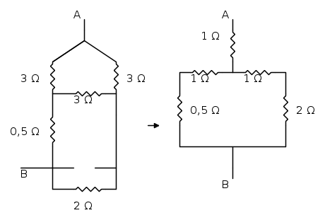
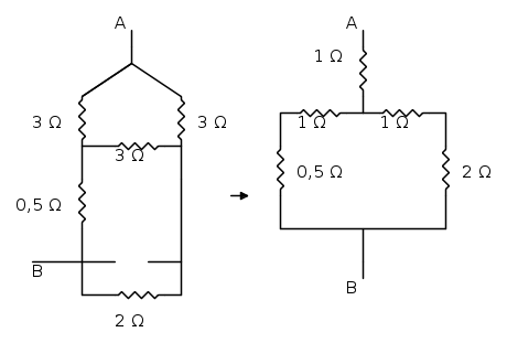
La considerazione sulla conduttanza mi sembra corretta, tuttavia le resistenze da 3 Ohm credo siano in configurazione a triangolo. Suggerirei una trasformazione triangolo-stella, quindi la risoluzione dell'equivalente 
0
voti
Sulle resistenze in triangolo mi sa che hai ragione...
dunque applicando la formula dovrebbero venire tutte resistenze da 1 ohm...mi viene un dubbio... visto che devo riferirmi ai terminali A e B la resistenza di 2 ohm in parallelo col generatore di corrente ha importanza o no?
0
voti
Filini ha scritto:... la resistenza di 2 ohm in parallelo col generatore di corrente ha importanza o no?
Perché mai non dovrebbe averne?
Una volta "spenti" i generatori indipendenti lo vedi automaticamente se ha o non ha importanza.
"Il circuito ha sempre ragione" (Luigi Malesani)
0
voti
Scusa il ritardo della mia risposta! Comunque ti riporto, in seguito, la trasformazione che dovrebbe risolvere il tuo problema:
Schematizzando così il circuito, noterai come la resistenza da 2 Ohm effettivamente abbia eccome un ruolo! (il "vuoto" nel primo schema è il circuito aperto "lasciato" dal generatore di corrente per questa nostra piccola analisi)
Svolgendo le restanti operazioni di parallelo/serie si ottiene il valore di 2 Ohm alla porta AB a cui avevi accennato prima
Ps: Perdona l'orripilanza del disegno, ma è la prima volta che uso il tool FidoCad
Schematizzando così il circuito, noterai come la resistenza da 2 Ohm effettivamente abbia eccome un ruolo! (il "vuoto" nel primo schema è il circuito aperto "lasciato" dal generatore di corrente per questa nostra piccola analisi)
Svolgendo le restanti operazioni di parallelo/serie si ottiene il valore di 2 Ohm alla porta AB a cui avevi accennato prima

Ps: Perdona l'orripilanza del disegno, ma è la prima volta che uso il tool FidoCad

7 messaggi
• Pagina 1 di 1
Torna a Elettrotecnica generale
Chi c’è in linea
Visitano il forum: Nessuno e 12 ospiti

Elettrotecnica e non solo (admin)
Un gatto tra gli elettroni (IsidoroKZ)
Esperienza e simulazioni (g.schgor)
Moleskine di un idraulico (RenzoDF)
Il Blog di ElectroYou (webmaster)
Idee microcontrollate (TardoFreak)
PICcoli grandi PICMicro (Paolino)
Il blog elettrico di carloc (carloc)
DirtEYblooog (dirtydeeds)
Di tutto... un po' (jordan20)
AK47 (lillo)
Esperienze elettroniche (marco438)
Telecomunicazioni musicali (clavicordo)
Automazione ed Elettronica (gustavo)
Direttive per la sicurezza (ErnestoCappelletti)
EYnfo dall'Alaska (mir)
Apriamo il quadro! (attilio)
H7-25 (asdf)
Passione Elettrica (massimob)
Elettroni a spasso (guidob)
Bloguerra (guerra)




