Orologio con corona 60 led
Moderatori:
carloc,
g.schgor,
BrunoValente,
IsidoroKZ
0
voti
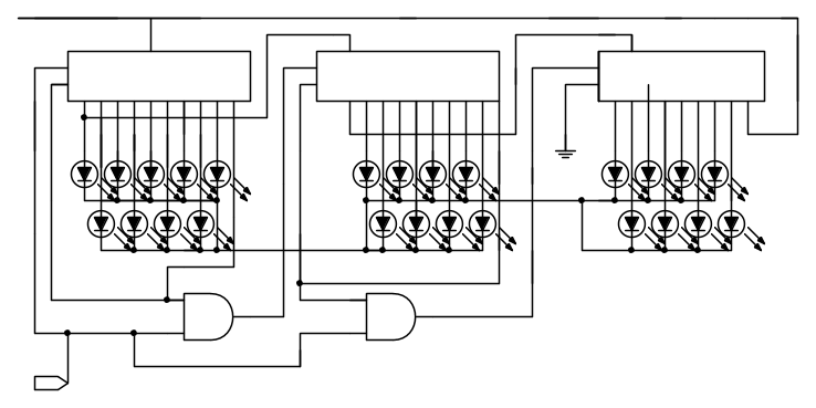
Questo schema è stato realizzato con una versione beta di fidocadj per android ecco perché mancano alcune scritte ma i programmatori lo sanno ( vedi DarwinNE , Dantecpp e gli altri) ritornando allo schema é rappresentato il cd4017 in cascata, tratto dal datasheet della ONSEMI (pag 5) e TEXAS (pag 6). Breve descrizione del circuito (da come l'ho capito io): il segnale di clock arriva al pin 14 del primo cd4017 (e all' ingresso della prima porta and del cd4081(il cd4081 ha 4 porte and a 2 ingressi)) ed inizia a contare fino a 9. Al decimo impulso (pin 12) si va bloccare il pin 13 (clock enable o clock inibith) del primo cd4017 e intanto si attiva la and ed inizia il conteggio del secondo cd4017 (che usa solo 8 uscite). Quando il pin 12 del secondo ic é attivo la seconda porta and del cd4081manda a livello alto l'ultimo dei cd4017,che conta anche lui fino a 8. Il pin 12 dell' ultimo contatore mi va a resettare tutto il circuito tramite il pin 15 del primo cd4017. Il pin 13 dell'ultimo contatore DEVE ESSERE MESSO A MASSA altrimenti...non funge
0
voti
hai ragione MARCO438. Infatti per la base del tempo (clock) avrei pensato alla accoppiata cd4060 e quarzo da 32,768 kHz (uguale a 32768 Hz), l'uscita del cd4060 (pin ) ad 1hz va al pin 14 del primo dei contatori (cd4017); al raggiungimento del 60esimo impulso viene ad aumentare la cifra visualizzata sui display. il pilotaggio dei display é affidata ai cd40110 (contatore avanti/indietro) i quali comandano direttamente i display a 7 segmenti. 
0
voti
Bene allora, vedo che le cose ti sono chiare ed e' quindi tempo di metterti all'opera.
Nell'insieme hai dimenticato un circuito di alimentazione che, se non ricordo male, volevi integrare con una batteria tampone.
Se vuoi cominciare a postare gli schemi partendo dall'inizio, provvedero' a controllarli ed eventualmente a darti suggerimenti.
Nell'insieme hai dimenticato un circuito di alimentazione che, se non ricordo male, volevi integrare con una batteria tampone.
Se vuoi cominciare a postare gli schemi partendo dall'inizio, provvedero' a controllarli ed eventualmente a darti suggerimenti.
marco
Chi c’è in linea
Visitano il forum: Nessuno e 77 ospiti

Elettrotecnica e non solo (admin)
Un gatto tra gli elettroni (IsidoroKZ)
Esperienza e simulazioni (g.schgor)
Moleskine di un idraulico (RenzoDF)
Il Blog di ElectroYou (webmaster)
Idee microcontrollate (TardoFreak)
PICcoli grandi PICMicro (Paolino)
Il blog elettrico di carloc (carloc)
DirtEYblooog (dirtydeeds)
Di tutto... un po' (jordan20)
AK47 (lillo)
Esperienze elettroniche (marco438)
Telecomunicazioni musicali (clavicordo)
Automazione ed Elettronica (gustavo)
Direttive per la sicurezza (ErnestoCappelletti)
EYnfo dall'Alaska (mir)
Apriamo il quadro! (attilio)
H7-25 (asdf)
Passione Elettrica (massimob)
Elettroni a spasso (guidob)
Bloguerra (guerra)



