Cos'è ElectroYou | Login Iscriviti

ElectroYou - la comunità dei professionisti del mondo elettrico

Dispositivo sostitutivo di un relè

Elettronica lineare e digitale: didattica ed applicazioni

Moderatori: Foto Utentecarloc, Foto Utenteg.schgor, Foto UtenteBrunoValente, Foto UtenteIsidoroKZ

4
voti

[21] Re: Dispositivo sostitutivo di un relè

Messaggioda Foto Utentesimo85 » 22 lug 2014, 2:03

kevinpirola ha scritto:io non capisco tutta questa reticenza a dire semplicemente cosa ci devi fare co sti segnali... sembra un segreto di stato, su thread così ti passa la voglia di postare idee....


Ma dopo che una persona scrive che ha due segnali in uscita dalla RS232 con ampiezza picco picco 6 V (+3 V e -3 V) e che la corrente massima è di circa 20 mA, gli si forniscono le informazioni per quelle che ha dato.

Senza complicarsi troppo la vita. ;-)

Della serie don't worry be happy. :D
Avatar utente
Foto Utentesimo85
30,9k 7 12 13
Disattivato su sua richiesta
 
Messaggi: 9927
Iscritto il: 30 ago 2010, 4:59

0
voti

[22] Re: Dispositivo sostitutivo di un relè

Messaggioda Foto Utentekevinpirola » 22 lug 2014, 2:12

però sapendo quello che viene dopo magari potrebbe esistere anche un'altra soluzione alternativa al relè (o chi per lui) però mi rendo conto che in effetti sono OT
Avatar utente
Foto Utentekevinpirola
319 4 9
Expert
Expert
 
Messaggi: 310
Iscritto il: 14 dic 2011, 18:52

4
voti

[23] Re: Dispositivo sostitutivo di un relè

Messaggioda Foto Utentegill90 » 22 lug 2014, 2:13

Foto Utentekevinpirola ha risolto, la sorgente pilota è un microcontrollore e ciò di cui ha bisogno è un analog mux dato che le correnti non rappresentano un problema, e quindi un relè era una soluzione completamente sovradimensionata. Tante volte si trovano richieste fatte da gente estranea al campo dell'elettronica che trovano difficoltà a spiegare le cose nella maniera in cui invece siamo abituati noi dell'area, ma non per questo bisogna trattarli come lebbrosi. Sono completamente d'accordo con quanto detto da Foto Utentesimo85 (che mi ha bruciato sulla risposta), dato che l'OP è stato anche molto educato e ha cercato di farsi capire come credeva.
Avatar utente
Foto Utentegill90
4.146 3 7 12
G.Master EY
G.Master EY
 
Messaggi: 1134
Iscritto il: 1 set 2011, 16:18

3
voti

[24] Re: Dispositivo sostitutivo di un relè

Messaggioda Foto UtenteEnneGi » 22 lug 2014, 7:58

Vi ringrazio tutti :ok: appena finirò l'assemblaggio posterò lo schema di quello che ho fatto :ok:
Avatar utente
Foto UtenteEnneGi
32 2
 
Messaggi: 48
Iscritto il: 12 ott 2012, 19:03

0
voti

[25] Re: Dispositivo sostitutivo di un relè

Messaggioda Foto Utenteingframin » 27 lug 2014, 14:23



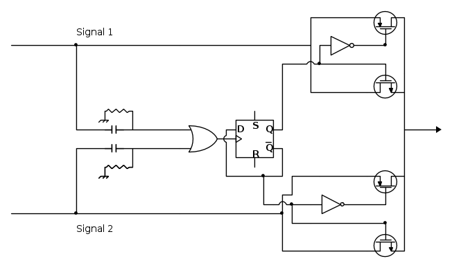
Penso che l'idea finale sia una cosa del genere, giusto?
Avatar utente
Foto Utenteingframin
5 2
 
Messaggi: 9
Iscritto il: 23 lug 2014, 9:08

0
voti

[26] Re: Dispositivo sostitutivo di un relè

Messaggioda Foto Utentegill90 » 27 lug 2014, 15:26

Quell'OR mi convince poco... I segnali di ingresso, intesi come informazione utile, pilotano anche il controllo del sistema, ma così facendo mischi tra loro i due segnali in uscita in maniera non prevedibile.
Avatar utente
Foto Utentegill90
4.146 3 7 12
G.Master EY
G.Master EY
 
Messaggi: 1134
Iscritto il: 1 set 2011, 16:18

0
voti

[27] Re: Dispositivo sostitutivo di un relè

Messaggioda Foto Utenteingframin » 27 lug 2014, 16:55

Ma in tutta la discussione non ho capito se i segnali possono arrivare contemporaneamente o no.
Inoltre il mio circuito è uno schema di principio, così com'è non può funzionare!
Avatar utente
Foto Utenteingframin
5 2
 
Messaggi: 9
Iscritto il: 23 lug 2014, 9:08

0
voti

[28] Re: Dispositivo sostitutivo di un relè

Messaggioda Foto Utentegill90 » 27 lug 2014, 17:21

Quello dipende da che segnali stai mandando! Il meccanismo in cui fai passare il segnale 1 o il segnale 2 nel tuo schema è dettato da quale dei due opera una transizione da 0 a 1. Cioè la commutazione non avviene a intervali regolari, ma dipende istante per istante da che segnale ci passa, cioè dal contenuto dell'informazione. Dati e controllo devono essere disgiunti.
Avatar utente
Foto Utentegill90
4.146 3 7 12
G.Master EY
G.Master EY
 
Messaggi: 1134
Iscritto il: 1 set 2011, 16:18

Precedente

Torna a Elettronica generale

Chi c’è in linea

Visitano il forum: Nessuno e 44 ospiti