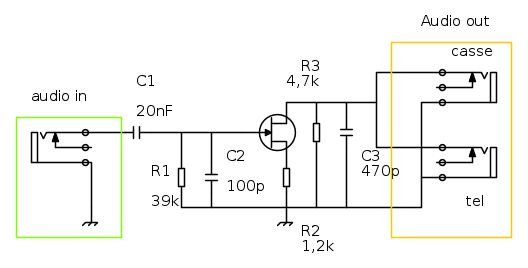
Riporto qui lo schema e a seguire i dubbi che ho:
*il transistor è un bf245c
*il segnale entra nel telefono attraverso la linea dedicata al microfono (avendo 4 contatti il jack per iphone)
Ovviamente dato il nome un adattatore di impedenza adatta l'impedenza di un ingresso a quella richiesta ad un uscita, però:
a cosa serve adattare l'impedenza?
come funziona il circuito?
posso sostituire il fet con un qualsiasi Nmos?
se collegassi semplicemente tre jack otterrei lo stesso risultato?
Attendo risposte

Elettrotecnica e non solo (admin)
Un gatto tra gli elettroni (IsidoroKZ)
Esperienza e simulazioni (g.schgor)
Moleskine di un idraulico (RenzoDF)
Il Blog di ElectroYou (webmaster)
Idee microcontrollate (TardoFreak)
PICcoli grandi PICMicro (Paolino)
Il blog elettrico di carloc (carloc)
DirtEYblooog (dirtydeeds)
Di tutto... un po' (jordan20)
AK47 (lillo)
Esperienze elettroniche (marco438)
Telecomunicazioni musicali (clavicordo)
Automazione ed Elettronica (gustavo)
Direttive per la sicurezza (ErnestoCappelletti)
EYnfo dall'Alaska (mir)
Apriamo il quadro! (attilio)
H7-25 (asdf)
Passione Elettrica (massimob)
Elettroni a spasso (guidob)
Bloguerra (guerra)








