Cos'è ElectroYou | Login Iscriviti

ElectroYou - la comunità dei professionisti del mondo elettrico

[CDEY] Alimentatore da banco - Stadio di Potenza e Controllo

Progettazione collaborativa: dall'idea alla formazione del gruppo di lavoro per la realizzazione di un prodotto finito.

Moderatore: Foto Utentebrabus

1
voti

[41] Re: [CDEY] Alimentatore variabile semplice

Messaggioda Foto Utentekevinpirola » 10 ago 2014, 16:41

Ti ringrazio per la spiegazione assolutamente dettagliata e per il tempo che mi hai dedicato, devo però rompere ancora un po' le scatole con alcune domande...

Il circuito in nero quindi è in sostanza un operazionale di potenza in configurazione di amplificatore invertente dove il rapporto Vout/Vref(v) è pari al rapporto R2/R1 (ho omesso il segno meno perché ho considerato il riferimento di uscita al morsetto meno).

Faccio anche notare, non so se occorre, che gli ingressi di IC1 sono invertiti, questo perché il transistor in uscita è invertente.


Mi è chiaro il procedimento, in ingresso posso mandare una tensione variabile (ad esempio generata da una PWM o altro) che può avere qualsiasi range (ad es 0-5V) e comandare l'uscita ad un qualsiasi range tramite l'amplificazione di IC1 che posso regolare a mio piacere (se avessi una PWM da 0÷5V e volessi una uscita tra 0÷5V mi basterebbe usare R1 = R2, giusto? ). Il fatto che però non mi quadra, e che non mi è mai capitato, è che tu lo definisci un "invertente" anche se in realtà il segnale è applicato sul morsetto non-invertente e c'è una retroazione positiva. Tra le due cose quella della retroazione positiva mi fa andare in pappa, non riesco a capacitarmi il perché, semplicemente applicando un transistor all'uscita, posso usare l'opamp "invertito".
La teoria che mi sono fatto riprende da alcune nozioni di digitale in cui pmos+nmos in quella configurazione mi fanno un inverter, però non so come questo valore negato mi possa cambiare le carte in tavola in questo modo.
In poche parole. Mi puoi spiegare meglio questo "giramento dei poli"?

IC4 serve a generare sulla sua uscita un valore di tensione proporzionale (o identico se scegliamo R6=R7) e di segno opposto rispetto a Vref(i).

In poche parole è un inverter che mi permette però di regolare il valore del minimo (ad esempio potremmo volere un alimentatore che eroga 10A ma che sopporta al max 1A inverso) giusto?

Questo fatto si spiega osservando che, per valori bassi o nulli di tensione su R10 (bassa corrente nel carico), sono basse o nulle le correnti in R4 e in R8 (gli ingressi invertenti di IC2 e IC3 sono entrambi a 0V)

In ogni caso queste correnti sono discordi con Iout. Ovvero se Iout è uscente I di R4 e R8 sono entranti nei nodi invertenti e viceversa, giusto? Sempre per il discorso del riferire l'uscita al negativo, cioè Iout >0 implica una tensione su R10 col + a sinistra e su R4 e R8 col + in alto (in termini maccheronici).

nel nodo dell'ingresso invertente di IC3 prevale una corrente uscente verso R9 proveniente da D4 e che lo polarizza direttamente.

R9 e R8 possono essere di valore diverso, nel caso in cui io voglia avere una Vref(i) più piccola mi basterà usare (in proporzione) una R9 più piccola così da far corrispondere correnti uguali a tensioni diverse. Giusto?

A questo punto dovrebbe essere chiaro come la commutazione da D4 on-D3 off a D4 off-D3 on instauri un nuovo anello di regolazione che coinvolge IC1 e che limita la corrente nel carico precisamente al valore Imax(+).

Assolutamente chiaro, ma una volta che c'è la connessione cosa succede? Cioè, cos'è che limita la corrente? Mi sfugge il passaggio perché nella parte della regolazione della tensione abbiamo lavorato in tensione, ora stiamo ragionando in corrente.
L'ipotesi che ho fatto è che lo scorrere della corrente in R11 fa si che io abbia una caduta di tensione ai suoi capi (col + sul morsetto dell'opamp). Quindi il famoso invertente (di cui chiedo nella prima domanda) mi agisce come un amplificatore sommatore, ma così facendo mi andrebbe ad incrementare la tensione in uscita, non dovrebbe in realtà diminuirla?
EDIT: mi sa che scrivendo mi sono risposto da solo, in effetti la tensione su R11 è con il verso positivo sul morsetto dell'amplificatore ed è dunque contraria a quella ai capi di R1 (col - sul morsetto) quindi sto in realtà usando si l'amplificatore come un sommatore, ma algebricamente parlando sto sottraendo due tensioni. Giusto?
Avatar utente
Foto Utentekevinpirola
319 4 9
Expert
Expert
 
Messaggi: 310
Iscritto il: 14 dic 2011, 18:52

2
voti

[42] Re: [CDEY] Alimentatore variabile semplice

Messaggioda Foto UtenteBrunoValente » 10 ago 2014, 17:54

kevinpirola ha scritto:.. Il fatto che però non mi quadra[/i], e che non mi è mai capitato, è che tu lo definisci un "invertente" anche se in realtà il segnale è applicato sul morsetto non-invertente e c'è una retroazione positiva. Tra le due cose quella della retroazione positiva mi fa andare in pappa, non riesco a capacitarmi il perché, semplicemente applicando un transistor all'uscita, posso usare l'opamp "invertito".


No, no, la reazione è negativa, non c'è nessuna reazione positiva, non devi lasciarti ingannare dal fatto che gli ingressi siano invertiti, è il transistor in uscita che invertendo il segnale fa in effetti diventare invertente l'ingresso che in origine non è invertente e viceversa: due inversioni consecutive si annullano.
Devi considerare che R2 non è collegata all'uscita di IC1, ma che è collegata dopo i transistor.

kevinpirola ha scritto:La teoria che mi sono fatto riprende da alcune nozioni di digitale in cui pmos+nmos in quella configurazione mi fanno un inverter, però non so come questo valore negato mi possa cambiare le carte in tavola in questo modo.


Credo sia fortemente controproducente rifarsi alla teoria dei circuiti digitali per cercare di comprendere il funzionamento di quelli analogici.

Invece, al contrario, per arrivare ad una completa comprensione del funzionamento dei circuiti digitali, credo sia molto utile rifarsi alla teoria di quelli analogici, da cui, in un certo senso, quelli digitali derivano.

kevinpirola ha scritto:
IC4 serve a generare sulla sua uscita un valore di tensione proporzionale (o identico se scegliamo R6=R7) e di segno opposto rispetto a Vref(i).

In poche parole è un inverter che mi permette però di regolare il valore del minimo (ad esempio potremmo volere un alimentatore che eroga 10A ma che sopporta al max 1A inverso) giusto?


Sì, permette di ottenere quello che dici tu..ma non chiamarlo inverter! è un amplificatore invertente con un certo guadagno che dipende dal rapporto R7/R6

kevinpirola ha scritto:
Questo fatto si spiega osservando che, per valori bassi o nulli di tensione su R10 (bassa corrente nel carico), sono basse o nulle le correnti in R4 e in R8 (gli ingressi invertenti di IC2 e IC3 sono entrambi a 0V)

In ogni caso queste correnti sono discordi con Iout. Ovvero se Iout è uscente I di R4 e R8 sono entranti nei nodi invertenti e viceversa, giusto? Sempre per il discorso del riferire l'uscita al negativo, cioè Iout >0 implica una tensione su R10 col + a sinistra e su R4 e R8 col + in alto (in termini maccheronici).


Qui ho qualche difficoltà a seguirti.

kevinpirola ha scritto:
nel nodo dell'ingresso invertente di IC3 prevale una corrente uscente verso R9 proveniente da D4 e che lo polarizza direttamente.

R9 e R8 possono essere di valore diverso, nel caso in cui io voglia avere una Vref(i) più piccola mi basterà usare (in proporzione) una R9 più piccola così da far corrispondere correnti uguali a tensioni diverse. Giusto?


Se ho compreso correttamente quello che scrivi direi di sì, in ogni caso puoi vedere dalle formule al messaggio[197] la dipendenza tra Imax(+), Imax(-) e i valori delle varie resistenze in gioco.

kevinpirola ha scritto:
A questo punto dovrebbe essere chiaro come la commutazione da D4 on-D3 off a D4 off-D3 on instauri un nuovo anello di regolazione che coinvolge IC1 e che limita la corrente nel carico precisamente al valore Imax(+).

Assolutamente chiaro, ma una volta che c'è la connessione cosa succede? Cioè, cos'è che limita la corrente? Mi sfugge il passaggio perché nella parte della regolazione della tensione abbiamo lavorato in tensione, ora stiamo ragionando in corrente.
L'ipotesi che ho fatto è che lo scorrere della corrente in R11 fa si che io abbia una caduta di tensione ai suoi capi (col + sul morsetto dell'opamp). Quindi il famoso invertente (di cui chiedo nella prima domanda) mi agisce come un amplificatore sommatore, ma così facendo mi andrebbe ad incrementare la tensione in uscita, non dovrebbe in realtà diminuirla?
EDIT: mi sa che scrivendo mi sono risposto da solo, in effetti la tensione su R11 è con il verso positivo sul morsetto dell'amplificatore ed è dunque contraria a quella ai capi di R1 (col - sul morsetto) quindi sto in realtà usando si l'amplificatore come un sommatore, ma algebricamente parlando sto sottraendo due tensioni. Giusto?


Sì, se viene superata la corrente Imax(+) l'uscita di IC3 diventa negativa, quindi contrasta l'effetto di Vref(v) che è positiva.

Devi considerare che, quando si apre D4, IC3 si libera della controreazione locale e diventa "localmente" ad anello aperto. Il nuovo anello adesso coinvolge IC1 che però localmente ha un guadagno limitato dal rapporto R2/R11 e quindi il grande guadagno di IC3 la fa da padrone.

Devi anche considerare che l'insieme "IC1+ transistor" si comporta da amplificatore invertente nei confronti della tensione di uscita dell'alimentatore ma, al tempo stesso, si comporta da amplificatore non invertente nei confronti della tensione che cade su R10.

Attenzione: quest'ultima cosa che ho scritto va considerata e ben tenuta in conto, altrimenti potrebbe sembrare che nell'anello di regolazione della corrente (che coinvolge IC3 e IC1 oppure IC2 e IC1) vi siano due inversioni e che la reazione sia positiva, invece, a tutti gli effetti, è negativa come deve essere.

Quando uno dei due anelli di regolazione della corrente è in funzione allora il nuovo equilibrio è raggiunto quando avviene l'annullamento della tensione all'ingresso invertente di IC3 o IC2, a seconda di quale dei due anelli è in funzione.

L'annullamento della tensione all'ingresso invertente di IC3 o di IC2 si ottiene quando la corrente nel carico vale rispettivamente Imax(+) o Imax(-).

Cosa che ancora non ho detto: affinché la precedente condizione possa essere raggiunto in tutte le condizioni è necessario che i valori di R11 e di R3 siano uguali o inferiori (meglio se inferiori) a quello di R1..non chiedermi perché, non ho più voglia di scrivere :? ad ogni modo il motivo dovrebbe essere ovvio.
Avatar utente
Foto UtenteBrunoValente
39,6k 7 11 13
G.Master EY
G.Master EY
 
Messaggi: 7796
Iscritto il: 8 mag 2007, 14:48

0
voti

[43] Re: [CDEY] Alimentatore variabile semplice

Messaggioda Foto Utentekevinpirola » 10 ago 2014, 19:50

No, no, la reazione è negativa, non c'è nessuna reazione positiva, non devi lasciarti ingannare dal fatto che gli ingressi siano invertiti,


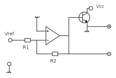
Ma allora perché formalmente non viene disegnato con la retroazione sul morsetto invertente? Se fosse disegnato così:



Non sarebbe scolasticamente più giusto?

All'uscita dell'opamp ho una V che è
V_{ref} \cdot -\frac{R2}{R1}

poi però prendendo il riferimento "storto" ai capi dell'alimentatore ho una v senza il segno -.

Sto sbagliando qualcosa?

Qui ho qualche difficoltà a seguirti.

Parlavo del verso delle correnti in R8, R4 e R10. Se I(R10) è uscente dal morsetto +Vout allora I(R4) e I(R8) sono entranti nel nodo invertente. Corretto?


Devi considerare che, quando si apre D4, IC3 si libera della controreazione locale e diventa "localmente" ad anello aperto.

Perciò commuterebbe a uno dei due rail (comparatore?), nel nostro caso commuta a -Vcc? (Dobbiamo usare una alimentazione duale?)

Il nuovo anello adesso coinvolge IC1 che però localmente ha un guadagno limitato dal rapporto R2/R11

perché non sto più considerando R1 e Vref nei calcoli? La V su R11 contrasta la Vref(v) e qui siamo d'accordo, però la Vref non sparisce...

Oppure dico "siccome IC3 ha guadagno sulla carta "infinito" allora posso tralasciare gli effetti di Vref(v) e R1 ?

Devi anche considerare che l'insieme "IC1+ transistor" ...

Credo che sia tutto correlato alla prima domanda...


EDIT
chiedo scusa, ho visto adesso questo:
non ho più voglia di scrivere :?

non volevo essere pesante, non serve che rispondi alle domande qui sopra, le lascio nel caso qualcuno voglia fugare i miei dubbi.

Chiedo ancora scusa e grazie per la spiegazione di prima!!
Avatar utente
Foto Utentekevinpirola
319 4 9
Expert
Expert
 
Messaggi: 310
Iscritto il: 14 dic 2011, 18:52

0
voti

[44] Re: [CDEY] Alimentatore variabile semplice

Messaggioda Foto Utenteclaudiocedrone » 10 ago 2014, 22:02

:-) Ma è perché continui a considerare opamp e transistor "separati" quando invece formano un tutt'uno... Bruno ti ha già fatto notare che R2 non è collegata all'uscita dell'opamp ma al transistor. O_/
"Non farei mai parte di un club che accettasse la mia iscrizione" (G. Marx)
Avatar utente
Foto Utenteclaudiocedrone
21,3k 4 7 9
Master EY
Master EY
 
Messaggi: 15302
Iscritto il: 18 gen 2012, 13:36

0
voti

[45] Re: [CDEY] Alimentatore variabile semplice

Messaggioda Foto Utentekevinpirola » 11 ago 2014, 1:24

Mmmm ho capito il funzionamento generale, ma ancora questi particolari purtroppo mi restano sfocati, mi manca qualche passaggio devo provare a disegnarmi il circuito e smanettarci sopra nei vari casi per capire bene cosa succede.
Il fatto è che nell'esame di elettronica abbiamo fatto gli amplificatori ma solo nelle loro versioni "standard" e molto stagne, quindi trovarmi di fronte a qualcosa di nuovo mi spiazza perché tutto quello che so attualmente non è detto che valga.

Sto ragionando sopra sul fatto che R1 deve essere più grande di R3 e R11, l'idea a cui sono arrivato è che debba esserlo altrimenti avrebbe sempre più effetto la tensione Vref(v) rispetto alle correzioni che potrebbero portare IC3 e IC2 (il rapporto del guadagno dell'amplificatore varia con l'inverso di R1 perciò se è più grande il rapporto è più piccolo). Però non avendo nulla sul libro scritto a riguardo non posso avere il check della risposta se è giusta o sbagliata ;)

Comunque sto imparando molto più in queste poche ore che in un intero corso di un esame...

By the way:

ho fatto una breve ricerca e due conti a spanne per quanto riguarda il controllo digitale e sono giunto alla conclusione che arduino uno sicuramente non fa al caso nostro. Ad un prezzo relativamente economico (19 dollari) si trova un'altra board con ottime capacità di conversione adc e dac (12 bit invece degli 8 di arduino). Sto cercando un distributore nei paraggi. Nel frattempo ho analizzato anche una alternativa di display con luce RGB di illuminazione, circa 15€ compatibile con arduino e simili.
Sto anche buttando giù una idea di massima di come potrebbe essere il front panel dello strumento.
Avatar utente
Foto Utentekevinpirola
319 4 9
Expert
Expert
 
Messaggi: 310
Iscritto il: 14 dic 2011, 18:52

2
voti

[46] Re: [CDEY] Alimentatore variabile semplice

Messaggioda Foto UtenteBrunoValente » 11 ago 2014, 10:33

kevinpirola ha scritto:
No, no, la reazione è negativa, non c'è nessuna reazione positiva, non devi lasciarti ingannare dal fatto che gli ingressi siano invertiti,


Ma allora perché formalmente non viene disegnato con la retroazione sul morsetto invertente? Se fosse disegnato così:

Non sarebbe scolasticamente più giusto?


Come sarebbe scolasticamente non lo so, come saprai io queste cose le ho imparate in strada :cry: ..posso dirti però che di certo non funziona: prova a considerare il percorso della corrente del carico, ti accorgerai che non circola nel transistor.

Ti dico inoltre che volutamente non ho utilizzato il transistor in configurazione di inseguitore come invece spesso si fa negli alimentatori.

Il transistor qui è utilizzato a emettitore comune, quindi con l'uscita sul collettore che inverte il segnale (non farti ingannare dal fatto che il carico si trovi sul negativo dell'elettrolitico. Il carico di fatto è collegato in sere al gruppo ponte-elettrolitico, quindi non ha alcuna importanza se nella serie viene prima il carico e dopo il gruppo ponte-elettrolitico o viceversa).

Questa soluzione con il transistor ad emettitore comune e con il carico dall'altra parte rispetto al gruppo ponte-elettrolitico, a differenza di quella con l'inseguitore, consente di gestire tensioni anche molto più alte di quella di alimentazione degli operazionali.

Si ottiene così un circuito di regolazione molto versatile che consente la realizzazione di alimentatori funzionanti anche ad alta tensione, il limite è imposto solo dalle caratteristiche dei transistor (o dei mosfet).

kevinpirola ha scritto:

Qui ho qualche difficoltà a seguirti.

Parlavo del verso delle correnti in R8, R4 e R10. Se I(R10) è uscente dal morsetto +Vout allora I(R4) e I(R8) sono entranti nel nodo invertente. Corretto?




kevinpirola ha scritto:
Devi considerare che, quando si apre D4, IC3 si libera della controreazione locale e diventa "localmente" ad anello aperto.

Perciò commuterebbe a uno dei due rail (comparatore?), nel nostro caso commuta a -Vcc? (Dobbiamo usare una alimentazione duale?)


No, commuterebbe a uno dei due rail solo se l'anello fosse aperto, io invece ho detto che è solo "localmente" aperto.
Volevo dire che, quando D4 si apre, non c'è più nulla che "localmente" possa condurre tra l'uscita e l' ingresso invertente di IC3 e che però l'anello è "complessivamente" chiuso attraverso D3, R11, IC1+transistor, R4, quindi IC3 non satura.

Certamente l’alimentazione per gli operazionali non può che essere duale: IC1 deve uscire anche con tensioni negative per pilotare il PNP, IC4 ha in uscita una tensione sempre negativa, IC2 ha in uscita una tensione di -0.7V che diventa positiva di qualche volt (dipende da Vref(v) e dal valore di R3 quando la corrente nel carico raggiunge il valore Imax(-), IC3 ha in uscita una tensione di +0.7V che diventa negativa di qualche volt (dipende da Vref(v) e dal valore di R11) quando la corrente nel carico raggiunge il valore Imax(+)

kevinpirola ha scritto:
Il nuovo anello adesso coinvolge IC1 che però localmente ha un guadagno limitato dal rapporto R2/R11

perché non sto più considerando R1 e Vref nei calcoli? La V su R11 contrasta la Vref(v) e qui siamo d'accordo, però la Vref non sparisce...

Oppure dico "siccome IC3 ha guadagno sulla carta "infinito" allora posso tralasciare gli effetti di Vref(v) e R1 ?

:ok:
kevinpirola ha scritto:
Devi anche considerare che l'insieme "IC1+ transistor" ...

Credo che sia tutto correlato alla prima domanda...

Yes
Avatar utente
Foto UtenteBrunoValente
39,6k 7 11 13
G.Master EY
G.Master EY
 
Messaggi: 7796
Iscritto il: 8 mag 2007, 14:48

2
voti

[47] Re: [CDEY] Alimentatore variabile semplice

Messaggioda Foto UtenteBrunoValente » 11 ago 2014, 11:10

kevinpirola ha scritto:..Il fatto è che nell'esame di elettronica abbiamo fatto gli amplificatori ma solo nelle loro versioni "standard" e molto stagne, quindi trovarmi di fronte a qualcosa di nuovo mi spiazza perché tutto quello che so attualmente non è detto che valga.


E invece quello che sai, se è corretto, deve valere.
Devi solo inquadrare correttamente il circuito in modo da ritrovare quello che sai anche se pare che non ci sia.

kevinpirola ha scritto:Sto ragionando sopra sul fatto che R1 deve essere più grande di R3 e R11, l'idea a cui sono arrivato è che debba esserlo altrimenti avrebbe sempre più effetto la tensione Vref(v) rispetto alle correzioni che potrebbero portare IC3 e IC2 (il rapporto del guadagno dell'amplificatore varia con l'inverso di R1 perciò se è più grande il rapporto è più piccolo)


No, non è così: quando si attiva la regolazione di corrente l'effetto di Vref è comuque ininfluente, questo è dovuto al fatto che il guadagno di IC3 (o IC2) è enormemente più grande di quello di IC1+transistor che è controreazionato con R1.

Il motivo per cui è necessario che R3 e R11 siano piccole rispetto a R1 è che altrimenti, in certe condizioni, IC2 e IC3 potrebbero saturare.

Il compito di IC2 e IC3 è quello di contrastare Vref(v) quando si attivano le regolazioni di corrente e, nel caso estremo di cortocircuito in uscita all'alimentazione, l'equilibrio è raggiunto quando si annulla la corrente in R2, cioè quando la corrente in R1 è uguale e di segno opposta a quella in R11 (o in R4).

Ora, se R11 (o R4) fosse più grande di R1, la condizione potrebbe essere raggiunta solo se la tensione in uscita a IC3 (o a IC2) fosse di segno opposto a quella di Vref(v) e di valore pari a (R11/R1)Vref(v) con il rapporto R11/R1 maggiore dell'unita.

Questo significa che, se Vref fosse prossima al rail+, l'uscita di IC3 (o di IC2) tenderebbe a sconfinare oltre il rail- e che quindi IC3 (o IC2) saturerebbe

kevinpirola ha scritto:. Però non avendo nulla sul libro scritto a riguardo non posso avere il check della risposta se è giusta o sbagliata ;)

Be', sui libri non può esserci tutto! ma tutto o quasi tutto, in un modo o nell'altro, potrà senz'altro essere ricondotto a quello che sta nei libri.

Il trucco sta proprio nel saper frammentare opportunamente i fatti che appaiono nuovi e a saper ricondurre i frammenti a quelli già noti.

kevinpirola ha scritto:Comunque sto imparando molto più in queste poche ore che in un intero corso di un esame...


Mi fa piacere :-)
Avatar utente
Foto UtenteBrunoValente
39,6k 7 11 13
G.Master EY
G.Master EY
 
Messaggi: 7796
Iscritto il: 8 mag 2007, 14:48

0
voti

[48] Re: [CDEY] Alimentatore variabile semplice

Messaggioda Foto Utentebrabus » 12 ago 2014, 11:07

OK ragazzi, allora siamo d'accordo!

Trovo che le idee di Foto Utentekevinpirola siano interessanti, quindi scorporerò personalmente la discussione fra poco.

Foto Utentekevinpirola, direi che tu sia il candidato adatto per condurre la discussione relativa all'interfaccia utente digitale, dai sfogo alla tua fantasia! :ok:

Bruno, trovo che le tue riflessioni sul pilotaggio del carico siano identiche alle mie. Completamente.

A tal proposito, ripropongo un'idea che mi gira per la testa da un po': se usassimo come stadio finale un amplificatore audio STA540?

Lascio a voi scoprire la particolarità di questo componente, che lo distingue da tutti gli altri finali audio, e lo rende potenzialmente adatto a essere una sorgente DC. :ok:
Alberto.
Avatar utente
Foto Utentebrabus
22,2k 4 11 13
G.Master EY
G.Master EY
 
Messaggi: 3146
Iscritto il: 26 gen 2009, 15:16

0
voti

[49] Re: [CDEY] Alimentatore variabile semplice

Messaggioda Foto UtenteBrunoValente » 12 ago 2014, 11:35

Mi sembra piccolino, ho dato un'occhiata rapida e mi sembra sopporti al massimo una ventina di volt e potenza piuttosto risicata.
Come pensi di collegare i quattro stadi?
Avatar utente
Foto UtenteBrunoValente
39,6k 7 11 13
G.Master EY
G.Master EY
 
Messaggi: 7796
Iscritto il: 8 mag 2007, 14:48

0
voti

[50] Re: [CDEY] Alimentatore variabile semplice

Messaggioda Foto Utentebrabus » 12 ago 2014, 11:54

Si è vero, non è molto potente; l'idea era di collegare le uscite insieme tramite quattro shunt. Una valida alternativa, salendo di potenza, è il TDA7293, o suo fratello, il TDA7294.
Già usati come finali in banda audio, mi sono trovato benissimo.

Piuttosto, tornando allo schema, credo sia fondamentale decidere subito una cosa, del tutto indipendente dalle successive scelte circuitali: come distribuire le alimentazioni.
Lo schema di Agilent offre una soluzione secondo me geniale: due rail, a +12 e -12V, del tutto flottanti, col riferimento 0V connesso direttamente al rail positivo d'uscita dell'alimentatore.

Questo consente di pilotare i finali in maniera del tutto indipendente dalla tensione d'uscita, consentendo di incrementare le prestazioni dell'alimentatore molto facilmente. L'alimentazione degli operazionali è del tutto indipendente dalla tensione del rail da stabilizzare, a beneficio del rumore e dei fenomeni derivanti dal PSRR.
La misura della corrente (e relativa protezione) è altresì semplificata.

Noi potremmo fare la stessa cosa, al prezzo di dover generare in qualche modo questi +12V e -12V flottanti. Secondo voi ha senso generare queste tensioni (con un trasformatore ausiliario, con un avvolgimento isolato, o con un DC-DC isolato a bordo scheda), oppure per il momento rimaniamo sul semplice e lavoriamo con una sola tensione, in comune al ramo di potenza e al ramo di controllo?
Alberto.
Avatar utente
Foto Utentebrabus
22,2k 4 11 13
G.Master EY
G.Master EY
 
Messaggi: 3146
Iscritto il: 26 gen 2009, 15:16

PrecedenteProssimo

Torna a Crowd Design

Chi c’è in linea

Visitano il forum: Nessuno e 49 ospiti