Cos'è ElectroYou | Login Iscriviti

ElectroYou - la comunità dei professionisti del mondo elettrico

Rete CRRC

Elettronica lineare e digitale: didattica ed applicazioni

Moderatori: Foto Utentecarloc, Foto Utenteg.schgor, Foto UtenteBrunoValente, Foto UtenteIsidoroKZ

1
voti

[1] Rete CRRC

Messaggioda Foto UtenteQetsiyah » 10 ago 2014, 23:49

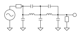
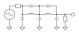
Salve a tutti, in università sono stato chiamato a fare delle relazioni su circuiti che ho montato in laboratorio e che ho accuratamente campionato in un intervallo di frequenze che va da 100Hz al 1MHz. I suddetti circuiti sono supposti lineari che ci vengono proposti di volta in volta e talvolta mi lasciano sgomento, come nel caso della rete CRRC che allego qui di seguito. Praticamente sono chiamato a dire che tipo di circuito è e per cosa si caratterizza e in quali punti il comportamento della rete non è lineare e perché.

Per la rete CRRC ci sono alcune domande che non mi lasciano vivere tranquillamente e sono

1) Si tratta di un filtro passivo passa-banda poiché 'composizione' di un filtro passa-alto (CR) e d un filtro passa-bassa(RC) o no?
2) La linearità è verificata per un intervallo significativo di frequenze oppure è un comportamento limitato ad un intervallo molto limitato
3) ad alcune frequenze ci sono effetti che al mio occhio inesperto sfuggono?

un breve riepilogo delle caratteristiche della rete sarebbe gradito visto che uscendo dai casi base ( CR o RC) inizio a fare confusione.

Area.png
Area.png (5.66 KiB) Osservato 10391 volte
Avatar utente
Foto UtenteQetsiyah
15 3
 
Messaggi: 8
Iscritto il: 28 lug 2014, 14:11

0
voti

[2] Re: Rete CRRC

Messaggioda Foto Utentekevinpirola » 11 ago 2014, 14:28

Gli schemi si postano con fidocadj!

Il filtro è in effetti un passabanda, ma non bisogna aspettarsi un comportamento ideale, per avere un P.Banda ideale tra le due sezione dovrebbe esserci un buffer che le "isola". In questo caso la seconda parte "carica" la prima e quindi la risposta in frequenza si discosta dall'ideale.

Sempre teoricamente se non ricordo male i poli dei due tronconi del filtro sono uguali quindi nel caso ideale dovresti avere un passabanda con attenuazione di 6dB sulla frequenza di centro.


Hai provato a simularlo oppure hai misurato un circuito reale?
Avatar utente
Foto Utentekevinpirola
319 4 9
Expert
Expert
 
Messaggi: 310
Iscritto il: 14 dic 2011, 18:52

0
voti

[3] Re: Rete CRRC

Messaggioda Foto Utenteemacar » 11 ago 2014, 14:40

Ciao,
1) Si è un passabanda
2) Non ho capito che intendi con linearità in questo caso. Infatti il filtro RC è un circuito completamente lineare, ciò significa che non distorce la frequenza. L'unica distorsione è sulla fase e sull'ampiezza
Avatar utente
Foto Utenteemacar
156 6
Frequentatore
Frequentatore
 
Messaggi: 145
Iscritto il: 3 dic 2013, 11:02

0
voti

[4] Re: Rete CRRC

Messaggioda Foto Utenteemacar » 11 ago 2014, 14:43

kevinpirola ha scritto:Sempre teoricamente se non ricordo male i poli dei due tronconi del filtro sono uguali quindi nel caso ideale dovresti avere un passabanda con attenuazione di 6dB sulla frequenza di centro.?

Ciao kevinpirola,
non penso che al centro l'attenuazione sia 6 db, il filtro si dovrebbe dimensionare per fare in modo che a centro banda l'attenuazione sia bassissima (credo forse anche senza buffer, poi dipende da tutte le specifiche che ci sono)
Avatar utente
Foto Utenteemacar
156 6
Frequentatore
Frequentatore
 
Messaggi: 145
Iscritto il: 3 dic 2013, 11:02

0
voti

[5] Re: Rete CRRC

Messaggioda Foto Utentekevinpirola » 11 ago 2014, 14:58

se conti che un filtro passa alto o passa basso nel polo ha attenuazione 3dB... va da se che se "idealmente" li puoi affiancare l'attenuazione su quel polo è 6db...
Avatar utente
Foto Utentekevinpirola
319 4 9
Expert
Expert
 
Messaggi: 310
Iscritto il: 14 dic 2011, 18:52

0
voti

[6] Re: Rete CRRC

Messaggioda Foto Utenteemacar » 11 ago 2014, 15:09

Nel polo è -3db ma unendo i due filtri i due poli non devono coincidere altrimenti che passa banda è. Se ad esempio volessi fare un passa banda da 5 a 7 GHz, potresti fare un passa alto con Ft a 5 GHz ed un passa basso con Ft a 7 GHz. Le due Ft non si sovrappongono ed a centro banda, ovvero 6 GHz, le attenuazioni di ciascun filtro sono sicuramente minori di -3 dB.
Avatar utente
Foto Utenteemacar
156 6
Frequentatore
Frequentatore
 
Messaggi: 145
Iscritto il: 3 dic 2013, 11:02

3
voti

[7] Re: Rete CRRC

Messaggioda Foto Utentebrabus » 11 ago 2014, 15:51

Quello non è un filtro, ma proprio per niente: io vedo solo un circuito a componenti passivi.

Per definire un sistema (e chiamarlo successivamente "filtro"), bisogna innanzitutto specificare qual è l'ingresso e qual è l'uscita. :ok:

Il circuito che hai disegnato, poi, non è affatto la composizione di un passa alto e di un passa basso. Certo, può sembrarlo, perché si vedono resistenze e capacità in posizioni riconoscibili, ma attenzione a non fare confusione!

Ti spiego:
Per realizzare un passa-banda, in generale non basta accoppiare un passa-alto e un passa-basso "testa a coda", poiché i valori delle frequenze di taglio vengono inevitabilmente influenzati dai fenomeni di carico. Per ottenere un passa-banda dimensionando separatamente le celle (ad es. passa alto a 100 Hz e passa basso a 10 kHz), devi necessariamente disaccoppiare i due stadi, interponendo ad esempio un buffer.

Per dimensionare correttamente un passa-banda come quello che hai disegnato, devi calcolare la funzione di trasferimento di tutto il circuito, e mai di una sola cella alla volta*. :ok:

Foto Utentekevinpirola, infatti, dice giustamente:
kevinpirola ha scritto:Gli schemi si postano con fidocadj!

Il filtro è in effetti un passabanda, ma non bisogna aspettarsi un comportamento ideale, per avere un P.Banda ideale tra le due sezione dovrebbe esserci un buffer che le "isola". In questo caso la seconda parte "carica" la prima e quindi la risposta in frequenza si discosta dall'ideale.

(...)


Parliamo di linearità. Più lineare di uno schema a passivi, al mondo, non ce n'è. a 1 mV o a 100 kV, quel circuito non cambia la propria funzione di trasferimento, mi dispiace. :mrgreen:
Possiamo iniziare a parlare di non linearità introducendo componenti (appunto) non lineari, oppure considerando fenomeni che avvengono nei circuiti reali, come ad esempio la variazione di capacità dei condensatori col variare della tensione di polarizzazione. Ma a questo punto, chiaramente, il modello (e quindi lo schema) va cambiato. :ok:

*la cosa può funzionare solo se i poli sono molto, molto distanti... in generale val ben la pena spendere qualche minuto in più e calcolare per bene la funzione di trasferimento.
Alberto.
Avatar utente
Foto Utentebrabus
22,2k 4 11 13
G.Master EY
G.Master EY
 
Messaggi: 3146
Iscritto il: 26 gen 2009, 15:16

8
voti

[8] Re: Rete CRRC

Messaggioda Foto Utentegill90 » 11 ago 2014, 17:07

Quando si cerca il comportamento generico, ossia senza approssimazioni, il metodo più sicuro è quello della forza bruta, ossia calcolarsi la risposta in frequenza dell'intero sistema.



Chiamando V_t il potenziale in mezzo, avrai che semplicemente la tensione di uscita è data dal partitore: V_o=\frac{\frac{1}{j\omega C_1}}{R_2+\frac{1}{j\omega C_1}}V_t=\frac{1}{1+j\omega R_2C_2}. E questo era il passa basso. Ora, se al posto dell'interconnessione semplice in V_t avessi un buffer disaccoppiatore, ossia capace di garantire impedenza infinita a valle di R_1, beh in quel caso avresti semplicemente il prodotto delle due f.d.t., ossia del passo alto e del passa basso. In questo caso, però, quell'interconnessione fa sì che l'impedenza finita vista a valle di R_1 si ripercuota sul funzionamento del circuito. In quel caso, dobbiamo calcolarci V_t in funzione di V_i: V_t=\frac{\frac{R_1 \frac{1+j\omega R_2 C_2}{j\omega C_2}}{R_1 +\frac{1+j\omega R_2 C_2}{j\omega C_2}}}{\frac{1}{j\omega C_1}+\frac{R_1 \frac{1+j\omega R_2 C_2}{j\omega C_2}}{R_1 +\frac{1+j\omega R_2 C_2}{j\omega C_2}}}V_i , che vista così è un disastro, ma serve a far capire le relazioni serie/parallelo. Semplificando per bene si giunge alla formula conclusiva:

V_t=j\omega R_1C_1\frac{j\omega R_2C_2+1}{-\omega ^2R_1R_2C_1C_2+j\omega 
(R_1C_1+R_1C_2+R_2C_2)+1}

Come dicevano giustamente tutti coloro che hanno risposto in precedenza, in questa funzione di trasferimento si vede che il filtro non è un passa alto. Questo perché inevitabilmente compaiono i termini R_2 e C_2 a valle, segno che i due stadi non sono tra loro indipendenti. Da questo formula inoltre vedi cosa significa "allontanare" le due frequenze di taglio: idealmente parlando, quando fai un passa banda puoi parlare di frequenza di taglio del passa alto e del passa basso per definire i limiti di tagio del tuo filtro complessivo. In questo caso, R_1C_1 contribuisce alla pulsazione di taglio del passa alto, mentre R_2C_2 a quella del passa basso. Se crei un filtro con banda molto ampia, cioè tale che la frequenza di taglio del passa basso sia molto più grande di quella del passa alto, allora avrai che i termini R_1C_1 saranno molto più grandi di R_2C_2 (poiché f_t=\frac{1}{2\pi RC}). Nella formula finale sopra, puoi allora semplificare i termini sicuramente più piccoli e ottieni alla fine (supponendo quindi R_1>>R_2 e C_1>>C_2):

V_t=\frac{j\omega R_1C_1}{1+j\omega R_1C_1}V_i

che è appunto la funzione di trasferimento tipica del passa alto. Questo però avviene solo se verifichi le relazioni di cui sopra, altrimenti non puoi più rifarti al modello approssimato e dovrati lavorare con la funzione di trasferimento generale.

Per farti un'idea, se vuoi creare un passa banda (del primo ordine) con banda passante tra circa 3.2Hz e 3.2kHz (3 ordini di grandezza), usando ad esempio i seguenti valori: R_1=1k\Omega, R_2=100\Omega, C_1=50\mu F e C_2=500 nF, usando lo schema senza disaccoppiatore il passa alto ha il seguente andamento in frequenza:

untitled1.jpg


Questo per quanto riguarda il passa alto, comprendendo invece anche il passa basso (sostituendo V_t nell'espressione di V_o) ottieni:

untitled2.jpg


Che è una buona approssimazione dei due stadi separati.
Considerando invece un filtro con banda passante tra circa 1.9kHz e 3.2kHz, ad esempio con R_1=100\Omega, R_2=100\Omega, C_1=800 nF e C_2=500 nF, hai un andamento molto diverso:

untitled11.jpg


Con risposta del filtro:

untitled21.jpg


Come vedi hai sia un'attenuazione nella banda passante, sia un discostamento dalle frequenze di bordo, dovuto al fatto che le due frequenze di taglio non sono sufficientemente lontane e che i due stadi si influenzano a vicenda.
Ovviamente con filtri più selettivi il risultato peggiora ancora di più.
Avatar utente
Foto Utentegill90
4.146 3 7 12
G.Master EY
G.Master EY
 
Messaggi: 1134
Iscritto il: 1 set 2011, 16:18

1
voti

[9] Re: Rete CRRC

Messaggioda Foto Utentesimo85 » 11 ago 2014, 17:28

brabus ha scritto:Quello non è un filtro, ma proprio per niente: io vedo solo un circuito a componenti passivi.

Per definire un sistema (e chiamarlo successivamente "filtro"), bisogna innanzitutto specificare qual è l'ingresso e qual è l'uscita. :ok:


Sembra però abbastanza chiaro che l'entrata sia V_1 e che l' uscita sia ai capi di C_2. O no ?

Leggere che "è solo un circuito a componenti passivi" fa pensare che nemmeno questo sia un filtro:

Avatar utente
Foto Utentesimo85
30,9k 7 12 13
Disattivato su sua richiesta
 
Messaggi: 9927
Iscritto il: 30 ago 2010, 4:59

2
voti

[10] Re: Rete CRRC

Messaggioda Foto Utentebrabus » 11 ago 2014, 18:01

Esatto, Foto Utentesimo85, io vedo molti componenti nel circuito che hai disegnato, ma lungi da me pretendere di identificare l'uscita, in mancanza di esplicita segnalazione.

L'ultima volta che ho detto "Sembra abbastanza chiaro" me la ricordo ancora, oh se me la ricordo ancora... :lol: ho preso delle cantonate colossali.

Con due belle scritte chiare "Vin" e "Vout" si risolvono tutti i dubbi. :ok:

Poi, in molti casi, si è interessati al calcolo di un'impedenza (supponiamo d'ingreso): i termini per il calcolo della funzione di trasferimento diventano V_{in} e I_{in}, et voilà, V_{out} magicamente scompare.
Alberto.
Avatar utente
Foto Utentebrabus
22,2k 4 11 13
G.Master EY
G.Master EY
 
Messaggi: 3146
Iscritto il: 26 gen 2009, 15:16

Prossimo

Torna a Elettronica generale

Chi c’è in linea

Visitano il forum: Nessuno e 58 ospiti