Cos'è ElectroYou | Login Iscriviti

ElectroYou - la comunità dei professionisti del mondo elettrico

LED, transistor, toroidi

Elettronica lineare e digitale: didattica ed applicazioni

Moderatori: Foto Utentecarloc, Foto Utenteg.schgor, Foto UtenteBrunoValente, Foto UtenteIsidoroKZ

-1
voti

[1] LED, transistor, toroidi

Messaggioda Foto Utentesimtrix » 3 ago 2014, 0:52

stavo cercando i componenti per il mio orologio con corona di 60 led quando mi trovo delle mini ciambelline colorate (toroidi), faccio una rapida ricerca e trovo...ladri di joule ovvero come spremere come un limone una batteria scarica. io vi chiedo: i toroidi in mio possesso vanno bene? i condensatori al poliestere vanno bene o é "d'obbligo" quelli ceramici? che tipo usare le aa oppure le aaa? e le batterie da 9 volt? il led va bene qualsiasi colore( bianco, blu etc...)? e quante spire bisogna avvolgere intorno al toroide? il led in foto é da 5mm O_/ O_/
Allegati
Toroidi led.jpg
led e toroidi
Avatar utente
Foto Utentesimtrix
73 2 7
Frequentatore
Frequentatore
 
Messaggi: 224
Iscritto il: 26 mar 2013, 10:48

0
voti

[2] Re: LED,transistor,toroidi

Messaggioda Foto Utentecabestano » 3 ago 2014, 7:13

Anche io sono rimasto affascinato dai " ladri di Joule" e recentemente ne ho realizzati diversi, ti posso dire che ho realizzato l' induttanza con toroidi ricavati da lampade CFL con 20+20 spire di filo in rame smaltato diametro 0,25 mm. Comunque ne ho realizzati con misure diverse, se hai un induttanzimetro rimani su valori di 50-100uH.
Questo sito mi è stato utile:
http://quantsuff.com/index.htm
Anche trasformatori di mutua induttanza ricavati da alimentatori switching rottamati vanno benissimo, rimanendo circa nei valori detti prima.
I led meglio bianchi o blue, funzionando a circa 3v mettono in risalto le caratteristiche del circuito.
Le batterie sono ininfluenti, le 9v non hanno senso, i ladri di Joule sono interessanti perché puoi accendere un led da circa 3V con batterie semiscariche, nel mio caso anche con 0,7v.
per un po di teoria vedi qui:
http://it.wikipedia.org/wiki/Ladro_di_Joule
Ciao.
Avatar utente
Foto Utentecabestano
105 2 3
New entry
New entry
 
Messaggi: 67
Iscritto il: 24 gen 2013, 13:15

0
voti

[3] Re: LED,transistor,toroidi

Messaggioda Foto Utentemrc » 3 ago 2014, 9:52

Ciao.

Oltre a quanto detto da Foto Utentecabestano, consiglierei la lettura del seguente articolo:

http://www.electroyou.it/posta10100/wik ... o-di-joule

e del seguente thread:

viewtopic.php?t=14140
Avatar utente
Foto Utentemrc
10,5k 6 11 13
Expert EY
Expert EY
 
Messaggi: 4023
Iscritto il: 16 apr 2009, 9:32

0
voti

[4] Re: LED,transistor,toroidi

Messaggioda Foto Utentesimtrix » 5 ago 2014, 10:56

domandina semplice per chi ha già fatto il "ladro" di joule (e per chi ne sa piú di me) : quanti led so possono accendere mettendoli in serie/parallelo? grazie. O_/
Avatar utente
Foto Utentesimtrix
73 2 7
Frequentatore
Frequentatore
 
Messaggi: 224
Iscritto il: 26 mar 2013, 10:48

1
voti

[5] Re: LED,transistor,toroidi

Messaggioda Foto Utentemrc » 5 ago 2014, 11:10

Se leggi, come ti ho suggerito, il thread indicato al secondo link, del mio post precedente, al post n°14 Foto Utenteposta10100, afferma di aver acceso tre led.

Ribadisco il mio consiglio Foto Utentesimtrix, leggi l' articolo e il thread che ti ho indicato nel post precedente. ;-)
Avatar utente
Foto Utentemrc
10,5k 6 11 13
Expert EY
Expert EY
 
Messaggi: 4023
Iscritto il: 16 apr 2009, 9:32

0
voti

[6] Re: LED,transistor,toroidi

Messaggioda Foto Utentesimtrix » 9 ago 2014, 10:02

Ho provato a fare il ladro di joule di posta10100 ma niente. Come transistor un bc547, condensatore ceramico da 1000 pf, come toroide un T44 verde/bianco. Per l'avvolgimento ho fatto così: ho avvolto completamente con filo di rame smaltato il toroide, calcolato le spire, fatto a metà ed ottengo solo il surriscaldamento del diodo. Dove ho sbagliato. O_/
Avatar utente
Foto Utentesimtrix
73 2 7
Frequentatore
Frequentatore
 
Messaggi: 224
Iscritto il: 26 mar 2013, 10:48

0
voti

[7] Re: LED,transistor,toroidi

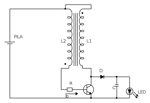
Messaggioda Foto Utentesimtrix » 9 ago 2014, 10:36

il circuito è questo
Avatar utente
Foto Utentesimtrix
73 2 7
Frequentatore
Frequentatore
 
Messaggi: 224
Iscritto il: 26 mar 2013, 10:48

0
voti

[8] Re: LED, transistor, toroidi

Messaggioda Foto Utentesimtrix » 11 ago 2014, 0:16

ho cannibalizzato, da una lampada a risparmio energetico, una bobina e... FUNGE!!!! \O-< \O-< \O-< \O-< era la bobina T44 bianco/verde a non fare funzionare il circuito
Avatar utente
Foto Utentesimtrix
73 2 7
Frequentatore
Frequentatore
 
Messaggi: 224
Iscritto il: 26 mar 2013, 10:48


Torna a Elettronica generale

Chi c’è in linea

Visitano il forum: Nessuno e 37 ospiti