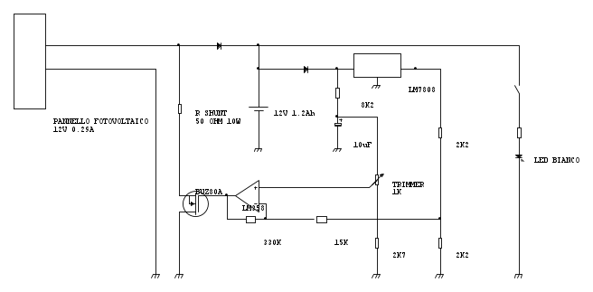
Salve a tutti, mi chiamo Massimiliano, sono molto interessato alle energie rinnovabili e sto progettando un carica batteria a pannello fotovoltaico, anche e sopratutto a scopo didattico. Ho letto diverse discussioni sul forum ma vorrei comunque proporre questa soluzione e avere i vostri suggerimenti.
Scopo:
caricare la batteria durante il giorno e alimentare una lampada a led durante la notte.
Dati:
pannello da 12v, corrente massima 0.29A
batteria al piombo da 12v, 1.2Ah.
Il carico è una lampada a led alla quale vengono forniti circa 100mA.
Funzionamento:
il circuito utilizza uno shunt per deviare la corrente in eccesso proveniente dal pannello una volta che la batteria è carica.
Il comparatore misura la tensione ai capi della batteria, il trimmer è regolato per avere la commutazione a circa 13.5v. A questo punto si accende il mosfet che fa passare la corrente sulle resistenze di protezione(circa 50 ohm 10W, deve assorbire per intero la corrente del pannello).
Cosa ne pensate? Vorrei riflettere su:
1- Metodo di carica: mancano la regolazione della tensione e della corrente, come dovrebbe essere la regolazione corretta?
2- Uso dello shunt: è corretto così? Preserva correttamente la batteria dalla sovraccarica?
Grazie a chiunque vorrà darmi qualche suggerimento.
Massimiliano
Regolatore carica batteria fotovoltaico
Moderatori:
carloc,
g.schgor,
BrunoValente,
IsidoroKZ
10 messaggi
• Pagina 1 di 1
0
voti
A che serve dissipare corrente nello shunt?
Suggerirei di rilevare il comportamento del pannello durante la carica della batteria
(vedi articolo), perché è probabile che basti un circuito che limiti la carica
oltre il valore max di tensione ammesso dalla batteria.
Suggerirei di rilevare il comportamento del pannello durante la carica della batteria
(vedi articolo), perché è probabile che basti un circuito che limiti la carica
oltre il valore max di tensione ammesso dalla batteria.
0
voti
Buona sera Giovanni,
la soluzione con lo shunt è proposta in diverse salse in più di una rivista di elettronica, apparentemente serve per preservare sia il pannello fotovoltaico che la batteria quando questa è carica e c'è il sole e quindi abbiamo energia in eccesso.
Ho pensato che il pannello in queste condizioni si possa danneggiare e l'energia in eccesso debba quindi essere deviata in un carico di protezione.
Un circuito che limiti la carica della batteria una volta che questa è carica, significa che devo "aprire" il circuito del pannello?
la soluzione con lo shunt è proposta in diverse salse in più di una rivista di elettronica, apparentemente serve per preservare sia il pannello fotovoltaico che la batteria quando questa è carica e c'è il sole e quindi abbiamo energia in eccesso.
Ho pensato che il pannello in queste condizioni si possa danneggiare e l'energia in eccesso debba quindi essere deviata in un carico di protezione.
Un circuito che limiti la carica della batteria una volta che questa è carica, significa che devo "aprire" il circuito del pannello?
Ultima modifica di
max75 il 17 ago 2014, 22:46, modificato 1 volta in totale.
0
voti
Il pannello dovrebbe aumentare la sua tensione man mano la batteria si carica.
Se è ben dimensionato la sua massima tensione dovrebbe coincidere con questa.
Alle nostre latitudini è difficile che il pannello dia il suo massimo, quindi è per questo
che consiglio una osservazione sperimentale.
Se è ben dimensionato la sua massima tensione dovrebbe coincidere con questa.
Alle nostre latitudini è difficile che il pannello dia il suo massimo, quindi è per questo
che consiglio una osservazione sperimentale.
1
voti
Quella "soluzione" del controllo di carica (fra le peggiori possibili) serve solo per evitare che una volta completata la carica della batteria si rischi la sovraccarica della stessa, andando a "dirottare" sulla resistenza si Shunt l'energia "in più" prodotta dal pannello. Serve a proteggere la batteria, non il pannello.
Dicevo "fra le peggiori" perché va a sprecare l'energia prodotta invece che usarla più profiquamente...
Inoltre, dal punto di vista circuitale, è sicuramente semplice ed economico ma assolutamente "sprecone"....
Solo per citarne una: il 7808 si "beve" circa 10mA solo di suo .... (senza contare quanto "sparso" per le resistenze attorno al comparatore...) come dire che che in 4 giorni è in grado di scaricare la batteria anche se il carico di destinazione (i led) non vengono mai accesi.
Inoltre quel circuito risolve solo uno solo dei 2 principali problemi di un regolatore di carica: la carica eccessiva; ma nulla fa per il lato opposto ovvero la troppa scarica.
Anche se non usi i led, a causa di quello che dicevo sopra, avviane una progressiva scarica della batteria ... e se si verificano più giorni di maltempo in cui il pannello non produce energia, accade che la batteria verrà scaricata troppo rischiando di andare nella zona in cui la stessa si danneggia.
Bisognerebbe aggiungere almeno un altro circuito comparatore che scolleghi la batteria quando la tensione della stessa scende sotto i 9-10V. Naturalmente pure questo circuito non deve consumare ....
Inoltre non mi tornano i dati del pannello: ma 12V è la tensione nel punto di massima efficienza ? perché per caricare una batteria da 12V, con quel circuito (aggiungi la tensione sul diodo) ti servono almeno 14,5V.
Dovresti mettere tutti i dati del pannello, sono almeno 4: tensione a vuoto, tensione a carico, corrente a carico e corrente di corto circuito. I 2 a carico servono per definire il punto di massima e gli altri 2 per stabilire i limiti estremi del funzionamento.
L'argomento che poni non è banale ed una corretta gestione della carica della batteria in un sistema fotovoltaico deve considerare molti aspetti che dovrebbero tendere alla massima efficienza e a garantire il massimo della vita della batteria.
Tornando alle tue domande, per una soluzione "sperimentale" quel circuito risolve uno dei 2 problemi principali, l'altro eventualmente puoi risolverlo "a mano"...
Buona sperimentazione
Bye
Ser.Tom
Dicevo "fra le peggiori" perché va a sprecare l'energia prodotta invece che usarla più profiquamente...
Inoltre, dal punto di vista circuitale, è sicuramente semplice ed economico ma assolutamente "sprecone"....
Solo per citarne una: il 7808 si "beve" circa 10mA solo di suo .... (senza contare quanto "sparso" per le resistenze attorno al comparatore...) come dire che che in 4 giorni è in grado di scaricare la batteria anche se il carico di destinazione (i led) non vengono mai accesi.
Inoltre quel circuito risolve solo uno solo dei 2 principali problemi di un regolatore di carica: la carica eccessiva; ma nulla fa per il lato opposto ovvero la troppa scarica.
Anche se non usi i led, a causa di quello che dicevo sopra, avviane una progressiva scarica della batteria ... e se si verificano più giorni di maltempo in cui il pannello non produce energia, accade che la batteria verrà scaricata troppo rischiando di andare nella zona in cui la stessa si danneggia.
Bisognerebbe aggiungere almeno un altro circuito comparatore che scolleghi la batteria quando la tensione della stessa scende sotto i 9-10V. Naturalmente pure questo circuito non deve consumare ....
Inoltre non mi tornano i dati del pannello: ma 12V è la tensione nel punto di massima efficienza ? perché per caricare una batteria da 12V, con quel circuito (aggiungi la tensione sul diodo) ti servono almeno 14,5V.
Dovresti mettere tutti i dati del pannello, sono almeno 4: tensione a vuoto, tensione a carico, corrente a carico e corrente di corto circuito. I 2 a carico servono per definire il punto di massima e gli altri 2 per stabilire i limiti estremi del funzionamento.
L'argomento che poni non è banale ed una corretta gestione della carica della batteria in un sistema fotovoltaico deve considerare molti aspetti che dovrebbero tendere alla massima efficienza e a garantire il massimo della vita della batteria.
Tornando alle tue domande, per una soluzione "sperimentale" quel circuito risolve uno dei 2 problemi principali, l'altro eventualmente puoi risolverlo "a mano"...
Buona sperimentazione
Bye
Ser.Tom0
voti
il 7808 si "beve" circa 10mA solo di suo .... (senza contare quanto "sparso" per le resistenze attorno al comparatore...)
Ho messo il multimetro in serie alla batteria e misura un po' meno di 10mA, pensavo di usare il secondo comparatore del LM358 per staccare il carico quando la batteria si scarica a 11V, a quel punto il circuito consumerà più di 15mA. Con i comparatori non saprei come fare per consumare meno.
12 V è la tensione nel punto di massima efficienza ? perché per caricare una batteria da 12 V, con quel circuito (aggiungi la tensione sul diodo) ti servono almeno 14,5 V.
Dovresti mettere tutti i dati del pannello, sono almeno 4: tensione a vuoto, tensione a carico, corrente a carico e corrente di corto circuito.
P = 5W
Vmax = 17.2V
Imax = 0.29A
V circuito aperto = 21.3V
I corto circuito = 0.32A
Questi i calcoli che avevo fatto per il dimensionamento:
12V * 80mA * 8 ore = 7.65Wh --> batteria che alimenta a 12v la lampada per 8 ore
12V * 100mA * 8 ore = 9.6 Wh --> energia fornita dal pannello ipotizzando una corrente media di 100 mA
Anche tenendo conto dell' autoconsumo del circuito dovremmo starci dentro, dato che la lampada rimane accesa per meno di 8 ore.
L'autoconsumo del circuito in realtà lo avevo solo stimato senza calcolarlo, invece mi preoccupa il fatto che la tensione del pannello viene applicata "brutalmente" ai capi della batteria e non viene nemmeno regolata la corrente. Questo comporta una riduzione della vita utile della batteria, come si può migliorare il circuito?
Avevo pensato a una modulazione fatta con un astabile che genera una onda triangolare, un comparatore che accende e spegne il mosfet dello shunt modulando la durata degli impulsi in base alla tensione di batteria. Ho visto una soluzione di questo tipo ma non ricordo bene dove, rimane comunque uno shunt e quindi "sprecone".
0
voti
Come ti dicevo, l'argomento è un po' complesso e non bastano poche righe per risolvere tutti i problemi.
E' un argomento poco trattato nella "letteratura" ... qui si tratta di trovare il giusto compromesso fra l'energia prodotta (massimizzando i rendimenti) e quella consumata (minimizzando gli sprechi).
Pessimo ragionamento! Non fidarti delle misure su un unico esemplare! Rappresentano solo un caso.
Meglio leggere i dati tecnici e ragionare con valori minimi ... tipici ... e MASSIMI. Che se pur massimi sono sempre possibili.
OK, i dati del pannello sembrano abbastanza "tarati" per usarlo come carica di una batteria a 12V.
Completo il ragionamento sotto ...
Qui bisogna ragionare in questi termini: la batteria è come un recipiente ... viene riempito dall'energia prodotta dal pannello, (occhio che la batteria ha un suo rendimento, a spanne circa il 70%) e viene svuotata dall'energia consumata dai led. Se l'energia prodotta (col rendimeno) supera quella consumata allora il bilancio è positivo (e, una volta pieno il recipiente, forse interviene il limitatorte di carica) se invece è maggiore quella consumata allora il bilancio è negativo ed allora dovrebbe intervenire il comparatore che scollega la batteria prima di danneggiarla.
Per l'energia prodotta dal pannello hai le caratteristiche tecniche che però vanno correlate con l'energia solare disponibile in base al periodo dell'anno e all'orientamento del pannello.
Il dato classico (quello che hai riportato, in genere definito potenza di picco: Wp) corrisponde alla situazione di orientamento ed insolazione massima (praticamente valido solo alle ore 12 del 21 Giugno di una giornata senza nubi ....) nella realtà l'energia media disponibile è molto minore. In rete è facile trovare tabelle con i valori medi disponibili, mese per mese.
Questo è invece l'aspetto meno preoccupante della facceda ...
Usato in quel modo (collegamento diretto alla batteria) il pannello "adegua il suo punto di lavoro" allo stato di carica della batteria.
Gli "Esperti" ti spareranno una sequenza di formule (tutto corretto, per carità
) ma semplificando possiamo ragionare considerando che il punto di lavoro del pannello (la Vo e la Io) si "spostano" a seconda dell'insolazione e dello stato ti carica della batteria. L'importante e che la corrente massima non superi quella accettata dalla batteria (in teoria, con la batteria da 1,2Ah, siamo sotto a 0,3C) e che la tensione massima non superi quella che provoca la sovraccarica .... ma per questo c'è proprio quel circuito che va a deviare verso lo "spreco" l'energia in eccesso.
Bye
Ser.Tom
E' un argomento poco trattato nella "letteratura" ... qui si tratta di trovare il giusto compromesso fra l'energia prodotta (massimizzando i rendimenti) e quella consumata (minimizzando gli sprechi).
max75 ha scritto: Ho messo il multimetro in serie alla batteria e misura un po' meno di...
Pessimo ragionamento! Non fidarti delle misure su un unico esemplare! Rappresentano solo un caso.
Meglio leggere i dati tecnici e ragionare con valori minimi ... tipici ... e MASSIMI. Che se pur massimi sono sempre possibili.
max75 ha scritto:P = 5W
Vmax = 17.2V
Imax = 0.29A
V circuito aperto = 21.3V
I corto circuito = 0.32A
OK, i dati del pannello sembrano abbastanza "tarati" per usarlo come carica di una batteria a 12V.
Completo il ragionamento sotto ...
max75 ha scritto:Questi i calcoli che avevo fatto per il dimensionamento:
12 V * 80mA * 8 ore = 7.65Wh --> batteria che alimenta a 12 V la lampada per 8 ore
12 V * 100mA * 8 ore = 9.6 Wh --> energia fornita dal pannello ipotizzando una corrente media di 100 mA
Qui bisogna ragionare in questi termini: la batteria è come un recipiente ... viene riempito dall'energia prodotta dal pannello, (occhio che la batteria ha un suo rendimento, a spanne circa il 70%) e viene svuotata dall'energia consumata dai led. Se l'energia prodotta (col rendimeno) supera quella consumata allora il bilancio è positivo (e, una volta pieno il recipiente, forse interviene il limitatorte di carica) se invece è maggiore quella consumata allora il bilancio è negativo ed allora dovrebbe intervenire il comparatore che scollega la batteria prima di danneggiarla.
Per l'energia prodotta dal pannello hai le caratteristiche tecniche che però vanno correlate con l'energia solare disponibile in base al periodo dell'anno e all'orientamento del pannello.
Il dato classico (quello che hai riportato, in genere definito potenza di picco: Wp) corrisponde alla situazione di orientamento ed insolazione massima (praticamente valido solo alle ore 12 del 21 Giugno di una giornata senza nubi ....) nella realtà l'energia media disponibile è molto minore. In rete è facile trovare tabelle con i valori medi disponibili, mese per mese.
... invece mi preoccupa il fatto che la tensione del pannello viene applicata "brutalmente" ai capi della batteria e non viene nemmeno regolata la corrente...
Questo è invece l'aspetto meno preoccupante della facceda ...
Usato in quel modo (collegamento diretto alla batteria) il pannello "adegua il suo punto di lavoro" allo stato di carica della batteria.
Gli "Esperti" ti spareranno una sequenza di formule (tutto corretto, per carità
Bye
Ser.Tom0
voti
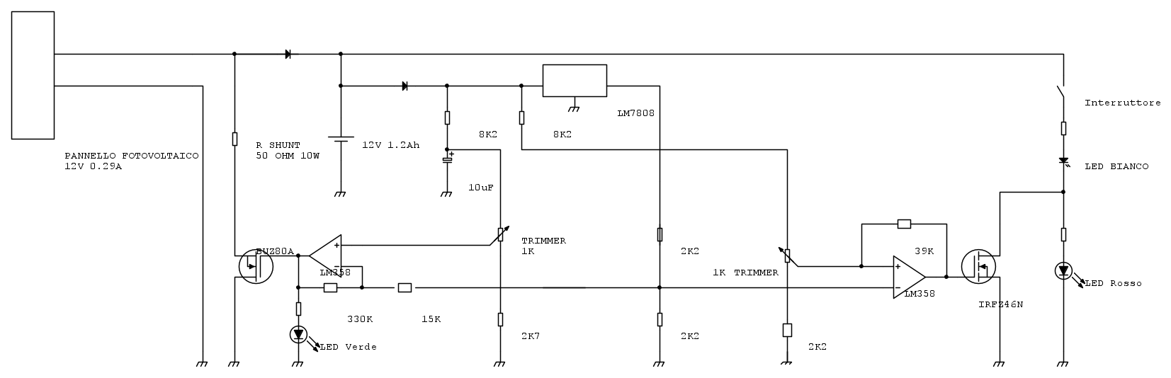
Riprendo la discussione anche se è passato molto tempo, completando il discorso iniziato 2 anni fa (cavoli come passa il tempo).
Ho aggiunto la parte di "stacco della batteria" quando questa è troppo scarica (ho regolato il trimmer per 11 volt), in realtà non stacca completamente ma devia la corrente attraverso un led rosso che indica batteria scarica. Il circuito non è il massimo del risparmio dato che consuma più di 10 mA a riposo, ora sta funzionando ma il vero test sarà in inverno, con poche ore di luce a caricare la batteria.
Ho aggiunto la parte di "stacco della batteria" quando questa è troppo scarica (ho regolato il trimmer per 11 volt), in realtà non stacca completamente ma devia la corrente attraverso un led rosso che indica batteria scarica. Il circuito non è il massimo del risparmio dato che consuma più di 10 mA a riposo, ora sta funzionando ma il vero test sarà in inverno, con poche ore di luce a caricare la batteria.
10 messaggi
• Pagina 1 di 1
Chi c’è in linea
Visitano il forum: Nessuno e 138 ospiti

Elettrotecnica e non solo (admin)
Un gatto tra gli elettroni (IsidoroKZ)
Esperienza e simulazioni (g.schgor)
Moleskine di un idraulico (RenzoDF)
Il Blog di ElectroYou (webmaster)
Idee microcontrollate (TardoFreak)
PICcoli grandi PICMicro (Paolino)
Il blog elettrico di carloc (carloc)
DirtEYblooog (dirtydeeds)
Di tutto... un po' (jordan20)
AK47 (lillo)
Esperienze elettroniche (marco438)
Telecomunicazioni musicali (clavicordo)
Automazione ed Elettronica (gustavo)
Direttive per la sicurezza (ErnestoCappelletti)
EYnfo dall'Alaska (mir)
Apriamo il quadro! (attilio)
H7-25 (asdf)
Passione Elettrica (massimob)
Elettroni a spasso (guidob)
Bloguerra (guerra)





