Amplificare segnale debole
Moderatori:
carloc,
g.schgor,
BrunoValente,
IsidoroKZ
30 messaggi
• Pagina 1 di 3 • 1, 2, 3
0
voti
Salve a tutti, ho un dispositivo che lavora a 3.3V e ha 5 uscite digitali, solo che come "1" anzichè avere circa i 3V ho 1/1.20V, avrei di bisogno di portarlo almeno a 5V, premetto che questo dispositivo lo alimento con un regolatore di tensione, cioe tutto il circuito lavora a 5V, ma solo questo dispositivo con un regolatore di tensione lo alimento a 3.3V... Come potrei ovviare a questo problema?
-

daniele1996
610 3 8 11 - Sostenitore

- Messaggi: 1554
- Iscritto il: 29 ago 2011, 11:29
0
voti
Ciao! Posso chiedere da cosa nasce la necessità di avere il segnale a 5 V? Con cosa devi interfacciarti? E per curiosità, di che dispositivo si tratta? 
0
voti
il dispositivo è un ricevitore a 5 canali, devo interfacciarlo con le porte logiche e un micro, ma 1/1.20 viene visto com livello logico 0 e non 1 dal micro/porte logiche il valore è uguale per tutte le uscite, quindi non si tratta di un problema di una sola uscita...
-

daniele1996
610 3 8 11 - Sostenitore

- Messaggi: 1554
- Iscritto il: 29 ago 2011, 11:29
0
voti
0
voti
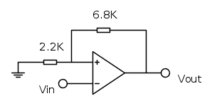
Potresti usare una soluzione semplice come quella in schema.
Anche se andrebbero definiti meglio i parametri del sistema...
Anche se andrebbero definiti meglio i parametri del sistema...
0
voti
Bene, vi do la sigla dell'integrato... e vi dico a priori che in uscita dovrebbe dare il Vcc.. purtroppo non lo da.. la sigla è RX2C Questo è il DS della coppia di integrati TX e RX.. l'integrato si trova in un PCB di una macchinina cinese acquistata apposta, perché non avevo voglia di fare tarature e studi sulle radio frequenze per avere un ricevitore e un trasmettitore...
-

daniele1996
610 3 8 11 - Sostenitore

- Messaggi: 1554
- Iscritto il: 29 ago 2011, 11:29
0
voti
intendi dei relè? se si, ti rispondo subito: devo usare questo ricevitore con porte logiche e un micro... perché dovrei usarli?
-

daniele1996
610 3 8 11 - Sostenitore

- Messaggi: 1554
- Iscritto il: 29 ago 2011, 11:29
30 messaggi
• Pagina 1 di 3 • 1, 2, 3
Chi c’è in linea
Visitano il forum: Nessuno e 231 ospiti

Elettrotecnica e non solo (admin)
Un gatto tra gli elettroni (IsidoroKZ)
Esperienza e simulazioni (g.schgor)
Moleskine di un idraulico (RenzoDF)
Il Blog di ElectroYou (webmaster)
Idee microcontrollate (TardoFreak)
PICcoli grandi PICMicro (Paolino)
Il blog elettrico di carloc (carloc)
DirtEYblooog (dirtydeeds)
Di tutto... un po' (jordan20)
AK47 (lillo)
Esperienze elettroniche (marco438)
Telecomunicazioni musicali (clavicordo)
Automazione ed Elettronica (gustavo)
Direttive per la sicurezza (ErnestoCappelletti)
EYnfo dall'Alaska (mir)
Apriamo il quadro! (attilio)
H7-25 (asdf)
Passione Elettrica (massimob)
Elettroni a spasso (guidob)
Bloguerra (guerra)






