Scusate se non mi sono fatto più sentire ma tra lavoro e "ferie" sono stato un po impegnato.
ieri ho completato il lavoro.
Ho utilizzato un alimentatore switching 24 V 1A pagato 7 euro.
Ho fatto una foto con il cell del tutto.
Però c'è un problema che non riesco a spiegarmi perché e come sia possibile che accada..
quando accendo un qualsiasi neon con reattore tradizzionale i led sfarfallano come il neon, e quando lo spengo si accende per mezzo secondo anche i led, mentre con neon con reattore elettronico e lampade alogene/incandescenza, questo non accade. Il problema è che non riesco a collegare le due cose, visto che il relè non interviene e nemmeno i due led di segnalazione che ho messo, non me no spiego proprio.
Il negativo e la messa a terra vanno collegati insieme? perché adesso non lo sono ma anche provando non cambia nulla.
Saluti
edit. non mi carica la foto, mi da errore 413
Centralino per luci emergenza
Moderatori:
carloc,
g.schgor,
BrunoValente,
IsidoroKZ
0
voti
0
voti
Enermax ha scritto: ...quando accendo un qualsiasi neon con reattore tradizzionale i LED sfarfallano come il neon, e quando lo spengo si accende per mezzo secondo anche i LED, mentre con neon con reattore elettronico e lampade alogene/incandescenza, questo non accade.
Scusa ma non ho capito cosa colleghi in uscita al circuito, puoi collegare solo apparecchi che funzionino a 12Vdc. Non ho notizia di neon con reattore/starter tradizionali funzionanti in corrente continua.
Enermax ha scritto: Il problema è che non riesco a collegare le due cose, visto che il relè non interviene e nemmeno i due LED di segnalazione che ho messo, non me no spiego proprio.
Qui invece non ho capito niente, quali "due cose"? In quali condizioni il relé non interviene??
Per caricare le immagini clicca sulla voce Help ["Guida all'utilizzo del forum", "Immagini"] in alto in questa stessa pagina
-

FedericoSibona
5.022 3 5 8 - Master

- Messaggi: 3951
- Iscritto il: 19 mar 2013, 11:43
0
voti
provo a scrivere con più calma.
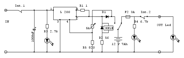
Il circuito è composto da, alimentatore, circuito che avevamo visto, batteria, driver e led. Il circuito funziona alla perfezione, fa esattamente il lavoro per cui è stato progettato.
Mi riferisco ai neon che ho in casa, garage, cantina ecc, quando accendo uno di essi accade che, come sfarfallano i neon durante l'accensione, anche i led assumono lo stesso comportamento. Non mi spiego la relazione tra i due, visto che in comune hanno solo la rete di casa.
Per il discorso relè mi riferisco proprio a questo fenomeno.
Parto dal presupposto che se scollego il positivo o il negativo che alimenta di driver il fenomeno accade ugualmente, mentre se scollego un polo della batteria non accade.
In merito al relè non mi spiego l'accensione dei led visto che il relè ha il contatto NC eccitato, quindi non chiude il circuito tra batteria e driver/led, quidni come fanno ad accendersi?
Ecco una foto di come si presenta il tutto
Il circuito è composto da, alimentatore, circuito che avevamo visto, batteria, driver e led. Il circuito funziona alla perfezione, fa esattamente il lavoro per cui è stato progettato.
Mi riferisco ai neon che ho in casa, garage, cantina ecc, quando accendo uno di essi accade che, come sfarfallano i neon durante l'accensione, anche i led assumono lo stesso comportamento. Non mi spiego la relazione tra i due, visto che in comune hanno solo la rete di casa.
Per il discorso relè mi riferisco proprio a questo fenomeno.
Parto dal presupposto che se scollego il positivo o il negativo che alimenta di driver il fenomeno accade ugualmente, mentre se scollego un polo della batteria non accade.
In merito al relè non mi spiego l'accensione dei led visto che il relè ha il contatto NC eccitato, quindi non chiude il circuito tra batteria e driver/led, quidni come fanno ad accendersi?
Ecco una foto di come si presenta il tutto
0
voti
Enermax ha scritto: Mi riferisco ai neon che ho in casa, garage, cantina ecc, quando accendo uno di essi accade che, come sfarfallano i neon durante l'accensione, anche i LED assumono lo stesso comportamento. Non mi spiego la relazione tra i due, visto che in comune hanno solo la rete di casa.
Il motivo potrebbe essere che l'alimentatore switching che usi al posto dell'alimentatore è molto più sensibile ai disturbi di rete di quanto potrebbe essere un trasformatore che anzi, tali disturbi tende a filtrare.
Enermax ha scritto: Per il discorso relè mi riferisco proprio a questo fenomeno.
Parto dal presupposto che se scollego il positivo o il negativo che alimenta di driver il fenomeno accade ugualmente, mentre se scollego un polo della batteria non accade.
In merito al relè non mi spiego l'accensione dei LED visto che il relè ha il contatto NC eccitato, quindi non chiude il circuito tra batteria e driver/LED, quidni come fanno ad accendersi?
Qui invece uno schemino esplicativo di cosa intendi lo ritengo indispensabile. Ho anche la sensazione che ci sia un po' di confusione tra LED di illuminazione e LED di segnalazione
-

FedericoSibona
5.022 3 5 8 - Master

- Messaggi: 3951
- Iscritto il: 19 mar 2013, 11:43
0
voti
Questo il il circuito:
Ho provato ad utilizzare anche un alimentatore da banco e fa lo sterzo scherzo.
Io do la colpa ai driver, che sono dei driver 12V AC/DC.
Se fossero dei disturbi all'alimentatore dovrebbe accadere che, il relè si diseccita chiudendo il contatto tra batteria e Led, però non è così visto che non sento nessun rumore dal relè. Inoltre, se l'interruttore Int.2 lo "aziono" e apro il circuito tra batteria e led, il fenomeno accade ugualemente.
Ho scollegato una volta il positivo e una volta il negativo da Out Led, e il fenomeno accade ancora. Se scollegato un polo della batteria il fenoneno NON accade.
Oltre a questo, se aziono manualmente l'interruttore Int.1 per simulare la mancanza di corrente, l'alimentatore restando alimentato dalla 230v, emette un ronzio, è necessario collegare negativo e messa a terra?
Ho provato ad utilizzare anche un alimentatore da banco e fa lo sterzo scherzo.
Io do la colpa ai driver, che sono dei driver 12V AC/DC.
Se fossero dei disturbi all'alimentatore dovrebbe accadere che, il relè si diseccita chiudendo il contatto tra batteria e Led, però non è così visto che non sento nessun rumore dal relè. Inoltre, se l'interruttore Int.2 lo "aziono" e apro il circuito tra batteria e led, il fenomeno accade ugualemente.
Ho scollegato una volta il positivo e una volta il negativo da Out Led, e il fenomeno accade ancora. Se scollegato un polo della batteria il fenoneno NON accade.
Oltre a questo, se aziono manualmente l'interruttore Int.1 per simulare la mancanza di corrente, l'alimentatore restando alimentato dalla 230v, emette un ronzio, è necessario collegare negativo e messa a terra?
0
voti
Senti, per cercare di capire qualcosa in più, potresti provvisoriamente sostituire il carico (driver + LED) con una lampadina da auto da 21W o meno?
Se devo essere sincero non ho mica capito dove hai collegato dei driver con ingresso in AC nel circuito. Puoi riportare i driver, con relativi collegamenti, nel circuito in FidoCad?
Se devo essere sincero non ho mica capito dove hai collegato dei driver con ingresso in AC nel circuito. Puoi riportare i driver, con relativi collegamenti, nel circuito in FidoCad?
-

FedericoSibona
5.022 3 5 8 - Master

- Messaggi: 3951
- Iscritto il: 19 mar 2013, 11:43
0
voti
Esistono in commercio,io l'ho usato, dei caricabatteria pronti all'uso con tanti di spinotti faston.
Devi solo inserie in sul circuito d'uscita a 12V un relè con bobina 230Vca costantemente eccitato dalla tensione di rete.Non spesi molto.
E non è per barra DIN.
Devi solo inserie in sul circuito d'uscita a 12V un relè con bobina 230Vca costantemente eccitato dalla tensione di rete.Non spesi molto.
E non è per barra DIN.
-

NinoAL
813 1 8 - Utente disattivato per decisione dell'amministrazione proprietaria del sito
- Messaggi: 128
- Iscritto il: 20 lug 2012, 19:09
0
voti
Enermax ha scritto: Oltre a questo, se aziono manualmente l'interruttore Int.1 per simulare la mancanza di corrente, l'alimentatore restando alimentato dalla 230v, emette un ronzio, è necessario collegare negativo e messa a terra?
Ma in messaggio [44] non avevi detto che l'interruttore lo avevi messo a monte di tutto?
-

FedericoSibona
5.022 3 5 8 - Master

- Messaggi: 3951
- Iscritto il: 19 mar 2013, 11:43
0
voti
Domani proverò con una lampadina tradizionale.
I driver non saprei come aggiungerli allo schema, in quanto non conosco il circuito elettrico di essi, metto una foto per far vedere come sono fatti, sono driver per led da 1W, si possono collegare da 1 a 3 led in serie, sono venduti come compatibili sia per AC che DC in ingresso, infatti subito dopo l'ingresso ci sono 4 diodi che fanno da ponte.
Nel messaggio 44 avevo detto così ma si parlava di trasformatori, per sicurezza e comodità ho fatto così.
I driver non saprei come aggiungerli allo schema, in quanto non conosco il circuito elettrico di essi, metto una foto per far vedere come sono fatti, sono driver per led da 1W, si possono collegare da 1 a 3 led in serie, sono venduti come compatibili sia per AC che DC in ingresso, infatti subito dopo l'ingresso ci sono 4 diodi che fanno da ponte.
Nel messaggio 44 avevo detto così ma si parlava di trasformatori, per sicurezza e comodità ho fatto così.
- Allegati
-
- 0_1323060620149_l.jpg (41.19 KiB) Osservato 3924 volte
Chi c’è in linea
Visitano il forum: Nessuno e 134 ospiti

Elettrotecnica e non solo (admin)
Un gatto tra gli elettroni (IsidoroKZ)
Esperienza e simulazioni (g.schgor)
Moleskine di un idraulico (RenzoDF)
Il Blog di ElectroYou (webmaster)
Idee microcontrollate (TardoFreak)
PICcoli grandi PICMicro (Paolino)
Il blog elettrico di carloc (carloc)
DirtEYblooog (dirtydeeds)
Di tutto... un po' (jordan20)
AK47 (lillo)
Esperienze elettroniche (marco438)
Telecomunicazioni musicali (clavicordo)
Automazione ed Elettronica (gustavo)
Direttive per la sicurezza (ErnestoCappelletti)
EYnfo dall'Alaska (mir)
Apriamo il quadro! (attilio)
H7-25 (asdf)
Passione Elettrica (massimob)
Elettroni a spasso (guidob)
Bloguerra (guerra)



