Elevatore di tensione da 12 V a 70 V
Moderatori:
carloc,
g.schgor,
BrunoValente,
IsidoroKZ
18 messaggi
• Pagina 1 di 2 • 1, 2
0
voti
Ciao a tutti, ho la necessità di elevare le tensione di una batteria a 12v a circa 70v per l'anaodica di una radiolina a valvole, ma non sono riuscito a trovare degli schemi ,tra l'altro con pochissima corrente 10mA,grazie a chi mi da un piccolo aiuto, bye
0
voti
70V sono tanti!!
Di convertitori dc-dc switching intagrati li ho visti fino a un massimo di 50V, non so se ti conviene farlo discreto...
Oppure potresti trasformare i 12V continui in sinusoidali con una not a cmos (che regge 12V) e poi usare dei moltiplicatori di tensione (coppia diodo-condensatore) per portarla a tanto e riconvertirla in continua, ma non so fino a che punto convenga...
Di convertitori dc-dc switching intagrati li ho visti fino a un massimo di 50V, non so se ti conviene farlo discreto...
Oppure potresti trasformare i 12V continui in sinusoidali con una not a cmos (che regge 12V) e poi usare dei moltiplicatori di tensione (coppia diodo-condensatore) per portarla a tanto e riconvertirla in continua, ma non so fino a che punto convenga...
0
voti
Grazie, infatti non sono tantissimi ma 70 V non sono semplici da ottenere dovrei riuscire a fare uno switching ma dovrei farmi anche il trasformatorino ma non so in che modo, bye
0
voti
Qui ci sono degli spunti:
http://www.dos4ever.com/battery/battery.html
La problematica mi pare la stessa, forse ci sarà da aggiustare la tensione in uscita al valore che desideri.
http://www.dos4ever.com/battery/battery.html
La problematica mi pare la stessa, forse ci sarà da aggiustare la tensione in uscita al valore che desideri.
Follow me on Mastodon: @davbucci@mastodon.sdf.org
-

DarwinNE
31,0k 7 11 13 - G.Master EY

- Messaggi: 4420
- Iscritto il: 18 apr 2010, 9:32
- Località: Grenoble - France
0
voti
rfabri ha scritto: ma dovrei farmi anche il trasformatorino
Ci sono degli schemi senza trasformatorino, cioè con una semplice induttanza e uno zener per limitare la tensione; non sono granchè ma se il carico è costante, una volta messi a punto possono andare.
0
voti
Grazie mille darwinNE, è praticamente quello che dovrei fare io, ora devo capire come fpartire, farò un paio di esperimenti poi in base ai risultati realizzerò, ecotan mi sai dare un link per schemi senza trafo grazie, bye
0
voti
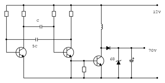
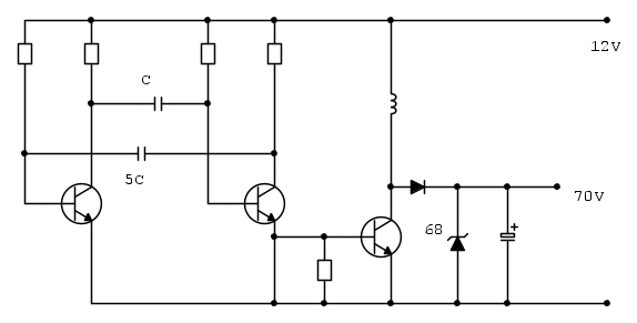
rfabri ha scritto:mi sai dare un link per schemi senza trafo grazie
la mia idea sarebbe così
cioè un astabile asimmetrico ma non chiedermi i valori perché dipendono dall'induttanza che si può trovare, dal carico, dall'ondulazione tollerata, dalla velocità dei semiconduttori eccetera.
0
voti
ok ho visto quello non è un errore.., ma invece di un oscillatore con due tr il solito 555 in configurazione PWM potrebbe andare? una indutanza di partenza? , tanto per soli 10 mA non credo ci siano grossi problemi, ho fatto alcune prove con un alimentatore e la radio funziona da 55V a 75V, è tanto per far funzionare una piccola radio a valvole portatile di un caro amico,che come al solito poi la accendera 1 sola volta poi metterà via tutto, bye
18 messaggi
• Pagina 1 di 2 • 1, 2
Chi c’è in linea
Visitano il forum: Nessuno e 159 ospiti

Elettrotecnica e non solo (admin)
Un gatto tra gli elettroni (IsidoroKZ)
Esperienza e simulazioni (g.schgor)
Moleskine di un idraulico (RenzoDF)
Il Blog di ElectroYou (webmaster)
Idee microcontrollate (TardoFreak)
PICcoli grandi PICMicro (Paolino)
Il blog elettrico di carloc (carloc)
DirtEYblooog (dirtydeeds)
Di tutto... un po' (jordan20)
AK47 (lillo)
Esperienze elettroniche (marco438)
Telecomunicazioni musicali (clavicordo)
Automazione ed Elettronica (gustavo)
Direttive per la sicurezza (ErnestoCappelletti)
EYnfo dall'Alaska (mir)
Apriamo il quadro! (attilio)
H7-25 (asdf)
Passione Elettrica (massimob)
Elettroni a spasso (guidob)
Bloguerra (guerra)






.. la base del transistor finale è erroneamente collegata a massa.. vabbè, a buon intenditor..