da
obiuan » 1 set 2014, 12:14
Andy85 ha scritto:2)
attenuazione

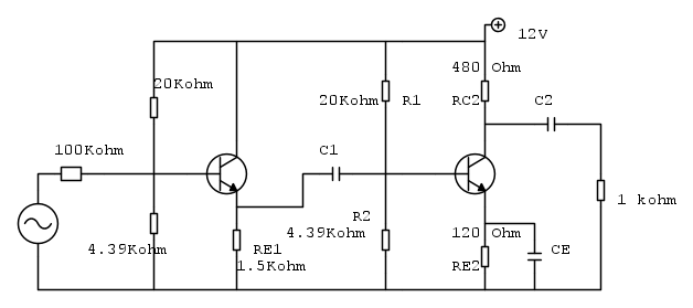
Ri è la resistenza di ingresso dello stadio a collettore comune, con "resistenza di ingresso del primo stadio" intendevo quella dello stadio completo, compreso di polarizzazione, che è

. La sorgente ha una resistenza d'uscita di 100k, quindi l'attenuazione viene altissima, come hai "quasi" giustamente calcolato":

quindi direi che stai massacrando il segnale di ingresso col primo stadio, quando in realtà avevi messo un CC proprio per disaccoppiare il secondo dal primo. QUindi come si fa?
fai attenzione che tutto questo non è facile per niente, amplificare un segnale con un'impedenza di quel genere con i BJT è tutt'altro che immediato..quindi non farti prendere dallo sconforto, è l'esercizio che è senza senso (anche se fa emergere molti dei problemi della progettazione a BJT, quindi seppur senza senso pratico mi sembra un esercizio didatticamente valido).