banjoman ha scritto:Con il primo stadio a CC in questi casi estremi (resistenza del generatore molto alta) si utilizza la polarizzazione con effetto bootstrap.
In tal modo la resistenza d'ingresso vista dalla sorgente diviene di svariati megaohm.
Come soluzione finale e definitiva propongo un darlington bootstrapped.
hmmm...bella idea, ma a 100khz non è un po' tirato un darligton in boostrap?
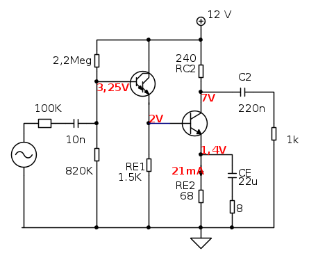
comunque, ho fatto due conti in velocità e spero di non aver commesso errori (preferivo li facessi tu perché poi nella fretta magari faccio qualche strafalcione), ma direi che senza complicarsi troppo la vita e usando un doppio stadio standard potresti fare così:
che non è come lo avrei fatto (ODIO gettare corrente per deformazione professionale :P), ma non mi sembra nemmeno faccia tanto schifo, o quanto meno non mi sembra si possa fare tanto meglio con due soli transistor. Personalmente, avrei optato per un totem pole (versione analogica, si intende) in uscita, così da poter alzare quella 68Ohm che mi sembra sia l'anello debole...
Noterai che ho tolto il disaccoppiamento fra il primo ed il secondo stadio...essendo il primo un CC si può usare la sua uscita per polarizzare il secondo CE.

Elettrotecnica e non solo (admin)
Un gatto tra gli elettroni (IsidoroKZ)
Esperienza e simulazioni (g.schgor)
Moleskine di un idraulico (RenzoDF)
Il Blog di ElectroYou (webmaster)
Idee microcontrollate (TardoFreak)
PICcoli grandi PICMicro (Paolino)
Il blog elettrico di carloc (carloc)
DirtEYblooog (dirtydeeds)
Di tutto... un po' (jordan20)
AK47 (lillo)
Esperienze elettroniche (marco438)
Telecomunicazioni musicali (clavicordo)
Automazione ed Elettronica (gustavo)
Direttive per la sicurezza (ErnestoCappelletti)
EYnfo dall'Alaska (mir)
Apriamo il quadro! (attilio)
H7-25 (asdf)
Passione Elettrica (massimob)
Elettroni a spasso (guidob)
Bloguerra (guerra)









