Amplificatore differenziale(a op amp ideale)
Effetto 1:






che letto così:

semplificando è chiaramente:

che è il guadagno dell'ampli non invertente

applicato al segnale sul "+", che è il partitore

su

.
immediatamente si può calcolare l'effetto 2:


è quindi un
normale invertente che ha come noto guadagno:

Da cui, sovrapponendo:

Nota: da questa si ricava che se poniamo

e

, sostituendo otteniamo:

L'impedenza di ingresso
vista da

è in questo caso

.
Quella
vista da

è in questo caso

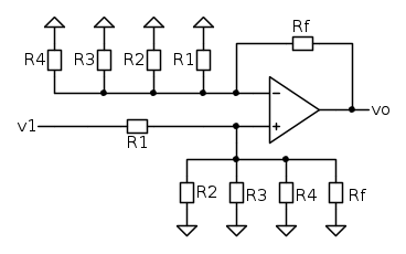
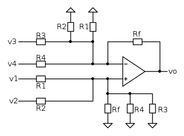
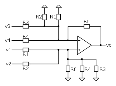
Se si aggiungono altri rami sul "+" e sul "-" si ottiene il cosiddetto
Combinatore linearea op amp ideale
Cosa cambia per i guadagni e le impedenze di ingresso dei vari canali?
Per le impedenze è facilmente visibile:
- per ogni canale di ingresso
negativo l'impedenza di ingresso è la resistenza che collega il segnale al terminale "-" dell'opa
- per ogni canale di ingresso
positivo l'impedenza di ingresso è la serie della resistenza che collega il segnale al terminale "+" dell'opa con il parallelo fra

e tutte le altre R che collegano gli altri canali al "+". Nell'esempio a due canali sarà quindi, per l'impedenza di ingresso
vista da

:

Per i guadagni:
- il guadagno di ciascun canale
negativo resta invariato ed uguale al rapporto fra la resistenza di feedback

e la resistenza che lo collega al terminale "-".
- il guadagno di ciascun canale
positivo varia e mi sembra immediato dimostrare che si può scrivere nella stessa forma:

dove:
-
i è il numero del canale di ingresso
-

è il parallelo fra

e tutte le altre R che collegano gli altri canali al "+"
-

è il parallelo di tutte le resistenze dei canali di ingresso negativi.