Dovrei riparare la scheda elettronica di una stufa a pellet.
Il difetto riscontrato è che due delle tre ventole vengono alimentate, scaldano, ma non girano.
Ho, in un primo tentativo, sostituito i triac (dei BTA08) ed i condensatori (400V, 0.1 microFarad), ma il difetto persiste uguale.
Poi ho ricavato lo schema dal circuito sullo stampato ed è molto diverso da quelli riportati nei datasheet dei diac e dei triac.
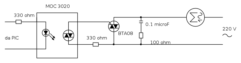
Siccome non ho idea se il guasto possa derivare dal controllo del diac che è stato fatto con un PIC dove proprio non potrei andare a sgattare, vi sottopongo lo schema relativo al diac ed al triac per avere un parere in merito alla sua affidabilità e se secondo voi convenga tentare di sostituire i diac oppure modificare il tutto seguendo gli schemi applicativi dei datasheet.
Scheda stufa a pellet : difetto controllo ventole
11 messaggi
• Pagina 1 di 2 • 1, 2
0
voti
Ultima modifica di
stefanob70 il 3 set 2014, 21:28, modificato 1 volta in totale.
Motivazione: Topic spostato nella sezione Costruzione, montaggio e riparazione
Motivazione: Topic spostato nella sezione Costruzione, montaggio e riparazione
0
voti
Modificare lo schema di una scheda collaudata e conforme alle normative e' l'ultima cosa che farei.
Piuttosto se la sostituzione del triac non da esiti positivi,dovresti verificare che l'optoisolatore funzioni,altrimenti il Triac rimane a riposo.
Piuttosto se la sostituzione del triac non da esiti positivi,dovresti verificare che l'optoisolatore funzioni,altrimenti il Triac rimane a riposo.
⋮ƎlectroYou
-

stefanob70
14,1k 5 11 13 - Master EY

- Messaggi: 3190
- Iscritto il: 14 lug 2012, 13:14
- Località: Roma
0
voti
Ho sostituito i diac ma il problema è rimasto.
Ho analizzato ancora il circuito elettronico della scheda e non c'è nessun collegamento sull'alternata che possa far presupporre un sistema di rivelazione del passaggio per lo zero della sinusoide, quindi continuo a non capire come potrebbe lavorare regolarmente per ottenere la regolazione di velocità delle ventole, pare che in qualche modo il PIC allarghi o stringa il tempo degli impulsi di eccitazione del diac, ma non essendoci la rivelazione di zero crossing il risultato sia lasciato al caso, ho bisogno del parere di qualcuno più esperto di me.
Ho analizzato ancora il circuito elettronico della scheda e non c'è nessun collegamento sull'alternata che possa far presupporre un sistema di rivelazione del passaggio per lo zero della sinusoide, quindi continuo a non capire come potrebbe lavorare regolarmente per ottenere la regolazione di velocità delle ventole, pare che in qualche modo il PIC allarghi o stringa il tempo degli impulsi di eccitazione del diac, ma non essendoci la rivelazione di zero crossing il risultato sia lasciato al caso, ho bisogno del parere di qualcuno più esperto di me.
1
voti
Il circuito rilevatore per lo zero crossing,puo' essere gestito anche da microcontrollore,ma non escludere che i MOC ne siano gia' provvisti internamente.
E' piu' o meno lo stesso schema delle centrali di automazione di cancelli elettrici:
la modulazione del segnale di controllo permette la variazione di potenza nel motore e viene regolata attraverso il micro che invia degli impulsi a onda quadra di durata prestabilita (D.C.%) in modo da limitare o incrementare la corrente nel Triac.
Domanda:
-Ma le misure le hai eseguite con l'oscilloscopio all'ingresso del Moc?
A titolo di esempio guarda questo mio video,sulla riparazione di una scheda faac che dava problemi sulla regolazione del motore.
Clicca qui
E' piu' o meno lo stesso schema delle centrali di automazione di cancelli elettrici:
la modulazione del segnale di controllo permette la variazione di potenza nel motore e viene regolata attraverso il micro che invia degli impulsi a onda quadra di durata prestabilita (D.C.%) in modo da limitare o incrementare la corrente nel Triac.
Domanda:
-Ma le misure le hai eseguite con l'oscilloscopio all'ingresso del Moc?
A titolo di esempio guarda questo mio video,sulla riparazione di una scheda faac che dava problemi sulla regolazione del motore.
Clicca qui
⋮ƎlectroYou
-

stefanob70
14,1k 5 11 13 - Master EY

- Messaggi: 3190
- Iscritto il: 14 lug 2012, 13:14
- Località: Roma
0
voti
Eccomi qua.
Ho fatto alcune prove e ve ne comunico gli esiti sperando che a qualcuno vengano in mente soluzioni più semplici di quelle che adotterei io.
Le ventole alimentate direttamente a 220 V con una prolunga allacciata alla rete elettrica funzionano correttamente.
Ho allacciato l'oscilloscopio (ho solo il Visual Analizer di Nuova Elettronica con collegamento USB al PC), ai piedini di controllo dei MOC3020, c'è una precisa onda quadra a 50 Hz con duty cycle variabile direi che l'onda quadra e la variazione del tempo di on e off siano ragionevoli e funzionino con regolarità durante le varie fasi di funzionamento della stufa.
Ma le ventole collegate a quei triac comunque girano praticamente a scatti molto lenti e surriscaldano.
Ho idea di costruire dei variatori controllati da quelle onde quadre che escono dal PIC seguendo le indicazioni dei datasheet rilasciati per il MOC3020 (che sono molto differenti rispetto alla soluzione applicata dal costruttore della scheda), quello che non mi spiego è come abbia fatto il sistema a funzionare regolarmente per circa cinque anni.
Mi resta il dubbio (approfondirò) di come faccia il PIC a intercettare lo zero crossing , ma mi pare di aver visto nella parte di alimentazione del circuito cinque diodi anzichè i quattro canonici del ponte raddrizzatore, se il quinto servisse appunto per tracciare il passaggio per lo zero e fosse difettoso forse il problema sarebbe in quel punto....
L'oscilloscopio (" ") dal lato di potenza non mi sono fidato a collegarlo quindi non Vi so riferire in merito alla sincronizzazione delle onde quadre di controllo con il passaggio per lo zero della alimentazione da rete.
Grazie per l'attenzione.
Ho fatto alcune prove e ve ne comunico gli esiti sperando che a qualcuno vengano in mente soluzioni più semplici di quelle che adotterei io.
Le ventole alimentate direttamente a 220 V con una prolunga allacciata alla rete elettrica funzionano correttamente.
Ho allacciato l'oscilloscopio (ho solo il Visual Analizer di Nuova Elettronica con collegamento USB al PC), ai piedini di controllo dei MOC3020, c'è una precisa onda quadra a 50 Hz con duty cycle variabile direi che l'onda quadra e la variazione del tempo di on e off siano ragionevoli e funzionino con regolarità durante le varie fasi di funzionamento della stufa.
Ma le ventole collegate a quei triac comunque girano praticamente a scatti molto lenti e surriscaldano.
Ho idea di costruire dei variatori controllati da quelle onde quadre che escono dal PIC seguendo le indicazioni dei datasheet rilasciati per il MOC3020 (che sono molto differenti rispetto alla soluzione applicata dal costruttore della scheda), quello che non mi spiego è come abbia fatto il sistema a funzionare regolarmente per circa cinque anni.
Mi resta il dubbio (approfondirò) di come faccia il PIC a intercettare lo zero crossing , ma mi pare di aver visto nella parte di alimentazione del circuito cinque diodi anzichè i quattro canonici del ponte raddrizzatore, se il quinto servisse appunto per tracciare il passaggio per lo zero e fosse difettoso forse il problema sarebbe in quel punto....
L'oscilloscopio (" ") dal lato di potenza non mi sono fidato a collegarlo quindi non Vi so riferire in merito alla sincronizzazione delle onde quadre di controllo con il passaggio per lo zero della alimentazione da rete.
Grazie per l'attenzione.
1
voti
Di circuiti zero crossing ce ne sono molteplici soluzioni che affermare di non averlo visto e' assurdo. Chissa cosa hai cercato!
Quando dici che le ventole a 230V funzionano bene cosa significa? La corrente assorbita e' ragionevole per la loro potenza?
Hai cambiato dei DIAC o dei TRIAC? E cosa hai messo al posto dei precedenti?
Se colleghi una lampadina al posto dei motori cosa succede? Che tensine misuri ai suoi capi?
Quando dici che le ventole a 230V funzionano bene cosa significa? La corrente assorbita e' ragionevole per la loro potenza?
Hai cambiato dei DIAC o dei TRIAC? E cosa hai messo al posto dei precedenti?
Se colleghi una lampadina al posto dei motori cosa succede? Che tensine misuri ai suoi capi?
-

Candy
32,5k 7 10 13 - CRU - Account cancellato su Richiesta utente
- Messaggi: 10123
- Iscritto il: 14 giu 2010, 22:54
0
voti
Aspetta ma sul quinto diodo c'e' per caso un BJT?
Se cosi fosse e' un banale zero crossing detector...
Se cosi fosse e' un banale zero crossing detector...
- Allegati
-
- crossing detector.jpg (31.19 KiB) Osservato 18387 volte
⋮ƎlectroYou
-

stefanob70
14,1k 5 11 13 - Master EY

- Messaggi: 3190
- Iscritto il: 14 lug 2012, 13:14
- Località: Roma
0
voti
Grazie a tutti per gli interventi.
Come dicevo verificherò il circuito di rivelazione dello zero crossing.
Per Mauro : verificherò quello che mi hai già dovuto chiedere due volte, non ho la stufa sottomano e non potendo verificare al banco il funzionamento della scheda appena mi riconduco là con tutti gli attrezzi e gli strumenti farò le prove di cui parliamo.
Come dicevo verificherò il circuito di rivelazione dello zero crossing.
Per Mauro : verificherò quello che mi hai già dovuto chiedere due volte, non ho la stufa sottomano e non potendo verificare al banco il funzionamento della scheda appena mi riconduco là con tutti gli attrezzi e gli strumenti farò le prove di cui parliamo.
11 messaggi
• Pagina 1 di 2 • 1, 2
Torna a Costruzione, riparazione, riutilizzo
Chi c’è in linea
Visitano il forum: Nessuno e 60 ospiti

Elettrotecnica e non solo (admin)
Un gatto tra gli elettroni (IsidoroKZ)
Esperienza e simulazioni (g.schgor)
Moleskine di un idraulico (RenzoDF)
Il Blog di ElectroYou (webmaster)
Idee microcontrollate (TardoFreak)
PICcoli grandi PICMicro (Paolino)
Il blog elettrico di carloc (carloc)
DirtEYblooog (dirtydeeds)
Di tutto... un po' (jordan20)
AK47 (lillo)
Esperienze elettroniche (marco438)
Telecomunicazioni musicali (clavicordo)
Automazione ed Elettronica (gustavo)
Direttive per la sicurezza (ErnestoCappelletti)
EYnfo dall'Alaska (mir)
Apriamo il quadro! (attilio)
H7-25 (asdf)
Passione Elettrica (massimob)
Elettroni a spasso (guidob)
Bloguerra (guerra)

