Ciao a tutti, mi stavo riguardando qualche schema di alcuni orologi a valvole nixie, e stavo riflettendo sulla sezione di accensione delle valvole.
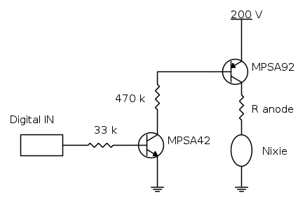
Lo schema comunemente più utilizzato è di questo tipo:
Mi stavo chiedendo: come mai questa particolare configurazione di transistor? Non è per me famigliare, è una configurazione con un nome preciso?
Che ruolo svolge esattamente il transistor NPN?
Non sarebbe possibile controllare la valvola con un singolo BJT?
grazie a tutti per i chiarimenti,
StefDrums.
Curiosità e dubbi: come si pilotavano le valvole Nixie
Moderatori:
carloc,
g.schgor,
BrunoValente,
IsidoroKZ
10 messaggi
• Pagina 1 di 1
3
voti
Il pilotaggio delle nixie è molto diverso dai display a led.
Le nixie hanno generalmente un anodo comune, e i filamenti delle singole cifre (digit) fungono da catodi.
Detto ciò, il pilotaggio delle nixie si può fare in svariati modi. Il più semplice prevede il collegamento dell'anodo a una tensione sufficientemente elevata tramite una resistenza di opportuno valore che faccia scorrere una corrente anodica di valore adeguato (tipicamente pochi mA).
I catodi, corrispondenti alle singole cifre, vengono attivati collegandoli per esempio ai collettori di BJT NPN. La corrente anodica è fissata tramite la resistenza precedentemente detta.
Può però capitare l'esigenza di voler spegnere completamente la nixie, indipendentemente dal digit visualizzato in quel momento. Ad esempio per effettuare il multiplexing delle nixie, oppure per realizzare un controllo di luminosità (dimmer) a PWM.
In tal caso conviene utilizzare un circuito del tipo illustrato, che ho disegnato al volo giusto per chiarire la situazione:

Come vedi è molto simile al tuo. L'utilizzo di una coppia NPN-PNP è dovuto al fatto che per spegnere la nixie occorre interrompere la corrente anodica, e ciò è precisamente quello che fa il circuito illustrato.
Quando il segnale di pilotaggio di Q1 (proveniente ad esempio da un micro) porta quest'ultimo in conduzione, esso a sua volta porta in conduzione Q2, e la nixie si accenderà.
Se il segnale sulla base di Q1 è a livello logico basso, Q1 risulterà interdetto, e altrettanto lo sarà Q2. La nixie risulterà spenta, indipendentemente dal pilotaggio dei singoli catodi (digit).
La resistenza R3, della quale non ho specificato il valore, va calcolata in base alla tensione anodica di alimentazione e alla corrente che deve scorrere nella nixie, tipicamente pochi (dico pochi!) mA, tipicamente da 1 a 5-6 mA.
A questo punto qualcuno potrebbe obiettare: ma non possiamo pilotare direttamente il BJT PNP Q2, così ci risparmiamo un transistor?
L'obiezione sarebbe corretta, a patto di tenere presente due cose: il funzionamento sarebbe a logica invertita, ovvero quando il segnale proveniente dal micro è basso, la nixie risulta accesa e vicevera.
Inoltre, la tensione su Q2 quando è interdetto è tipicamente tra i 160 e i 180 V. I micro e le porte logiche in genere non possono sopportare tensioni così elevate. Q1 e Q2 sono BJT aventi tensione BVceo di 300V.
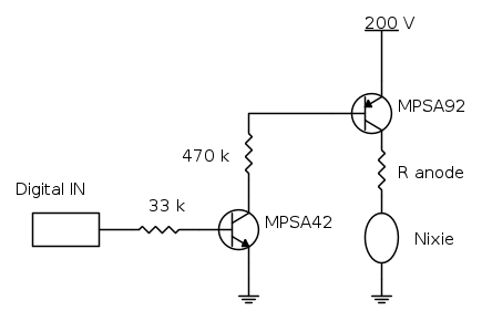
Le nixie hanno generalmente un anodo comune, e i filamenti delle singole cifre (digit) fungono da catodi.
Detto ciò, il pilotaggio delle nixie si può fare in svariati modi. Il più semplice prevede il collegamento dell'anodo a una tensione sufficientemente elevata tramite una resistenza di opportuno valore che faccia scorrere una corrente anodica di valore adeguato (tipicamente pochi mA).
I catodi, corrispondenti alle singole cifre, vengono attivati collegandoli per esempio ai collettori di BJT NPN. La corrente anodica è fissata tramite la resistenza precedentemente detta.
Può però capitare l'esigenza di voler spegnere completamente la nixie, indipendentemente dal digit visualizzato in quel momento. Ad esempio per effettuare il multiplexing delle nixie, oppure per realizzare un controllo di luminosità (dimmer) a PWM.
In tal caso conviene utilizzare un circuito del tipo illustrato, che ho disegnato al volo giusto per chiarire la situazione:

Come vedi è molto simile al tuo. L'utilizzo di una coppia NPN-PNP è dovuto al fatto che per spegnere la nixie occorre interrompere la corrente anodica, e ciò è precisamente quello che fa il circuito illustrato.
Quando il segnale di pilotaggio di Q1 (proveniente ad esempio da un micro) porta quest'ultimo in conduzione, esso a sua volta porta in conduzione Q2, e la nixie si accenderà.
Se il segnale sulla base di Q1 è a livello logico basso, Q1 risulterà interdetto, e altrettanto lo sarà Q2. La nixie risulterà spenta, indipendentemente dal pilotaggio dei singoli catodi (digit).
La resistenza R3, della quale non ho specificato il valore, va calcolata in base alla tensione anodica di alimentazione e alla corrente che deve scorrere nella nixie, tipicamente pochi (dico pochi!) mA, tipicamente da 1 a 5-6 mA.
A questo punto qualcuno potrebbe obiettare: ma non possiamo pilotare direttamente il BJT PNP Q2, così ci risparmiamo un transistor?
L'obiezione sarebbe corretta, a patto di tenere presente due cose: il funzionamento sarebbe a logica invertita, ovvero quando il segnale proveniente dal micro è basso, la nixie risulta accesa e vicevera.
Inoltre, la tensione su Q2 quando è interdetto è tipicamente tra i 160 e i 180 V. I micro e le porte logiche in genere non possono sopportare tensioni così elevate. Q1 e Q2 sono BJT aventi tensione BVceo di 300V.
Se funziona quasi bene, è tutto sbagliato. A.Savatteri/M.Mazza
0
voti
Follow me on Mastodon: @davbucci@mastodon.sdf.org
-

DarwinNE
31,0k 7 11 13 - G.Master EY

- Messaggi: 4420
- Iscritto il: 18 apr 2010, 9:32
- Località: Grenoble - France
0
voti
Boiler
3
voti
Eccoci qui: ho recuperato la polverosissima scatola in cui ho tutto
La spiegazione è che il cosiddetto pre-bias serve a diminuire il leakage attraverso i driver spenti e quindi a ridurre eventuali aloni che peggiorano la leggibilità.
È tutto spiegato in un'application note della Burroughs che (sempre sia lodato Google) si trova anche online:
http://frank.pocnet.net/other/Burroughs/616.pdf
Boiler
La spiegazione è che il cosiddetto pre-bias serve a diminuire il leakage attraverso i driver spenti e quindi a ridurre eventuali aloni che peggiorano la leggibilità.
È tutto spiegato in un'application note della Burroughs che (sempre sia lodato Google) si trova anche online:
http://frank.pocnet.net/other/Burroughs/616.pdf
Boiler
0
voti
Ciao, ringrazio tutti gli intervenuti, in particolare
banjoman per la spiegazione dettagliata.
Premetto che ho già usato valvole Nixie in precedenza, il mio dubbio era più che altro riguardo alla configurazione del BJT NPN nello schema, in particolare la resistenza tra il collettore del NPN e la base del PNP; quest'ultimo non mi sembra polarizzato correttamente.
Per quanto riguarda poi la resistenza sull'anodo della Nixie, considerando (da datasheet) un potenziale di 170 V (firing voltage) ed una corrente massima di 2,5 mA, ho pensato di utilizzare una R= 170 V / 2,5 mA = 68 kohm, ma come valore mi sembra un po' alto...
Premetto che ho già usato valvole Nixie in precedenza, il mio dubbio era più che altro riguardo alla configurazione del BJT NPN nello schema, in particolare la resistenza tra il collettore del NPN e la base del PNP; quest'ultimo non mi sembra polarizzato correttamente.
Per quanto riguarda poi la resistenza sull'anodo della Nixie, considerando (da datasheet) un potenziale di 170 V (firing voltage) ed una corrente massima di 2,5 mA, ho pensato di utilizzare una R= 170 V / 2,5 mA = 68 kohm, ma come valore mi sembra un po' alto...
0
voti
StefDrums ha scritto:Per quanto riguarda poi la resistenza sull'anodo della Nixie, considerando (da datasheet) un potenziale di 170 V (firing voltage) ed una corrente massima di 2,5 mA, ho pensato di utilizzare una R= 170 V / 2,5 mA = 68 kohm, ma come valore mi sembra un po' alto...
È troppo perché non consideri che ci sarà una caduta di tensione sul tubo.
Dai un'occhiata al PDF che ho linkato sopra. C'è una bella spiegazione di come selezionare la resistenza.
Boiler
0
voti
Ciao, scusami ma ho risposto mentre hai scritto anche tu. Ho trovato molto utile il PDF: ora spero solo di riuscire a trovare i dati che mi servono dal datasheet delle valvole!
0
voti
boiler ha scritto:La spiegazione è che il cosiddetto pre-bias serve a diminuire il leakage attraverso i driver spenti e quindi a ridurre eventuali aloni che peggiorano la leggibilità.
Molto interessante, grazie

Follow me on Mastodon: @davbucci@mastodon.sdf.org
-

DarwinNE
31,0k 7 11 13 - G.Master EY

- Messaggi: 4420
- Iscritto il: 18 apr 2010, 9:32
- Località: Grenoble - France
10 messaggi
• Pagina 1 di 1
Chi c’è in linea
Visitano il forum: Nessuno e 117 ospiti

Elettrotecnica e non solo (admin)
Un gatto tra gli elettroni (IsidoroKZ)
Esperienza e simulazioni (g.schgor)
Moleskine di un idraulico (RenzoDF)
Il Blog di ElectroYou (webmaster)
Idee microcontrollate (TardoFreak)
PICcoli grandi PICMicro (Paolino)
Il blog elettrico di carloc (carloc)
DirtEYblooog (dirtydeeds)
Di tutto... un po' (jordan20)
AK47 (lillo)
Esperienze elettroniche (marco438)
Telecomunicazioni musicali (clavicordo)
Automazione ed Elettronica (gustavo)
Direttive per la sicurezza (ErnestoCappelletti)
EYnfo dall'Alaska (mir)
Apriamo il quadro! (attilio)
H7-25 (asdf)
Passione Elettrica (massimob)
Elettroni a spasso (guidob)
Bloguerra (guerra)





