Buongiorno a tutti,
ieri sera ho letto il seguente articolo riguardante un circuitino in grado di alimentare due LED sia tramite la tensione di rete che tramite una batteria.
http://www.electronicshub.org/automatic ... er-switch/
Il circuito è molto semplice e la spiegazione chiara e può essere interessante darvi un'occhiata, si impiegano pochi minuti.
La mia attenzione è stata attirata dall'ultima frase dell'artico che dice: "Questo è un circuito teorico e dovrebbe richiedere qualche modifica per essere implementato su PCB"
Io sarei stato in grado di progettare il circuito da zero per come viene esposto nell'articolo, però non saprei proprio quali potrebbero essere le modifiche alle quali si riferisce. è ovvio che i valori teorici dei componenti si discostano da quelli reali per cui potrebbe essere necessario qualche aggiustamento ma, a parte ciò, non saprei che ragionamenti applicare per arrivare alle modifiche anticipate dall'articolo.
Qualcuno sa darmi qualche dritta? Il progetto serve come esempio, non sono interessato a realizzare proprio questo in particolare su PCB, ma a capire genericamente come si ragiona in tal senso
Emanuele
Modifiche allo schema teorico per realizzazione su PCB
Moderatori:
carloc,
g.schgor,
BrunoValente,
IsidoroKZ
14 messaggi
• Pagina 1 di 2 • 1, 2
0
voti
emacar ha scritto:Io sarei stato in grado di progettare il circuito da zero per come viene esposto nell'articolo, però non saprei proprio quali potrebbero essere le modifiche alle quali si riferisce.
Sinceramente non capisco molto il senso di quella frase e, peraltro, non sono molto d'accordo su alcune delle soluzioni adottate in quell'articolo.
Forse e' meglio se te lo fai da solo, magari con l'aiuto del forum.
marco
0
voti
marco438 ha scritto:Forse e' meglio se te lo fai da solo, magari con l'aiuto del forum.
Anche se la domanda non era proprio questa, se vuoi accennarmi cosa modificheresti nello schema mi farebbe molto piacere per cultura personale.
Emanuele
0
voti
Non e' tanto questione di modifiche da farsi, quanto comprendere a che cosa serve quel circuito e, una volta capito, farlo in modo piu' semplice. 
marco
2
voti
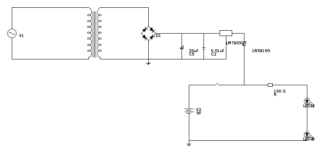
Va bene allora, nella speranza di non dire cavolate, ti dico una modifica che secondo me si potrebbe fare: Siccome l'attivazione dell'alimentazione da batteria è comunque legata alla commutazione dell'interruttore che cambia lo stato di uscita del 555, si potrebbe modificare lo schema come di seguito.
Nel caso di alimentazione dall'alternata, con interruttore aperto, non cambia niente; quando si chiude l'interruttore il diodo si interdice escludendo la parte che proviene dall'alternata ed i LED vengono alimentati a batteria.
Nel caso di alimentazione dall'alternata, con interruttore aperto, non cambia niente; quando si chiude l'interruttore il diodo si interdice escludendo la parte che proviene dall'alternata ed i LED vengono alimentati a batteria.
1
voti
Il diodo in serie al 7809 non mi piace per nulla.
Questa famiglia di regolatori necessita di un carico minimo per funzionare, dalle parti dei 2 - 10 mA.
Come minimo serve una resistenza di carico per il 7809, oltre al condensatore d'uscita, tout court assente nello schema.
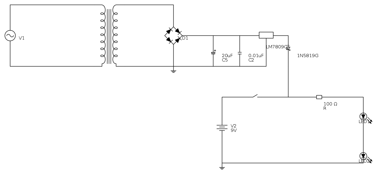
Lo schema originale, se chiudiamo un occhio (anzi due) sullo stile naïve, ha una tal serie di corbellerie che non saprei da dove iniziare.
Il diodo è connesso praticamente a caso, dopo il transistor, senza tener conto che a transistor spento la tensione Emettitore-Base supera largamente i 5V massimi ammessi dal BC547.
Se quei LED sono rossi, abbiamo una corrente dalle parti dei 50 mA, oltre doppia rispetto alla massima ammessa tipicamente.
Diciamo che quel circuito non è stato progettato, bensì solo abbozzato. Non vedo il senso di proporre una porcata del genere in un sito, al di là del far sorgere solamente una marea di dubbi al povero
emacar.
Chissà quanti avranno tentato di assemblare quella roba, ovviamente non funzionante, perdendo tempo e risorse, solo per ricevere una cocente delusione.
Questa famiglia di regolatori necessita di un carico minimo per funzionare, dalle parti dei 2 - 10 mA.
Come minimo serve una resistenza di carico per il 7809, oltre al condensatore d'uscita, tout court assente nello schema.
Lo schema originale, se chiudiamo un occhio (anzi due) sullo stile naïve, ha una tal serie di corbellerie che non saprei da dove iniziare.
Il diodo è connesso praticamente a caso, dopo il transistor, senza tener conto che a transistor spento la tensione Emettitore-Base supera largamente i 5V massimi ammessi dal BC547.
Se quei LED sono rossi, abbiamo una corrente dalle parti dei 50 mA, oltre doppia rispetto alla massima ammessa tipicamente.
Diciamo che quel circuito non è stato progettato, bensì solo abbozzato. Non vedo il senso di proporre una porcata del genere in un sito, al di là del far sorgere solamente una marea di dubbi al povero
Chissà quanti avranno tentato di assemblare quella roba, ovviamente non funzionante, perdendo tempo e risorse, solo per ricevere una cocente delusione.
Alberto.
1
voti
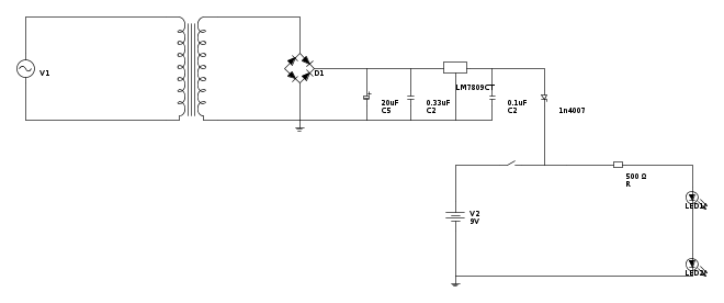
Non avevo controllato nello specifico ogni componente limitandomi alle considerazioni più generali ma colgo al volo i suggerimenti di
brabus per analizzare lo schema più nello specifico e vi propongo queste modifiche:
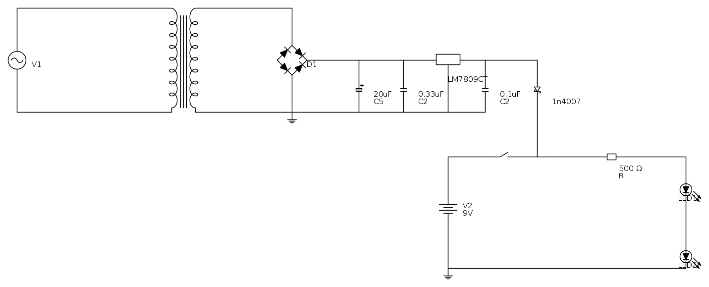
1. Aprendo il datasheet del LM7809 ho modificato i valori dei condensatori al fine di ottenere i 9 V in uscita.
2. Ho aumentato il valore della resistenza in serie ai LED per diminuire il valore che li attraversa a livelli consoni
3. Non ho fatto caso che nella spiegazione dice di usare il diodo 1n4007 mentre nel disegno mette l'1N5819G; confrontando i datasheet, il diodo 1n4007 mi sembra più indicato appunto per la maggiore tensione inversa che riesce a sopportare.
Per quanto riguarda la resistenza di carico, non penso di dover modificare altro. Quando il circuito è alimentato a batteria non viene collegato niente al trasformatore e tutta la parte "a nord" non fa niente. Quando il circuito è alimentato a tensione alternata, la resistenza in serie ai LED fa si che la corrente non superi il massimo consentito dal LM7809.
Che ne pensate? Non risparmiatevi proposte di modifiche, sottolineature di miei errori e anche insulti!
Non devo realizzarlo, mi interessa solo imparare qualcosa in più.
Emanuele
1. Aprendo il datasheet del LM7809 ho modificato i valori dei condensatori al fine di ottenere i 9 V in uscita.
2. Ho aumentato il valore della resistenza in serie ai LED per diminuire il valore che li attraversa a livelli consoni
3. Non ho fatto caso che nella spiegazione dice di usare il diodo 1n4007 mentre nel disegno mette l'1N5819G; confrontando i datasheet, il diodo 1n4007 mi sembra più indicato appunto per la maggiore tensione inversa che riesce a sopportare.
Per quanto riguarda la resistenza di carico, non penso di dover modificare altro. Quando il circuito è alimentato a batteria non viene collegato niente al trasformatore e tutta la parte "a nord" non fa niente. Quando il circuito è alimentato a tensione alternata, la resistenza in serie ai LED fa si che la corrente non superi il massimo consentito dal LM7809.
Che ne pensate? Non risparmiatevi proposte di modifiche, sottolineature di miei errori e anche insulti!
Emanuele
0
voti
Hai fatto benissimo a proporre il nuovo schema, bravo!
L'unico problema che ancora vedo, si presenta quando colleghiamo una batteria scarica (ma basta anche una carica a meno di 8.3 - 8.5V circa): la corrente che scorre nel diodo, nel tentativo di ricaricare la batteria, è limitata dal 7809 a 1A circa. Ma non andrei a scomodare la protezione in corrente del 7809, soprattutto per tentare di caricare una batteria a 1A, col rischio concreto di farla esplodere.
Io aggiungerei un diodo in serie alla batteria.
Non credo di aver capito cosa intendi dire.
La resistenza serve a regolare la corrente nei LED, mica a proteggere il 7809. Come ne hai calcolato il valore?
I condensatori del 7809 non servono a fissare la tensione d'uscita, ma per tematiche di stabilità, brutta roba.
L'unico problema che ancora vedo, si presenta quando colleghiamo una batteria scarica (ma basta anche una carica a meno di 8.3 - 8.5V circa): la corrente che scorre nel diodo, nel tentativo di ricaricare la batteria, è limitata dal 7809 a 1A circa. Ma non andrei a scomodare la protezione in corrente del 7809, soprattutto per tentare di caricare una batteria a 1A, col rischio concreto di farla esplodere.
Io aggiungerei un diodo in serie alla batteria.
Quando il circuito è alimentato a tensione alternata, la resistenza in serie ai LED fa si che la corrente non superi il massimo consentito dal LM7809.
Non credo di aver capito cosa intendi dire.La resistenza serve a regolare la corrente nei LED, mica a proteggere il 7809. Come ne hai calcolato il valore?
I condensatori del 7809 non servono a fissare la tensione d'uscita, ma per tematiche di stabilità, brutta roba.
Alberto.
0
voti
brabus ha scritto:Io aggiungerei un diodo in serie alla batteria.![]()
D'accordissimo!
brabus ha scritto:Quando il circuito è alimentato a tensione alternata, la resistenza in serie ai LED fa si che la corrente non superi il massimo consentito dal LM7809.
Non credo di aver capito cosa intendi dire.
La resistenza serve a regolare la corrente nei LED, mica a proteggere il 7809. Come ne hai calcolato il valore?
(9 V - 1.5 V - 1.5 V)/12 mA
Ho considerato approssimativamente una caduta di 1.5 V a diodo e volevo far scorrere 12 mA.
Ho scritto che in questo modo la corrente non supera il massimo consentito dal LM7809 perché il datasheet indica una corrente di uscita da 5 mA a 1 A per cui, con questo carico, dovremmo essere apposto.
brabus ha scritto:I condensatori del 7809 non servono a fissare la tensione d'uscita, ma per tematiche di stabilità, brutta roba.
Si ho sparato una cavolata, non so perché mi ero impresso in mente una tabella che, al variare del valore dei condensatori, variava la tensione in uscita....ovviamente questa tabella esiste solo nella mia mente che non ricorda cosa ho mangiato a pranzo!
0
voti
Comunque anche se, con l'interruttore impostato per il funzionamento a batteria, colleghiamo l'alimentazione alternata, non si dovrebbe distruggere niente, a meno che non mi sia sfuggito qualcosa nel datasheet..
14 messaggi
• Pagina 1 di 2 • 1, 2
Chi c’è in linea
Visitano il forum: Google Adsense [Bot] e 41 ospiti

Elettrotecnica e non solo (admin)
Un gatto tra gli elettroni (IsidoroKZ)
Esperienza e simulazioni (g.schgor)
Moleskine di un idraulico (RenzoDF)
Il Blog di ElectroYou (webmaster)
Idee microcontrollate (TardoFreak)
PICcoli grandi PICMicro (Paolino)
Il blog elettrico di carloc (carloc)
DirtEYblooog (dirtydeeds)
Di tutto... un po' (jordan20)
AK47 (lillo)
Esperienze elettroniche (marco438)
Telecomunicazioni musicali (clavicordo)
Automazione ed Elettronica (gustavo)
Direttive per la sicurezza (ErnestoCappelletti)
EYnfo dall'Alaska (mir)
Apriamo il quadro! (attilio)
H7-25 (asdf)
Passione Elettrica (massimob)
Elettroni a spasso (guidob)
Bloguerra (guerra)





