Ciao ragazzi, come si progetta analiticamente un amplificatore a transistors in classe B?
Intendo il dimensionamento delle resistenze e capacità, fissando delle specifiche a proprio piacimento.
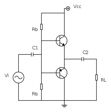
In rete ho trovato diversi schemi, tra cui questo. Vorrei capire da dove cominciare.
Grazie!
Amplificatore in classe B
Moderatori:
carloc,
g.schgor,
BrunoValente,
IsidoroKZ
19 messaggi
• Pagina 1 di 2 • 1, 2
0
voti
Io si, ma mi ci vuole un po' di tempo... ma non hai nessun libro di testo che spieghi qualcosina riguardo a ciò?
Se vuoi posso indicartene io di ottimi. Che ramo di studi fai?
Tieni presente inoltre che il tuo circuito è realmente basico che più basico non si può. Non è certamente un amplificatore da realizzarsi in pratica

Se vuoi posso indicartene io di ottimi. Che ramo di studi fai?
Tieni presente inoltre che il tuo circuito è realmente basico che più basico non si può. Non è certamente un amplificatore da realizzarsi in pratica

Se funziona quasi bene, è tutto sbagliato. A.Savatteri/M.Mazza
0
voti
Sto studiando per un esame di elettronica analogica all'università. Uso il libro "Circuiti per la microelettronica" (Sedra, Smith) e "Circuiti integrati analogici" (Gray, Meyer).
Purtroppo parlano di amplificatori in Classe A e B come stadi di uscita e in termini di efficienza. Il circuito che riportano è ancora più semplice di quello da me postato. Comunque non mi interessa realizzarlo in pratica
vorrei solo capire come si progettano le resistenze e le capacità, se ci sono delle regole da seguire (ad esempio come per la polarizzazione di un amplificatore ad emettitore comune). Anche su un circuito semplice come questo..
Purtroppo parlano di amplificatori in Classe A e B come stadi di uscita e in termini di efficienza. Il circuito che riportano è ancora più semplice di quello da me postato. Comunque non mi interessa realizzarlo in pratica
0
voti
Ciao,
ti rispondo allora per la parte teorica, dandoti qualche spunto su cui ragionare (in rete comunque si trova tantissimo). I transistor vanno polarizzati in modo che lavorino:
NPN in zona lineare e PNP in interdizione per la semi-onda positiva
PNP in zona lineare e NPN in interdizione per la semi-onda negativa
e questo è il sunto estremo di un amplificatore in classe B
.
Poi, da ciò che ricordo, i condensatori in ingresso ed in uscita servono per far funzionare l'amplificatore con alimentazione singola (spero di non aver sparato una cavolata). Le resistenze invece per polarizzare i transistor di poco al di sopra del cut-off in modo da eliminare la distorsione di crossover (anche se ne avrei aggiunta un'altra). Utilizzando solo resistenze però si potrebbero avere problemi per il fatto che la tensione di base-emettitore varierebbe al variare della temperatura: a tal proposito si utilizzano dei diodi per diminuire questo problema.
Spero di averti aiutato un po'.
Emanuele
ti rispondo allora per la parte teorica, dandoti qualche spunto su cui ragionare (in rete comunque si trova tantissimo). I transistor vanno polarizzati in modo che lavorino:
NPN in zona lineare e PNP in interdizione per la semi-onda positiva
PNP in zona lineare e NPN in interdizione per la semi-onda negativa
e questo è il sunto estremo di un amplificatore in classe B
Poi, da ciò che ricordo, i condensatori in ingresso ed in uscita servono per far funzionare l'amplificatore con alimentazione singola (spero di non aver sparato una cavolata). Le resistenze invece per polarizzare i transistor di poco al di sopra del cut-off in modo da eliminare la distorsione di crossover (anche se ne avrei aggiunta un'altra). Utilizzando solo resistenze però si potrebbero avere problemi per il fatto che la tensione di base-emettitore varierebbe al variare della temperatura: a tal proposito si utilizzano dei diodi per diminuire questo problema.
Spero di averti aiutato un po'.
Emanuele
0
voti
Ciao, si il modo in cui funziona mi è chiaro. Quello che sto cercando di capire è come dimensionare le resistenze e le capacità.
Ad esempio:
- Considerando un npn e un pnp con un loro beta, scelgo il punto di lavoro;
- la resistenza Rb la scelgo di modo che....
ecc...
Ad esempio:
- Considerando un npn e un pnp con un loro beta, scelgo il punto di lavoro;
- la resistenza Rb la scelgo di modo che....
ecc...
0
voti
Il punto di lavoro devi sceglierlo in modo che lavorino in regione attiva, in prossimità del cut-off, se vanno in saturazione addio linearità.
L'aspetto principale delle resistenze è che siano uguali. Infatti così avrai Vcc/2 sul gate dei due transistor.
Se non avessi le resistenze sul gate dei due transistor ci sarebbe una tensione continua pari a 0. Ciò comporta che il segnale in ingresso possa portare in conduzione i transistor solo quando la sua tensione supera la tensione di soglia, e ci sarà un intervallo "morto" in cui nessun transistor conduce.
L'aspetto principale delle resistenze è che siano uguali. Infatti così avrai Vcc/2 sul gate dei due transistor.
Se non avessi le resistenze sul gate dei due transistor ci sarebbe una tensione continua pari a 0. Ciò comporta che il segnale in ingresso possa portare in conduzione i transistor solo quando la sua tensione supera la tensione di soglia, e ci sarà un intervallo "morto" in cui nessun transistor conduce.
0
voti
Per le capacità ti ho già risposto nell'altro post, calcoli l'impedenza e scegli il valore di C in base alla frequenza che vuoi tagliare o far passare.
Per quanto riguarda le Rb...calcoli la corrente che vuoi sul carico, la dividi per beta e quella è la corrente di base di cui hai bisogno. Le Rb le devi dimensionare in modo che Vcc/(2*Rb) sia >> di Ib.
Per quanto riguarda le Rb...calcoli la corrente che vuoi sul carico, la dividi per beta e quella è la corrente di base di cui hai bisogno. Le Rb le devi dimensionare in modo che Vcc/(2*Rb) sia >> di Ib.
_______________________________________________________
Gli oscillatori non oscillano mai, gli amplificatori invece sempre
Io HO i poteri della supermucca, e ne vado fiero!
Gli oscillatori non oscillano mai, gli amplificatori invece sempre
Io HO i poteri della supermucca, e ne vado fiero!
3
voti
emacar ha scritto:Il punto di lavoro devi sceglierlo in modo che lavorino in regione attiva, in prossimità del cut-off, se vanno in saturazione addio linearità.
L'aspetto principale delle resistenze è che siano uguali. Infatti così avrai Vcc/2 sul gate dei due transistor.
Se non avessi le resistenze sul gate dei due transistor ci sarebbe una tensione continua pari a 0. Ciò comporta che il segnale in ingresso possa portare in conduzione i transistor solo quando la sua tensione supera la tensione di soglia, e ci sarà un intervallo "morto" in cui nessun transistor conduce.
Non confondiamo il classe B col classe AB.
Per qualsiasi valore delle resistenze Rb del circuito proposto, la tensione sulle basi dei BJT è identica, quindi addio VBE di polarizzazione, non c'è corrente sui collettori.
Per come è disegnato il circuito, le resistenze di polarizzazione di base non servono a polarizzare una beneamata cippa, se non a portare quel nodo del circuito a Vcc/2. Perfino il nodo d'uscita non è polarizzato, la tensione agli emettitori dei BJT può variare comodamente fra (Vcc/2 +/- VBE) volt, non ci sono vincoli. Dimentica il Beta! Inutile per la polarizzazione, marginalmente utile per il calcolo della banda. Ma quale banda, il sistema è completamente non lineare!
Il classe B funziona proprio così, "tirando" e "spingendo" corrente, lasciando un gran bel lasco di quasi un volt e mezzo.
Un po' come un carretto sgangherato, con uno snodo mooolto consumato.
Certo, in condizioni di polarizzazione consuma meno del classe AB, bisogna dargli atto.
Puoi calcolare il modello a piccoli segnali solo assumendo di essere già in zona lineare, ma bada bene, è valido per un intorno davvero ristretto della tensione d'ingresso. Il classe B distorce, e distorce molto, quindi dimentichiamo tutti i metodi classici di analisi.
Ricordo un collega che voleva a tutti i costi ricavare il modello a piccolo segnale di un BJT per accendere un LED.
Io credo che tu non stia cercando un modo per dimensionare i componenti di un classe B, bensì una linea guida generale per la progettazione elettronica.
Comprendo bene il tuo stato, dopo aver sostenuto innumerevoli esami non si è mai messo le mani su qualcosa di pratico, è un cliché comune all'Università, ma la verità è questa: l'Università offre solamente gli strumenti per operare, poi devi essere tu a sporcarti le mani. Non c'è tempo per provare tutto; certo sarebbe bello, ma come diceva il mai abbastanza lodato Luigi Malesani: "per studiare adeguatamente l'elettronica moderna, il percorso Universitario dovrebbe durare 30 anni, e alla fine si dovrebbe ricominciare comunque daccapo (o quasi)".
Vedrai che dopo aver assemblato qualche circuito, dimensionandolo per bene e verificando le forme d'onda all'oscilloscopio, le cose saranno molto più chiare.
Ma soprattutto, vedrai che alla fine del tuo percorso di studi, il funzionamento di molti circuiti ti sarà chiarissimo a colpo d'occhio, pur senza mai averli dimensionati e assemblati.
Studi a Padova?
Alberto.
0
voti
Ciao
brabus,
Come mai questa affermazione? Non ho scritto bene dicendo che le due resistenze servono ad eliminare (dipendenza dalla temperatura a parte) la distorsione da crossover?
Sono d'accordissimo con te . Solo che anche dopo l'università, se non ci sbatti un po' la testa almeno con un simulatore, per capire il funzionamento di circuiti a colpo d'occhio mi sa che ci vorrà un po'!
brabus ha scritto:Non confondiamo il classe B col classe AB.
Come mai questa affermazione? Non ho scritto bene dicendo che le due resistenze servono ad eliminare (dipendenza dalla temperatura a parte) la distorsione da crossover?
brabus ha scritto:Vedrai che dopo aver assemblato qualche circuito, dimensionandolo per bene e verificando le forme d'onda all'oscilloscopio, le cose saranno molto più chiare.
Ma soprattutto, vedrai che alla fine del tuo percorso di studi, il funzionamento di molti circuiti ti sarà chiarissimo a colpo d'occhio, pur senza mai averli dimensionati e assemblati.![]()
Sono d'accordissimo con te . Solo che anche dopo l'università, se non ci sbatti un po' la testa almeno con un simulatore, per capire il funzionamento di circuiti a colpo d'occhio mi sa che ci vorrà un po'!

19 messaggi
• Pagina 1 di 2 • 1, 2
Chi c’è in linea
Visitano il forum: Google [Bot] e 240 ospiti

Elettrotecnica e non solo (admin)
Un gatto tra gli elettroni (IsidoroKZ)
Esperienza e simulazioni (g.schgor)
Moleskine di un idraulico (RenzoDF)
Il Blog di ElectroYou (webmaster)
Idee microcontrollate (TardoFreak)
PICcoli grandi PICMicro (Paolino)
Il blog elettrico di carloc (carloc)
DirtEYblooog (dirtydeeds)
Di tutto... un po' (jordan20)
AK47 (lillo)
Esperienze elettroniche (marco438)
Telecomunicazioni musicali (clavicordo)
Automazione ed Elettronica (gustavo)
Direttive per la sicurezza (ErnestoCappelletti)
EYnfo dall'Alaska (mir)
Apriamo il quadro! (attilio)
H7-25 (asdf)
Passione Elettrica (massimob)
Elettroni a spasso (guidob)
Bloguerra (guerra)







