Faretto automatico per bici
Moderatori:
carloc,
g.schgor,
BrunoValente,
IsidoroKZ
26 messaggi
• Pagina 1 di 3 • 1, 2, 3
0
voti
Caio a tutti ! Ho già sperimentato degli schemi per l'accensione di un carico solo in presenza di buio ma vorrei sapere se è possibile montare un circuito che regoli la luminosità di un carico (nel mio caso dei led ad alta luminosità montati sulla mia bici) in base alla luce presente, possibilmente tramite PWM: in pratica in piena luce il faretto sarà spento e mano a mano che la luce diminuisce il faretto dovrà aumentare di luminosità fino a raggiungere massima intensità in buio pesto. L'unica soluzione che mi viene in mente è realizzare il tutto con un NE555 configurato come oscillatore a frequenza fissa e duty-cycle variabile gestito tramite una fotoresistenza ma non saprei proprio come muovermi. Grazie a tutti in anticipo dei consigli.

-

SuperEDO99
-2 2 - Messaggi: 49
- Iscritto il: 7 set 2014, 8:55
0
voti
hai provato a cercare in rete un circuito simile?
i circuiti "crepuscolari" ne esistono a bizzeffe.
Potresti anche usare un microcontrollore. con quello sicuramente la complessità è minima.
i circuiti "crepuscolari" ne esistono a bizzeffe.
Potresti anche usare un microcontrollore. con quello sicuramente la complessità è minima.
1
voti
Il crepuscolo è un momento di transizione delle condizioni di illuminazione molto pericoloso, risparmiare qualche mA a scapito della visibilità (e dell'incolumità personale) secondo me è un non senso.
Se pensiamo al contrasto luce/buio sarebbe a mio avviso più corretto una luce più forte nella condizione di scarsa illuminazione rispetto alla condizione luce/buio (l'equivalente del rapporto S/N per intenderci
)
Se pensiamo al contrasto luce/buio sarebbe a mio avviso più corretto una luce più forte nella condizione di scarsa illuminazione rispetto alla condizione luce/buio (l'equivalente del rapporto S/N per intenderci
0
voti
beh certo ma tieni conto che io uso la bici tutti i giorni per andare a scuola e di inverno fa buio anche alle 7:30 del mattino e quindi un buon faretto è indispensabile. Io passo sia per una strada con lampioni ogni 3 metri che per piccole piste ciclabili dove si alternano bagliori e luoghi estremamente cupi quindi un faretto automatico per me è d'obbligo. Tieni conto che ho 3 led ad alta luminosità da 15w ciascuno che a piena potenza consumano quasi 4A su 12v. Va da se che un semplice interruttore crepuscolare non è sufficiente e che un regolatore PWM è d'obbligo.
Ho provato a cercare circuiti simili ma ho trovato solo interruttori crepuscolari e non veri e propri regolatori PWM. Se possibile preferirei evitare di ricorrere ad Arduino o ai PIC perché vorrei avere la soddisfazione di avere un circuito fatto da me al 100% e non attaccare ad Arduino 4 componenti e scopiazzare lo sketch da qualcun altro.

Ho provato a cercare circuiti simili ma ho trovato solo interruttori crepuscolari e non veri e propri regolatori PWM. Se possibile preferirei evitare di ricorrere ad Arduino o ai PIC perché vorrei avere la soddisfazione di avere un circuito fatto da me al 100% e non attaccare ad Arduino 4 componenti e scopiazzare lo sketch da qualcun altro.
-

SuperEDO99
-2 2 - Messaggi: 49
- Iscritto il: 7 set 2014, 8:55
0
voti
Credo sia opportuno che tu ci dia le caratteristiche di quel faro LED da 45W per una bici.
Con che batteria lo alimenti?
Dipende da come lo orienti, ma stai attento che, se quella potenza viene confermata, puoi anche essere fuorilegge per abbagliamento di altri veicoli. Vai a leggerti i regolamenti di come deve essere l'illuminazione dei bicicli.
Comunque concordo che il crepuscolo è il momento più critico per vedere, ma anche per farsi vedere.
Con che batteria lo alimenti?
Dipende da come lo orienti, ma stai attento che, se quella potenza viene confermata, puoi anche essere fuorilegge per abbagliamento di altri veicoli. Vai a leggerti i regolamenti di come deve essere l'illuminazione dei bicicli.
Comunque concordo che il crepuscolo è il momento più critico per vedere, ma anche per farsi vedere.
-

FedericoSibona
5.022 3 5 8 - Master

- Messaggi: 3951
- Iscritto il: 19 mar 2013, 11:43
0
voti
Come batteria utilizzo una batteria Li-Po 3S 11,1V 5000mah 25C (quelle per elicotteri o aerei radiocomandati) con collegato un piccolo allarme per evitare di scaricarla oltre i temuti 3,3v per cella.
Il faretto è costituito da 3 led ad alta luminosità. Nominali 12V 1,2A per led (naturalmente ogni led è formato internamente da 4 diodi in serie). Sono collegati in parallelo ed agganciati ad un'aletta in alluminio montata sul manubrio della bici. Tanto per dare un'idea la potenza a piena luminosità è comparabile ai fari di una macchina.
Il faretto è costituito da 3 led ad alta luminosità. Nominali 12V 1,2A per led (naturalmente ogni led è formato internamente da 4 diodi in serie). Sono collegati in parallelo ed agganciati ad un'aletta in alluminio montata sul manubrio della bici. Tanto per dare un'idea la potenza a piena luminosità è comparabile ai fari di una macchina.
-

SuperEDO99
-2 2 - Messaggi: 49
- Iscritto il: 7 set 2014, 8:55
0
voti
consiglierei una soluzione di alta ingegneria cinese, un interruttore a quattro vie con cui accendi 0,1,2,o tutti e tre i led
e un sistema che rilevi se sei seduto sulla bici, per non dimenticarle accese
nella soluzione automatica hai piu' contro che pro.
nella soluzione automatica hai piu' contro che pro.
0
voti
ci avevo pensato ma la mattina già devo tenere gli occhi stra aperti per evitare di lasciarci la pelle per tutte le teste calde che ci sono per strada poi sono preoccupato per l'interrogazione di fisica figuriamoci se devo anche gestire i fari della bici...
hahahahahahahahaha
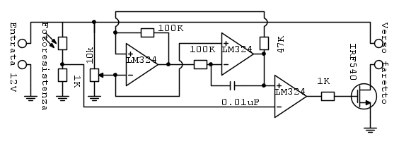
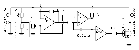
Ho trovato online questo schema. utilizza 3 comparatori di cui 2 per generare una onda triangolare a frequenza variabile e l'ultimo, controllato da un divisore di tensione formato dalla fotoresistenza, per selezionare la parte di onda triangolare da convertire in onda quadra. Che ne dite ?
grazie in anticipo dei consigli
Ho trovato online questo schema. utilizza 3 comparatori di cui 2 per generare una onda triangolare a frequenza variabile e l'ultimo, controllato da un divisore di tensione formato dalla fotoresistenza, per selezionare la parte di onda triangolare da convertire in onda quadra. Che ne dite ?
-

SuperEDO99
-2 2 - Messaggi: 49
- Iscritto il: 7 set 2014, 8:55
0
voti
Per far comparire lo schema Fidocad devi inserire la macro tra i tag fcd, non al di fuori di essi.
Questa volta ho corretto io
Questa volta ho corretto io
-

FedericoSibona
5.022 3 5 8 - Master

- Messaggi: 3951
- Iscritto il: 19 mar 2013, 11:43
26 messaggi
• Pagina 1 di 3 • 1, 2, 3
Chi c’è in linea
Visitano il forum: Google [Bot], Google Adsense [Bot] e 181 ospiti

Elettrotecnica e non solo (admin)
Un gatto tra gli elettroni (IsidoroKZ)
Esperienza e simulazioni (g.schgor)
Moleskine di un idraulico (RenzoDF)
Il Blog di ElectroYou (webmaster)
Idee microcontrollate (TardoFreak)
PICcoli grandi PICMicro (Paolino)
Il blog elettrico di carloc (carloc)
DirtEYblooog (dirtydeeds)
Di tutto... un po' (jordan20)
AK47 (lillo)
Esperienze elettroniche (marco438)
Telecomunicazioni musicali (clavicordo)
Automazione ed Elettronica (gustavo)
Direttive per la sicurezza (ErnestoCappelletti)
EYnfo dall'Alaska (mir)
Apriamo il quadro! (attilio)
H7-25 (asdf)
Passione Elettrica (massimob)
Elettroni a spasso (guidob)
Bloguerra (guerra)




