Ciao a tutti,giovedi ho l'esame di elettronica,che è il mio ultimo esame prima della laurea :)
Sto andando a cercare esercizi un po' particolari per allenarmi e ne ho trovato uno che vorrei discutere con voi.
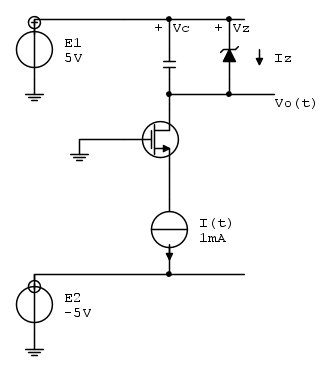
Qui di seguito metto lo schema circuitale:
Il generatore di corrente sul source del mosfet si inserisce solo per t>0 e da 1mA di corrente mentre lo zener ha una tensione di breakdown pari a -5v.
Viene chiesto di analizzare il comportamento del circuito e discutere sulla regione di funzionamento del mosfet,sull'andamento della Vo(t) nonchè sull'andamento di tensione e corrente su condensatore e diodo,il tutto in un intervallo di 800microsecondi.
Ora,io ho un problema,forse sembrerà banale ma per t<0 come si comporta questo circuito?
Il mio dubbio sta in due punti:prima dell'inserimento del generatore di corrente io devo considerare comunque chiuso il percorso tra il source e il generatore da -5V oppure no? E riguardo allo zener,io vedo che è già collegato a una tensione pari a quella che richiede per il breakdown,quindi come lo considero e come considero la tensione sul drain? Uguale a -Vz,quindi -5V?
Mosfet e Zener
Moderatori:
carloc,
g.schgor,
BrunoValente,
IsidoroKZ
1 messaggio
• Pagina 1 di 1
1 messaggio
• Pagina 1 di 1
Chi c’è in linea
Visitano il forum: Nessuno e 161 ospiti

Elettrotecnica e non solo (admin)
Un gatto tra gli elettroni (IsidoroKZ)
Esperienza e simulazioni (g.schgor)
Moleskine di un idraulico (RenzoDF)
Il Blog di ElectroYou (webmaster)
Idee microcontrollate (TardoFreak)
PICcoli grandi PICMicro (Paolino)
Il blog elettrico di carloc (carloc)
DirtEYblooog (dirtydeeds)
Di tutto... un po' (jordan20)
AK47 (lillo)
Esperienze elettroniche (marco438)
Telecomunicazioni musicali (clavicordo)
Automazione ed Elettronica (gustavo)
Direttive per la sicurezza (ErnestoCappelletti)
EYnfo dall'Alaska (mir)
Apriamo il quadro! (attilio)
H7-25 (asdf)
Passione Elettrica (massimob)
Elettroni a spasso (guidob)
Bloguerra (guerra)
