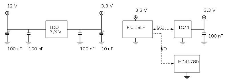
Salve a tutti, ho realizzato un termometro con display. Il programma si limita a leggere la temperatura ogni 2 secondi da un TC74:
Ho notato un comportamento molto strano: la temperatura letta oscilla da 21°C a 29°C a fronte di una temperatura ambiente di 25°C.
Ho fatto diverse prove di funzionamento, ed ho notato che alimentando direttamente a 3,3 V la scheda la lettura letta è stabile.
Ho quindi cambiato il regolatore di tensione con uno identico:ma il problema si è ripresentato.
Sostituendo invece il regolatore con uno di marca diversa, non ho problemi di funzionamento.
Non mi è mai capitato di avere un problema del genere, qualcuno potrebbe per cortesia aiutarmi a capire come mai si è verificato?
Disturbi da LDO su BUS I2C
Moderatori:
carloc,
g.schgor,
BrunoValente,
IsidoroKZ
7 messaggi
• Pagina 1 di 1
1
voti
Da quanto dici sembrerebbe un'oscillazione del LDO regulator.
Per esserne certi bisognerebbe che tu osservassi la tensione in uscita dal regolatore con un oscilloscopio. (naturalmente in contemporanea al presentarsi del problema)
Senza conoscere niente di più posso solo dirti:
1) collega i 100nF in ingresso ed uscita con terminali cortissimi
2) fai che le loro masse si richiudano sul terminale di massa del LDO reg.
Talvolta marche diverse, su un circuito instabile, tendono a comportarsi in modo diverso.
Prova a facci sapere....
Ciao
Giorgio
Per esserne certi bisognerebbe che tu osservassi la tensione in uscita dal regolatore con un oscilloscopio. (naturalmente in contemporanea al presentarsi del problema)
Senza conoscere niente di più posso solo dirti:
1) collega i 100nF in ingresso ed uscita con terminali cortissimi
2) fai che le loro masse si richiudano sul terminale di massa del LDO reg.
Talvolta marche diverse, su un circuito instabile, tendono a comportarsi in modo diverso.
Prova a facci sapere....
Ciao
Giorgio
-

giorgio25760
2.310 1 3 5 - G.Master EY

- Messaggi: 1700
- Iscritto il: 6 dic 2009, 17:02
- Località: Brescia
0
voti
DATASHEET ha scritto:Stability Considerations
The input capacitor CI1 in Figure 2 is necessary for
compensating input line reactance. Possible oscillations
caused by input inductance and input capacitance can be
damped by using a resistor of approximately 1 in series
with CI2.
The output or compensation capacitor helps determine
three main characteristics of a linear regulator: startup delay,
load transient response and loop stability.
The capacitor value and type should be based on cost,
availability, size and temperature constraints. The
aluminum electrolytic capacitor is the least expensive
solution, but, if the circuit operates at low temperatures
(−25°C to −40°C), both the value and ESR of the capacitor
will vary considerably. The capacitor manufacturer’s data
sheet usually provides this information.
The value for the output capacitor CQ shown in Figure 2
should work for most applications; however, it is not
necessarily the optimized solution. Stability is guaranteed at
values CQ 2.2 F and an ESR 2.5 within the
operating temperature range. Actual limits are shown in a
graph in the Typical Performance Characteristics section.
1
voti
giorgio25760 ha scritto:Da quanto dici sembrerebbe un'oscillazione del LDO regulator.
Per esserne certi bisognerebbe che tu osservassi la tensione in uscita dal regolatore con un oscilloscopio. (naturalmente in contemporanea al presentarsi del problema)
Senza conoscere niente di più posso solo dirti:
1) collega i 100nF in ingresso ed uscita con terminali cortissimi
2) fai che le loro masse si richiudano sul terminale di massa del LDO reg.
Talvolta marche diverse, su un circuito instabile, tendono a comportarsi in modo diverso.
Prova a facci sapere....
Ciao
Giorgio
Ciao, ho analizzato la tensione con un oscilloscopio, ma non ho visto nessun problema. Le masse si richiudono correttamente, ed i condensatori sono posizionati attaccati al LDO.
Ho letto attentamente il datasheet ed ho rispettato ampiamente le specifiche di ESR dei condensatori.
0
voti
Non hai detto cosa hai cvercato con l'oscilloscopio...
Comunque devi eseguire una misura alla ricerca di:
1) rumore/oscillazioni
2) spikes/buchi di alimentazione
E' ovvio che il problema sta nell'alimentatore !
Se cambiando regolatore le cose si aggiustano...
Dovrai anche debuggare l' I2CBUS leggendoti direttamente la stringa seriale e vedere se i bit cambiano nel tempo.
Considera che nella misura delle temperature c'è sempre una certa inerzia termica, quindi i valori non dovrebbero cambiare bruscamente come da te riscontrato ! (da 21°C a 29°C)
Ciao
Giorgio
Comunque devi eseguire una misura alla ricerca di:
1) rumore/oscillazioni
2) spikes/buchi di alimentazione
E' ovvio che il problema sta nell'alimentatore !
Se cambiando regolatore le cose si aggiustano...
Dovrai anche debuggare l' I2CBUS leggendoti direttamente la stringa seriale e vedere se i bit cambiano nel tempo.
Considera che nella misura delle temperature c'è sempre una certa inerzia termica, quindi i valori non dovrebbero cambiare bruscamente come da te riscontrato ! (da 21°C a 29°C)
Ciao
Giorgio
-

giorgio25760
2.310 1 3 5 - G.Master EY

- Messaggi: 1700
- Iscritto il: 6 dic 2009, 17:02
- Località: Brescia
0
voti
I regolatori sono entrambe da 3.3V e stessa corrente erogabile?
Puoi fare una misura della corrente assorbita totale (a monte del regolatore) nei due casi con tutto il sistema acceso e funzionante?
Puoi fare una misura della corrente assorbita totale (a monte del regolatore) nei due casi con tutto il sistema acceso e funzionante?
0
voti
giorgio25760 ha scritto:Non hai detto cosa hai cvercato con l'oscilloscopio...
Comunque devi eseguire una misura alla ricerca di:
1) rumore/oscillazioni
2) spikes/buchi di alimentazione
E' ovvio che il problema sta nell'alimentatore !
Se cambiando regolatore le cose si aggiustano...
Dovrai anche debuggare l' I2CBUS leggendoti direttamente la stringa seriale e vedere se i bit cambiano nel tempo.
Considera che nella misura delle temperature c'è sempre una certa inerzia termica, quindi i valori non dovrebbero cambiare bruscamente come da te riscontrato ! (da 21°C a 29°C)
Ciao
Giorgio
Ho connesso l'oscilloscopio in AC. Ho controllato innanzitutto la misura della tensione: 0 Vrms.
Ho analizzato la forma d'onda ma a parte un rumore trascurabile non sono riuscito a vedere nessuna oscillazione o spike.
Ho pio analizzato il BUS I2C: ho notato che la trama cambia nel tempo (variano sempre alcuni bit nella stessa posizione), ho dedotto che fosse quella la variazione di temperatura effettivamente riscontrata, ma non giustifica l'enorme escursione letta.
GiulioB ha scritto:I regolatori sono entrambe da 3.3V e stessa corrente erogabile?
Puoi fare una misura della corrente assorbita totale (a monte del regolatore) nei due casi con tutto il sistema acceso e funzionante?
Ho letto la corrente dall'alimentatore da banco: l'assorbimento con il regolatore che da problemi è di 20/30 mA, mentre con il secondo regolatore che ho provato è circa 40 mA.
ciao!
7 messaggi
• Pagina 1 di 1
Chi c’è in linea
Visitano il forum: Nessuno e 267 ospiti

Elettrotecnica e non solo (admin)
Un gatto tra gli elettroni (IsidoroKZ)
Esperienza e simulazioni (g.schgor)
Moleskine di un idraulico (RenzoDF)
Il Blog di ElectroYou (webmaster)
Idee microcontrollate (TardoFreak)
PICcoli grandi PICMicro (Paolino)
Il blog elettrico di carloc (carloc)
DirtEYblooog (dirtydeeds)
Di tutto... un po' (jordan20)
AK47 (lillo)
Esperienze elettroniche (marco438)
Telecomunicazioni musicali (clavicordo)
Automazione ed Elettronica (gustavo)
Direttive per la sicurezza (ErnestoCappelletti)
EYnfo dall'Alaska (mir)
Apriamo il quadro! (attilio)
H7-25 (asdf)
Passione Elettrica (massimob)
Elettroni a spasso (guidob)
Bloguerra (guerra)





