da
SerTom » 8 ott 2014, 22:33
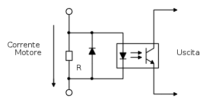
lcua31989 ha scritto:... immagino che in ogni caso R sia una resistenza corazzata...
Cosa intendi per "corazzata" ? Quelle di elevata potenza (10-50W e oltre) in contenitore di alluminio con viti di fissaggio per ulteriore dissipazione ... ? No, non serve arrivare a tanto.
Il led del fotodiodo inizia a "lavorare" tra 1,5-1,7V quindi questa è la tensione di soglia su cui calcolare R.
Per rilevare una corrente da 1A la resistenza dovrà avere valori tra 1,5 e 1,8Ohm (passo E12) e quindi dissipare meno di 2W. Siamo sempre nell'area delle resitenze di piccola potenza, a filo o in cassa ceramica.
Se mi posti i valori di corrente di soglia ... posso tentare di proporti un circuito bello e calcolato.
Bye

Ser.Tom