A detta del proprietario, è rimasto inutilizzato per un po' di anni ed ora è "morto". Ha perso il trasformatore originale e, provandolo con altri, non ha dato segni di vita... Ma sospetto fortemente che abbia provato con i classici alimentatori da 9-12V DC...

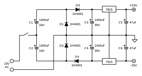
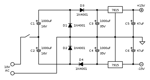
Ad ogni modo, ho già ordinato un trasformatore da 10V di potenza adeguata che ho trovato a pochi spiccioli, però vorrei il vostro parere sul circuito in sé, fermo restando che non mi era mai capitato di vederne uno simile... In particolare, C1 e C2, alla lunga, non potrebbero avere problemi?
Grazie!


Elettrotecnica e non solo (admin)
Un gatto tra gli elettroni (IsidoroKZ)
Esperienza e simulazioni (g.schgor)
Moleskine di un idraulico (RenzoDF)
Il Blog di ElectroYou (webmaster)
Idee microcontrollate (TardoFreak)
PICcoli grandi PICMicro (Paolino)
Il blog elettrico di carloc (carloc)
DirtEYblooog (dirtydeeds)
Di tutto... un po' (jordan20)
AK47 (lillo)
Esperienze elettroniche (marco438)
Telecomunicazioni musicali (clavicordo)
Automazione ed Elettronica (gustavo)
Direttive per la sicurezza (ErnestoCappelletti)
EYnfo dall'Alaska (mir)
Apriamo il quadro! (attilio)
H7-25 (asdf)
Passione Elettrica (massimob)
Elettroni a spasso (guidob)
Bloguerra (guerra)








