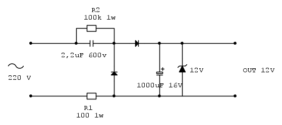
Alimentatore a caduta capacitiva
Moderatori:
carloc,
g.schgor,
BrunoValente,
IsidoroKZ
45 messaggi
• Pagina 1 di 5 • 1, 2, 3, 4, 5
0
voti
Scusa non vorrei essere ot nel topic... aggiungo la corrente in uscita è da 25mA... il cirtuito si tratta di calcoli presi dal sito di i2viu...
Riguardo dallo schema la resistenza R1 mi scalda in eccessivo, troppo in eccessivo
...ma è normale? oppure è sbagliato in qualcosa?
Riguardo dallo schema la resistenza R1 mi scalda in eccessivo, troppo in eccessivo
2
voti
Ho usato questa configurazione per una grande quantità di circuiti.
Mi pare che ci fossero limiti sul valore massimo senza protezione, credo fossero inferiori a 0.1/0.2uF dove si poteva non inserire il resistore di scarica; e per capacità superiori mi sembra che la prova in tensione fosse fatta dopo un paio di secondi dalla disconnessione dell'apparecchio.....Il tutto da prendere con le pinze non ricordo bene i valori ed i tempi.
Su molti Phon per parrucchiera non sono neanche inserite le resistenze di scarica del condensatore.
Su alcuni prodotti nostri, settore elettrodomestico, abbiamo usato un condensatore di linea da 1uF, ed è stata usata una resistenza da 1Mohm, 1/2W in parallelo alla linea stessa, e questa configurazione è stata approvata da ente certificazione nazionale.
Per maggiori info puoi guardare qua a pag 18: http://www.schurter.ch/content/download/339606/11198618/file/EMC+for+Dummies_+Final.pdf
oppure qua dove ti fai il calcolo RC: http://www.digikey.com/classic/documentredirector.aspx?doc=http://www.digikey.com%2fWeb%20Export%2fSupplier%20Content%2ftt-electronics-welwyn-985%2fdocs%2ftt-electronics-capacitor-discharge-calculator.xls
se non necessiti di massa comune ingresso/uscita (che non hai neanche in questo circuito), puoi usare un ponte di graetz al posto del diodo, ottieni il doppio di corrente in uscita, potendo dimezzare il valore del condensatore.
saluti.
Mi pare che ci fossero limiti sul valore massimo senza protezione, credo fossero inferiori a 0.1/0.2uF dove si poteva non inserire il resistore di scarica; e per capacità superiori mi sembra che la prova in tensione fosse fatta dopo un paio di secondi dalla disconnessione dell'apparecchio.....Il tutto da prendere con le pinze non ricordo bene i valori ed i tempi.
Su molti Phon per parrucchiera non sono neanche inserite le resistenze di scarica del condensatore.
Su alcuni prodotti nostri, settore elettrodomestico, abbiamo usato un condensatore di linea da 1uF, ed è stata usata una resistenza da 1Mohm, 1/2W in parallelo alla linea stessa, e questa configurazione è stata approvata da ente certificazione nazionale.
Per maggiori info puoi guardare qua a pag 18: http://www.schurter.ch/content/download/339606/11198618/file/EMC+for+Dummies_+Final.pdf
oppure qua dove ti fai il calcolo RC: http://www.digikey.com/classic/documentredirector.aspx?doc=http://www.digikey.com%2fWeb%20Export%2fSupplier%20Content%2ftt-electronics-welwyn-985%2fdocs%2ftt-electronics-capacitor-discharge-calculator.xls
se non necessiti di massa comune ingresso/uscita (che non hai neanche in questo circuito), puoi usare un ponte di graetz al posto del diodo, ottieni il doppio di corrente in uscita, potendo dimezzare il valore del condensatore.
saluti.
-

lelerelele
4.899 3 7 9 - Master

- Messaggi: 5505
- Iscritto il: 8 giu 2011, 8:57
- Località: Reggio Emilia
0
voti
Lo hai fatto Tu il circuito?
Per fare scaricare un condensatore di tale valore si può benissimo mettere un Megaohm e non far dissipare inutilmente della potenza su un resistore, a meno che non ci sia il bisogno di scaldare qualcosa. Certo ci vorrà qualche secondo prima che si scarichi completamente, dipende dai tempi massimo richiesti per la completa scarica.
Per fare scaricare un condensatore di tale valore si può benissimo mettere un Megaohm e non far dissipare inutilmente della potenza su un resistore, a meno che non ci sia il bisogno di scaldare qualcosa. Certo ci vorrà qualche secondo prima che si scarichi completamente, dipende dai tempi massimo richiesti per la completa scarica.
-

Utdis1
466 1 3 6 - CRU - Account cancellato su Richiesta utente
- Messaggi: 587
- Iscritto il: 16 mar 2009, 19:04
0
voti
Utdis1 ha scritto:Lo hai fatto Tu il circuito?
Se stavi parlando con me, no. Ci tengo alla mia salute e anche a quella dei miei clienti...
Utdis1 ha scritto:Per fare scaricare un condensatore di tale valore si può benissimo mettere un Megaohm e non far dissipare inutilmente della potenza su un resistore, a meno che non ci sia il bisogno di scaldare qualcosa.
Se tu leggi meglio il mio post, troverai che non ho scritto che il valore della resistenza é giusto. Ho solo detto che é sbagliato non mettere una resistenza di scarica.

-

EnChamade
6.498 2 8 12 - G.Master EY

- Messaggi: 588
- Iscritto il: 18 giu 2009, 12:00
- Località: Padova - Feltre
0
voti
EnChamade ha scritto:Se tu leggi meglio il mio post, troverai che non ho scritto che il valore della resistenza é giusto. Ho solo detto che é sbagliato non mettere una resistenza di scarica.
Si parlavo con Te e scusami se sono sembrato polemico.
Avevo pensato, anni fa, di usare questo tipo di circuito per i miei dispositivi e l'ho scartato per vari motivi, primo frà tutti l'efficienza energetica. E' una mia fissa.
Vedere un resistore che scalda per niente, mi dà ai nervi più o meno come pagare l'inps, tari tasi, etc etc.........per mantenere quella miglionata e mezzo di parassiti "politicanti".
-

Utdis1
466 1 3 6 - CRU - Account cancellato su Richiesta utente
- Messaggi: 587
- Iscritto il: 16 mar 2009, 19:04
45 messaggi
• Pagina 1 di 5 • 1, 2, 3, 4, 5
Chi c’è in linea
Visitano il forum: Nessuno e 178 ospiti

Elettrotecnica e non solo (admin)
Un gatto tra gli elettroni (IsidoroKZ)
Esperienza e simulazioni (g.schgor)
Moleskine di un idraulico (RenzoDF)
Il Blog di ElectroYou (webmaster)
Idee microcontrollate (TardoFreak)
PICcoli grandi PICMicro (Paolino)
Il blog elettrico di carloc (carloc)
DirtEYblooog (dirtydeeds)
Di tutto... un po' (jordan20)
AK47 (lillo)
Esperienze elettroniche (marco438)
Telecomunicazioni musicali (clavicordo)
Automazione ed Elettronica (gustavo)
Direttive per la sicurezza (ErnestoCappelletti)
EYnfo dall'Alaska (mir)
Apriamo il quadro! (attilio)
H7-25 (asdf)
Passione Elettrica (massimob)
Elettroni a spasso (guidob)
Bloguerra (guerra)



