Cos'è ElectroYou | Login Iscriviti

ElectroYou - la comunità dei professionisti del mondo elettrico

Motore in CC e MOSFET-N

Elettronica lineare e digitale: didattica ed applicazioni

Moderatori: Foto Utentecarloc, Foto Utenteg.schgor, Foto UtenteBrunoValente, Foto UtenteIsidoroKZ

0
voti

[11] Re: Motore in CC e MOSFET-N

Messaggioda Foto UtenteVRI » 17 lug 2012, 18:56

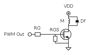
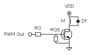
DI che valore le resistenze?
Esiste un'istruzione di Arduino con la quale posso modificare la frequenza del PWM?
Magari un oscilloscopio :D
Avatar utente
Foto UtenteVRI
754 2 7 9
Sostenitore
Sostenitore
 
Messaggi: 1259
Iscritto il: 14 giu 2011, 12:00

1
voti

[12] Re: Motore in CC e MOSFET-N

Messaggioda Foto Utentesimo85 » 17 lug 2012, 20:34

Io farei così:

RG deve essere di un valore basso. Il perché è anche spiegato in questa AN.
La RGS la metterei di un valore più elevato.. Vedi anche questo thread.
È difficile dare valori con esattezza e precisione, per approssimare due valori direi RG 100Ω (o ancor più bassa) e RGS 1k.

Ripeto, non so se questa è effettivamente la causa del tuo problema, ma tentar non nuoce affatto.

VRI ha scritto:Esiste un'istruzione di Arduino con la quale posso modificare la frequenza del PWM?

Mah, come non conosco le librerie messe a disposizione dallo staff di Arduino, ti consiglio di farti un giro su AVRFreaks, in particolare se la tua board monta un ATmega328P come quella che ho io nel cassetto, vedi qui. Eventualmente aggiusti un po' il codice.
Avatar utente
Foto Utentesimo85
30,9k 7 12 13
Disattivato su sua richiesta
 
Messaggi: 9927
Iscritto il: 30 ago 2010, 4:59

0
voti

[13] Re: Motore in CC e MOSFET-N

Messaggioda Foto UtenteVRI » 17 lug 2012, 23:09

è questo sarà ilprimo tentativo :D Altrimenti un bel BJT in configurazione Darlington non potrebbe andare bene? :D
Grazie [user]gohan[/user]!
Avatar utente
Foto UtenteVRI
754 2 7 9
Sostenitore
Sostenitore
 
Messaggi: 1259
Iscritto il: 14 giu 2011, 12:00

1
voti

[14] Re: Motore in CC e MOSFET-N

Messaggioda Foto Utentesimo85 » 17 lug 2012, 23:26

Rimani con il MOS. Eventualmente direi con un MOS driver come suggerito in precedenza da Foto UtenteIsidoroKZ.

EDIT: a differenza dello schema in [12], potresti anche solo mettere un diodo in antiparallelo su RG e non usare RGS.
Avatar utente
Foto Utentesimo85
30,9k 7 12 13
Disattivato su sua richiesta
 
Messaggi: 9927
Iscritto il: 30 ago 2010, 4:59

0
voti

[15] Re: Motore in CC e MOSFET-N

Messaggioda Foto UtenteVRI » 17 lug 2012, 23:42

Beh come componenti poco mi cambia :D Ci sono tutti e due sul bancone :D
Avatar utente
Foto UtenteVRI
754 2 7 9
Sostenitore
Sostenitore
 
Messaggi: 1259
Iscritto il: 14 giu 2011, 12:00

0
voti

[16] Re: Motore in CC e MOSFET-N

Messaggioda Foto UtenteVRI » 14 ott 2014, 23:57

Ho provato il tutto e, ho utilizzato questo diodo di anti ricircolo: http://www.farnell.com/datasheets/314353.pdf
Risultato: MOSFET cotto :D
Scommetto che il diodo che ho utilizzato non è Schotty giusto? Quale potrei utilizzare?
Grazie :D
Avatar utente
Foto UtenteVRI
754 2 7 9
Sostenitore
Sostenitore
 
Messaggi: 1259
Iscritto il: 14 giu 2011, 12:00

0
voti

[17] Re: Motore in CC e MOSFET-N

Messaggioda Foto Utenteclaudiocedrone » 15 ott 2014, 13:05

:-) Hai realizzato il tutto come ? Schemino per favore ;-); il mosfet è montato su idoneo dissipatore ? Si è cotto (eccesso di dissipazione) o si è bucato ? Comunque penso che il diodo sia di ricircolo e non di anti ricircolo :roll: O_/
"Non farei mai parte di un club che accettasse la mia iscrizione" (G. Marx)
Avatar utente
Foto Utenteclaudiocedrone
21,3k 4 7 9
Master EY
Master EY
 
Messaggi: 15302
Iscritto il: 18 gen 2012, 13:36

0
voti

[18] Re: Motore in CC e MOSFET-N

Messaggioda Foto Utenteclaudiocedrone » 15 ott 2014, 14:01

:-) Dovresti anche specificare in quali condizioni si è cotto il mosfet, perché a 24 V, 28 A di spunto fanno 672 W... O_/
"Non farei mai parte di un club che accettasse la mia iscrizione" (G. Marx)
Avatar utente
Foto Utenteclaudiocedrone
21,3k 4 7 9
Master EY
Master EY
 
Messaggi: 15302
Iscritto il: 18 gen 2012, 13:36

1
voti

[19] Re: Motore in CC e MOSFET-N

Messaggioda Foto Utentebrabus » 15 ott 2014, 14:25

Secondo me il segnale di comando è molto distante da un'onda quadra. Riesci a visualizzare la forma d'onda al Gate?

Se non è bella ripida, il mosfet si cuoce per forza. :ok:
Alberto.
Avatar utente
Foto Utentebrabus
22,2k 4 11 13
G.Master EY
G.Master EY
 
Messaggi: 3146
Iscritto il: 26 gen 2009, 15:16

0
voti

[20] Re: Motore in CC e MOSFET-N

Messaggioda Foto Utenteclaudiocedrone » 15 ott 2014, 15:28

:-) Perché ? Immagino sia perché in quel modo il mosfet passi a lavorare in "zona triodo" anziché commutare da saturazione e interdizione nette :roll: :? (curiosità, il tuo nome è Claudio Cedrone :mrgreen: ); comunque se da due anni a questa parte l'OP non si è munito di oscilloscopio mi sa che non può visualizzare granché... O_/
"Non farei mai parte di un club che accettasse la mia iscrizione" (G. Marx)
Avatar utente
Foto Utenteclaudiocedrone
21,3k 4 7 9
Master EY
Master EY
 
Messaggi: 15302
Iscritto il: 18 gen 2012, 13:36

PrecedenteProssimo

Torna a Elettronica generale

Chi c’è in linea

Visitano il forum: Nessuno e 406 ospiti