Salve a tutti.
Mi sto costruendo un compressore per areografo, mediante una bombola per estintore dismessa e un compressore per frigorifero.
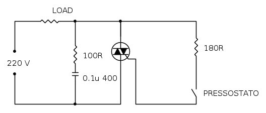
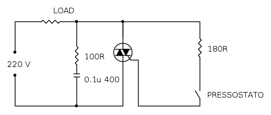
Per evitare spiacevoli esplosioni, ho dotato il tutto di un pressostato pre tarato a 2.25 bar, pressione di lavoro dell' areografo.
Il compressore a regime consuma poco meno di 1 Ampere, mentre in avviamento ( l' intera operazione dura circa 1 secondo ) il motore può arrivare ad assorbire ben 14 A, perciò per evitare di usurare precocemente i contatti del pressostato ( è molto costoso e non lo troverò una seconda volta al prezzo che l'ho pagato ) ho deciso che non sarà lui a comandare direttamente il motore ma bensì un TRIAC abbastanza robusto ( avevo fatto pensiero al BTA16-600 B )
Lo schema è questo :
Lo trovato Rete ( Scusate se è orrendo ma è il mio primo schema che ho fatto con fidocadj ), e proviene dal manuale Jackson "I tiristori 110 progetti pratici" del 1972.
La domanda : Secondo voi può andar bene o sto sbagliando strada ?
P.S. Nell' articolo dove c'e lo schema non è specificato alcun tipo di triac.
Grazie un milione a tutti
TRIAC come interruttore.
Moderatori:
carloc,
g.schgor,
BrunoValente,
IsidoroKZ
8 messaggi
• Pagina 1 di 1
0
voti
Ciao
DavideRomano97.
Non è necessario sollecitare le risposte.
Se qualcuno è in grado di risponderti lo fara' quando avrà tempo.
Inoltre il sollecito, alle risposte, non è gradito nel forum.
Non è necessario sollecitare le risposte.
Se qualcuno è in grado di risponderti lo fara' quando avrà tempo.
Inoltre il sollecito, alle risposte, non è gradito nel forum.
1
voti
Ciao, forse ti stai complicando la vita per nulla; usa un semplice relay pilotato direttamente dal pressostato se proprio non vuoi dargli il carico direttamente.
Tieni conto comunque che in genere gli scambi dei pressostati reggono bene
Tieni conto comunque che in genere gli scambi dei pressostati reggono bene

0
voti
theking0 ha scritto:Ciao, forse ti stai complicando la vita per nulla; usa un semplice relay pilotato direttamente dal pressostato se proprio non vuoi dargli il carico direttamente.
Tieni conto comunque che in genere gli scambi dei pressostati reggono bene
Ci avevo pensato al relè, ( Sarebbe la soluzione più sicura e semplice, dico sicura perché se il triac per un motivo x si shunta avoglia a staccare il pressostato. )
Ideale sarebbe trovare un relè con bobina a 220 volt ( Non di tipo industriale ), altrimenti mi devo arrangiare con quelli a bassa tensione.
Grazie per la risposta.
-

DavideRomano97
18 1 3 - Messaggi: 36
- Iscritto il: 6 ago 2014, 14:50
0
voti
Se ti basta un contatto solo potresti dare un occhio se ti va bene come categoria un prodotto tipo questo
http://www.findernet.com/it/products/sku/406182300000/
se non hai un circuito spampato, si può prendere il relativo zoccolo.
io personalmente quando li uso con lo zoccolo preferisco la versione con archetto metallico,
perché mi capita di distruggere l'archetto in plastica

http://www.findernet.com/it/products/sku/406182300000/
se non hai un circuito spampato, si può prendere il relativo zoccolo.
io personalmente quando li uso con lo zoccolo preferisco la versione con archetto metallico,
perché mi capita di distruggere l'archetto in plastica
0
voti
PERFETTO ! Proprio uno di quelli volevo dire. Spero bene che il negoziante e ad un prezzo ragionevole li abbia con quella tensione.
-

DavideRomano97
18 1 3 - Messaggi: 36
- Iscritto il: 6 ago 2014, 14:50
8 messaggi
• Pagina 1 di 1
Chi c’è in linea
Visitano il forum: Nessuno e 205 ospiti

Elettrotecnica e non solo (admin)
Un gatto tra gli elettroni (IsidoroKZ)
Esperienza e simulazioni (g.schgor)
Moleskine di un idraulico (RenzoDF)
Il Blog di ElectroYou (webmaster)
Idee microcontrollate (TardoFreak)
PICcoli grandi PICMicro (Paolino)
Il blog elettrico di carloc (carloc)
DirtEYblooog (dirtydeeds)
Di tutto... un po' (jordan20)
AK47 (lillo)
Esperienze elettroniche (marco438)
Telecomunicazioni musicali (clavicordo)
Automazione ed Elettronica (gustavo)
Direttive per la sicurezza (ErnestoCappelletti)
EYnfo dall'Alaska (mir)
Apriamo il quadro! (attilio)
H7-25 (asdf)
Passione Elettrica (massimob)
Elettroni a spasso (guidob)
Bloguerra (guerra)





