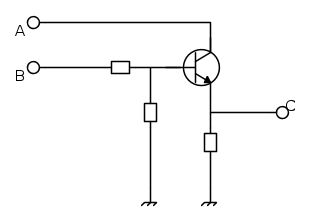
di norma l'AND io lo faccio con un transistor NPN così:
dove C = A and B
Barra lampeggiante polizia e ambulanza a LED
Moderatori:
carloc,
g.schgor,
BrunoValente,
IsidoroKZ
0
voti
1
voti
Prego, buona costruzione!
Macelettronic ha scritto:Posso fare quindi l'ordine online con le componenti che hai indicato nello schema?
Certo! Non dimenticare basetta millefori, zoccolini per gli integrati e minuterie varie.
Macelettronic ha scritto:Qualcuno conosce qualche sito in cui non si pagano le spese di spedizione o non li fa pagare con ordini piccoli? Quelli che conosco io devo fare almeno un ordine di 100€ per non pagare le spese di spedizione
Si trovano molte cose anche su ebay.com (attenzione: .com, non .it: si trovano più venditori internazionali). Spessissimo i venditori di Cina (mainland), Hong Kong, Taiwan, Thailandia, Singapore spediscono con invio gratuito.
Dalla Cina (mainland) le buste inviate impiegano anche più di un mese ad arrivare (e qualche volta non arrivano), gli altri posti di solito sono un pochino più cari, un pochino più accurati nell'imballaggio e un pochino più veloci (comunque aspetti come minimo due settimane). Se una busta di provenienza extra-UE ha un valore dichiarato di più di 15-20 $ è possibile che te la fermino in dogana, aggiungendo ulteriori ritardi e facendoti pagare dazio e IVA.
Posso consigliarti il negozio ebay Tayda2009. Sono di Bangkok, precisi, ben forniti di roba buona e economica, imballano bene e l'invio di moltissimi articoli è gratuito.
Per trovare led da 3 mm di diametro, color ambra (quello che simula meglio il giallo-arancio dei semafori e dei lampeggiatori) basta cercare "3mm amber led". Se li vuoi con la testa piatta basta aggiungere "flat top", se li vuoi con testa ribassata a bombetta basta aggiungere "straw hat". Esempio LED ambra 3 mm testa piatta - Esempio LED blu 3 mm.
Macelettronic ha scritto:un'ultima cosa sapete come si chiamano in italiano questi LED? E dove comprarli?
Li ho trovati solo in germania, ma vista la grandezza li potrei utilizzare meglio dei LED da 1.8 mm![]()
http://www.ebay.it/itm/10x-ULTRA-MICRO-LED-0401-ROT-Cu-Draht-extremely-tiny-red-LED-0-3x1-mm-wire-/371159362584?pt=DE_Modellbau_Modelleisenbahnen&hash=item566ad26c18
"LED SMD pre-cablati"? Vedi anche "pre wired SMD led".
Cerca anche su electronic.it, hanno offerte a 1 centesimo, kit di condensatori, resistenze ecc. abbondanti e a buon prezzo, e modiche spese di spedizione.
I "supermercati dell'elettronica gourmet" Farnell, Mouser, Digikey, RS Components sono sempre fornitissimi e di alta qualità, purtroppo però le spese di spedizione si aggirano sui 20 €, se non trovi qualche offerta speciale.

Big fan of ⋮ƎlectroYou! Ausili per disabili e anziani su ⋮ƎlectroYou
Caratteri utili: À È É Ì Ò Ó Ù α β γ δ ε η θ λ μ π ρ σ τ φ ω Ω º ª ² ³ √ ∛ ∜ ₀ ₁ ₂ ₃ ₄ ₅ ₆ ∃ ∄ ∆ ∈ ∉ ± ∓ ∾ ≃ ≈ ≠ ≤ ≥
Caratteri utili: À È É Ì Ò Ó Ù α β γ δ ε η θ λ μ π ρ σ τ φ ω Ω º ª ² ³ √ ∛ ∜ ₀ ₁ ₂ ₃ ₄ ₅ ₆ ∃ ∄ ∆ ∈ ∉ ± ∓ ∾ ≃ ≈ ≠ ≤ ≥
0
voti
Grazie per le info, comunque se alla dogana fanno pagare altre tasse oltre alla differenza dell'IVA, tanto vale pagare la spedizione, su tme se non ricordo male è circa 7,9€.
Ci ho provato a risparmiare, mi è andata male
Devo invece ricordarmi di acquistare una mille fori di prova, che se non erro si chiama breadboard.
Vi ringrazio sempre per la disponibilità e gentilezza, soprattutto nello spiegare le cose
Ci ho provato a risparmiare, mi è andata male
Devo invece ricordarmi di acquistare una mille fori di prova, che se non erro si chiama breadboard.
Vi ringrazio sempre per la disponibilità e gentilezza, soprattutto nello spiegare le cose

-

Macelettronic
55 2 6 - Frequentatore

- Messaggi: 212
- Iscritto il: 1 feb 2012, 11:08
0
voti
mi chiedo se con la disponibilità di questi mostriciattoli
http://www.ebay.it/itm/STM32F103C8T6-ST ... 3ce84fd530
il saldatore serva ancora a qualcosa
http://www.ebay.it/itm/STM32F103C8T6-ST ... 3ce84fd530
il saldatore serva ancora a qualcosa

0
voti

-

Macelettronic
55 2 6 - Frequentatore

- Messaggi: 212
- Iscritto il: 1 feb 2012, 11:08
0
voti
anche quello puoi dire "l'ho fatto io"
con la differenza che invece di aver saldato un po di componenti in croce, avrai generato una creatura unica (software) per animare un pezzo di ferro
con la differenza che invece di aver saldato un po di componenti in croce, avrai generato una creatura unica (software) per animare un pezzo di ferro
0
voti
Ragazzi scusate, la domanda stupida ma come cerco su google gli equivalenti di certi componenti?
Ad esempio non trovo il 4060B ma ho trovato il 4060 o il cd4060be,
Come per il bc337, ho trovato il bc337-25
Per non disturbarvi ad ogni componente che non trovo, c'è un sito ad esempio in cui inserisco il componente e mi da tutti gli equivalenti? sarebbe bello
Ad esempio non trovo il 4060B ma ho trovato il 4060 o il cd4060be,
Come per il bc337, ho trovato il bc337-25
Per non disturbarvi ad ogni componente che non trovo, c'è un sito ad esempio in cui inserisco il componente e mi da tutti gli equivalenti? sarebbe bello
-

Macelettronic
55 2 6 - Frequentatore

- Messaggi: 212
- Iscritto il: 1 feb 2012, 11:08
0
voti

"Non farei mai parte di un club che accettasse la mia iscrizione" (G. Marx)
-

claudiocedrone
21,3k 4 7 9 - Master EY

- Messaggi: 15302
- Iscritto il: 18 gen 2012, 13:36
Chi c’è in linea
Visitano il forum: Nessuno e 171 ospiti

Elettrotecnica e non solo (admin)
Un gatto tra gli elettroni (IsidoroKZ)
Esperienza e simulazioni (g.schgor)
Moleskine di un idraulico (RenzoDF)
Il Blog di ElectroYou (webmaster)
Idee microcontrollate (TardoFreak)
PICcoli grandi PICMicro (Paolino)
Il blog elettrico di carloc (carloc)
DirtEYblooog (dirtydeeds)
Di tutto... un po' (jordan20)
AK47 (lillo)
Esperienze elettroniche (marco438)
Telecomunicazioni musicali (clavicordo)
Automazione ed Elettronica (gustavo)
Direttive per la sicurezza (ErnestoCappelletti)
EYnfo dall'Alaska (mir)
Apriamo il quadro! (attilio)
H7-25 (asdf)
Passione Elettrica (massimob)
Elettroni a spasso (guidob)
Bloguerra (guerra)






