Cos'è ElectroYou | Login Iscriviti

ElectroYou - la comunità dei professionisti del mondo elettrico

Circuito mini per doppio led lampeggiante

Elettronica lineare e digitale: didattica ed applicazioni

Moderatori: Foto Utentecarloc, Foto Utenteg.schgor, Foto UtenteBrunoValente, Foto UtenteIsidoroKZ

0
voti

[1] Circuito mini per doppio led lampeggiante

Messaggioda Foto UtenteProfeta » 21 ott 2014, 0:29

Ciao a tutti, avrei bisogno di creare un piccolissimo circuito per alimentare 2 led che dovrebbero possibilmente lampeggiare (dovrebbero funzionare tipo occhi lampeggianti).

Premessa: se ci fosse la possibilità di farli andare sia lampeggianti che fissi sarebbe ottimo e la preferenza per l'alimentazione sarebbe tramite batteria CR2032 o similare (le cr2032 le ho sottomano, per cui le preferirei).

A disposizione ho già dei led le cui caratteristiche però non so quali siano (mi sono rimasti di un progetto fatti parecchio tempo fa ma potrei anche ricomprarli rossi), millefori in abbondanza, switch vari.

Cosa mi consigliate? Purtroppo ormai mi ricordo poco di teoria di elettronica :?
Avatar utente
Foto UtenteProfeta
5 2
 
Messaggi: 20
Iscritto il: 7 mar 2009, 2:12

0
voti

[2] Re: Circuito mini per doppio LED lampeggiante

Messaggioda Foto Utentedaniele1996 » 21 ott 2014, 0:39

beh metti in cosiderazione che fanno dei led che lampeggiano dando solo l'alimentazione (a doppio colore) non li riesco a reperire, ma esistono, li ho trovati nelle macchinina rotta di mia cugina... poi se vuoi fare il circuito sono un altro paio di mani...
Avatar utente
Foto Utentedaniele1996
610 3 8 11
Sostenitore
Sostenitore
 
Messaggi: 1554
Iscritto il: 29 ago 2011, 11:29

0
voti

[3] Re: Circuito mini per doppio LED lampeggiante

Messaggioda Foto Utentemarco438 » 21 ott 2014, 8:16

Profeta ha scritto:ì (dovrebbero funzionare tipo occhi lampeggianti).

Io non ho mai visto gli occhi lampeggiare :mrgreen: , quindi per aiutarti dovrei sapere se il lampeggio deve essere contemporaneo per i due led, a quale frequenza deve avvenire, per quanto deve durare ecc. ecc.
daniele1996 ha scritto:beh metti in cosiderazione che fanno dei LED che lampeggiano dando solo l'alimentazione

Si ma funzionano a tensioni piu' elevate di quelle fornite da una piletta.
marco
Avatar utente
Foto Utentemarco438
37,1k 7 11 13
-EY Legend-
-EY Legend-
 
Messaggi: 16323
Iscritto il: 24 mar 2010, 15:09
Località: Versilia

0
voti

[4] Re: Circuito mini per doppio LED lampeggiante

Messaggioda Foto UtenteRussell » 21 ott 2014, 8:36

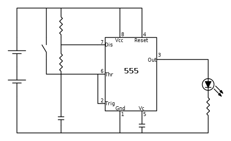
Se puoi mettere 2 batterie in serie ce la dovresti fare (6V)
poi potresti usare il Timer NE555 in configurazione astabile, vedi schema
il dimensionamento dei componenti dipende dalla frequenza del lampeggio che vuoi realizzare
(comunque poi ti converrà mettere un trimmer per le regolazioni ad occhio)
Infine mettendo quell'interruttore che ti ho disegnato, e chiudendolo, dovresti poter disattivare il lampeggio e vedere il LED sempre acceso

Se i 2 LED li vuoi vedere lampeggiare insieme basta metterli in parallelo, altrimenti dovrai spiegare cosa vuoi fare e forse serve modificare solo un poco il circuito

Avatar utente
Foto UtenteRussell
3.373 3 5 9
Master
Master
 
Messaggi: 2193
Iscritto il: 4 ott 2009, 10:25

0
voti

[5] Re: Circuito mini per doppio LED lampeggiante

Messaggioda Foto Utentedaniele1996 » 21 ott 2014, 9:01

I led che dico io funzionano a 5v bastano due batterie e una resistenza
Avatar utente
Foto Utentedaniele1996
610 3 8 11
Sostenitore
Sostenitore
 
Messaggi: 1554
Iscritto il: 29 ago 2011, 11:29

0
voti

[6] Re: Circuito mini per doppio LED lampeggiante

Messaggioda Foto Utentemarco438 » 21 ott 2014, 9:42

Allora non li conosco; quelli comuni con tensione lavoro di 9V, cominciano a lampeggiare intorno ai 6/7V ed aumentano la frequenza man mano che aumenta la tensione.
Se hai un link, mettilo Foto Utentedaniele1996, grazie.
marco
Avatar utente
Foto Utentemarco438
37,1k 7 11 13
-EY Legend-
-EY Legend-
 
Messaggi: 16323
Iscritto il: 24 mar 2010, 15:09
Località: Versilia

0
voti

[7] Re: Circuito mini per doppio LED lampeggiante

Messaggioda Foto Utentedaniele1996 » 21 ott 2014, 10:02

purtroppo non ho un link e non li trovo nemmeno in rete... li ho trovati in un vecchio giocattolo... se puoi postare il link di quelli che dici tu, potrei confermarti se sono quelli...
Avatar utente
Foto Utentedaniele1996
610 3 8 11
Sostenitore
Sostenitore
 
Messaggi: 1554
Iscritto il: 29 ago 2011, 11:29

0
voti

[8] Re: Circuito mini per doppio LED lampeggiante

Messaggioda Foto Utentemarco438 » 21 ott 2014, 10:31

Purtroppo non ho link, vado a memoria per quanto mi e' capitato tra le mani nel tempo.
E' comunque possibile che siano stati fatti in tempi recenti.
marco
Avatar utente
Foto Utentemarco438
37,1k 7 11 13
-EY Legend-
-EY Legend-
 
Messaggi: 16323
Iscritto il: 24 mar 2010, 15:09
Località: Versilia

0
voti

[9] Re: Circuito mini per doppio LED lampeggiante

Messaggioda Foto Utentedaniele1996 » 21 ott 2014, 20:54

per puro caso li ho trovati Qui... sono questi quelli che dicevo...
Avatar utente
Foto Utentedaniele1996
610 3 8 11
Sostenitore
Sostenitore
 
Messaggi: 1554
Iscritto il: 29 ago 2011, 11:29

1
voti

[10] Re: Circuito mini per doppio LED lampeggiante

Messaggioda Foto Utentemarco438 » 22 ott 2014, 7:50

Si, ma come vedi, il valore nominale di alimentazione e' 9/12V e la frequenza di lampeggio e' di solito legata alla tensione. :D
Pare comunque che all'OP la cosa non interessi piu'; e' scomparso. :D
marco
Avatar utente
Foto Utentemarco438
37,1k 7 11 13
-EY Legend-
-EY Legend-
 
Messaggi: 16323
Iscritto il: 24 mar 2010, 15:09
Località: Versilia

Prossimo

Torna a Elettronica generale

Chi c’è in linea

Visitano il forum: Nessuno e 224 ospiti