Leggerò fino in fondo... credevo d'esser l'unico... ahahah dannato egocentrismo
Anomalia alimentazione
Moderatore:
Paolino
43 messaggi
• Pagina 4 di 5 • 1, 2, 3, 4, 5
0
voti
Trovato http://www.electroyou.it/forum/viewtopic.php?f=15&t=16405.
Leggerò fino in fondo... credevo d'esser l'unico... ahahah dannato egocentrismo
Leggerò fino in fondo... credevo d'esser l'unico... ahahah dannato egocentrismo
0
voti
Beh, ha risolto con un condensatore ma a me continua a non funzionare.
Ho provato alimentatori switching, lineari e batterie, su demoboard che su breadboard, con oscillatore interno che esterno a sto punto non so proprio che fare
Ho provato alimentatori switching, lineari e batterie, su demoboard che su breadboard, con oscillatore interno che esterno a sto punto non so proprio che fare
0
voti

"Non farei mai parte di un club che accettasse la mia iscrizione" (G. Marx)
-

claudiocedrone
21,3k 4 7 9 - Master EY

- Messaggi: 15303
- Iscritto il: 18 gen 2012, 13:36
0
voti
Buongiorno a tutti
Continuando il mio monologo (Scherzo
) volevo dirvi che ho fatto una magia e adesso funziona tutto come desiderato. Ho praticamente montato un alimentatore con quasi gli stessi componenti direttamente sulla breadboard e col vecchio fw non andava. Allora ho deciso di mettere mano al codice facendo diverse ottimizzazioni (praticamente l'ho riscritto ex-novo) e adesso funziona tutto alla perfezione
Ah, l'alimentatore che sto utilizzando è il primo impiegato in grado di erogare fino a 500mA.
Sono un informatico e, almeno sui calcolatori, del codice o va o non va. Tale regola, per caso, non funziona con i micro? Perché questa sarebbe la mia unica spiegazione all'anomalia.
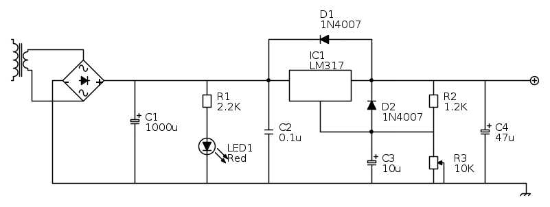
Volevo chiedervi una cosa circa l'alimentazione. Lo schema è pressoché quello postato in precedenza. a meno del LED e della relativa resistenza di limitazione che adesso ho messo a monte dell'LM317. Per quanto riguarda R1 ho adoperato un resistore da 1.2K (in tal modo la corrente che devio sul ramo di regolazione è di 1mA anziché 5mA) e il trimmer da 10K con i pin 1 e 2 collegati insieme. Così riesco a variare da 1.25V a circa 10V - il drop-out mi frega ma non m'importa. Ho eliminato R2. C1 è da 10uF, C3 da 0.1uF in poliestere e C4 da 47uF. I due diodi sono degli 1N4148 ma li sostituirò con dei 1N4007. Che ne pensate?
Continuando il mio monologo (Scherzo
Ah, l'alimentatore che sto utilizzando è il primo impiegato in grado di erogare fino a 500mA.Sono un informatico e, almeno sui calcolatori, del codice o va o non va. Tale regola, per caso, non funziona con i micro? Perché questa sarebbe la mia unica spiegazione all'anomalia.
Volevo chiedervi una cosa circa l'alimentazione. Lo schema è pressoché quello postato in precedenza. a meno del LED e della relativa resistenza di limitazione che adesso ho messo a monte dell'LM317. Per quanto riguarda R1 ho adoperato un resistore da 1.2K (in tal modo la corrente che devio sul ramo di regolazione è di 1mA anziché 5mA) e il trimmer da 10K con i pin 1 e 2 collegati insieme. Così riesco a variare da 1.25V a circa 10V - il drop-out mi frega ma non m'importa. Ho eliminato R2. C1 è da 10uF, C3 da 0.1uF in poliestere e C4 da 47uF. I due diodi sono degli 1N4148 ma li sostituirò con dei 1N4007. Che ne pensate?
0
voti
lostsheep ha scritto: Lo schema è pressoché quello postato in precedenza. a meno del LED e della relativa resistenza di limitazione che adesso ho messo a monte dell'LM317......
Se vuoi avere risposte, fai lo schema in FidoCadJ con tutti i valori dei componenti.
Ti e' gia' stato richiesto piu' volte.
Poi, quelle modifiche le hai fatte a caso o te le ha suggerite qualcuno?
marco
0
voti
Ciao marco438. Scusa tanto ma non volevo far adirare nessuno!
Ho postato solo delle immagini degli schemi che avevo già pronti, mica i progetti di Eagle. Imparare ad usare un nuovo software non è cosa da 5 minuti. Comunque mi sto adeguando a quanto richiesto e le prossime volte userò FidoCadJ.
Per quanto riguarda le modifiche non me le ha suggerite nessuno e tantomeno le ho fatte a caso ma mi son andato a studiare il datasheet dell'LM317 e ho preso spunto da degli schemi che venivano suggeriti.
Grazie ancora per tutto e chiedo scusa per le mie inadempienze.
Ho postato solo delle immagini degli schemi che avevo già pronti, mica i progetti di Eagle. Imparare ad usare un nuovo software non è cosa da 5 minuti. Comunque mi sto adeguando a quanto richiesto e le prossime volte userò FidoCadJ.
Per quanto riguarda le modifiche non me le ha suggerite nessuno e tantomeno le ho fatte a caso ma mi son andato a studiare il datasheet dell'LM317 e ho preso spunto da degli schemi che venivano suggeriti.
Grazie ancora per tutto e chiedo scusa per le mie inadempienze.
1
voti
Non mi sono per nulla adirato ma visto che sul forum ci sono poche e semplici regole, credo debbano essere osservate e poi la cosa ti era stata fatta gia notare un paio di volte.
Nello schema, che ti ho corretto, mancano alcuni particolari, probabilmente perche' hai usato una versione vecchia di FidoCad; scarica da qui la versione 0.24.4.
Per quanto attiene il circuito, non mi pare che il datasheet consigli per R1 un valore di 1200 ohm anzi, in quasi tutti gli schemi sia di datasheet che di application note, si parla di 240 ohm. Io personalmente adopero anche valori inferiori che servono solo (oltre al resto) ad assicurare al regolatore la piccola quantita' di corrente che gli serve per funzionare.
Forse con quei valori funzionera' ugualmente, ma non sono sicuro che lo faccia nel migliore dei modi.
I valori consigliati sarebbero quindi 240 ohm (lo dice la National) per R1 e, per quanto ti riguarda (valori di tensione da 1.2 a 10V) 2.2k per il potenziometro.
Il condensatore da 0.1uF, vista la presenza dell'elettrolitico da 1000uF e' inutile e, a volte puo' risultare dannoso.
Non ricordo quanto sia la tensione del trasformatore ma quella resistenza sul led mi pare eccessiva.
In uscita puoi eliminare il condensatore da 47uF e sostituirlo con un ceramico da 0.1uF.
Gli 1N4148 possono anche andare per quelle basse correnti ma si deve tenere conto dei picchi di ritorno dal condensatore di livellamento; quindi meglio mettere 1N4007.
Penso di non aver dimenticato nulla.

Nello schema, che ti ho corretto, mancano alcuni particolari, probabilmente perche' hai usato una versione vecchia di FidoCad; scarica da qui la versione 0.24.4.
Per quanto attiene il circuito, non mi pare che il datasheet consigli per R1 un valore di 1200 ohm anzi, in quasi tutti gli schemi sia di datasheet che di application note, si parla di 240 ohm. Io personalmente adopero anche valori inferiori che servono solo (oltre al resto) ad assicurare al regolatore la piccola quantita' di corrente che gli serve per funzionare.
Forse con quei valori funzionera' ugualmente, ma non sono sicuro che lo faccia nel migliore dei modi.
I valori consigliati sarebbero quindi 240 ohm (lo dice la National) per R1 e, per quanto ti riguarda (valori di tensione da 1.2 a 10V) 2.2k per il potenziometro.
Il condensatore da 0.1uF, vista la presenza dell'elettrolitico da 1000uF e' inutile e, a volte puo' risultare dannoso.
Non ricordo quanto sia la tensione del trasformatore ma quella resistenza sul led mi pare eccessiva.
In uscita puoi eliminare il condensatore da 47uF e sostituirlo con un ceramico da 0.1uF.
Gli 1N4148 possono anche andare per quelle basse correnti ma si deve tenere conto dei picchi di ritorno dal condensatore di livellamento; quindi meglio mettere 1N4007.
Penso di non aver dimenticato nulla.

marco
0
voti
Grazie infinite, sei stato molto chiaro e completo.
Per quanto riguarda la versione di FidoCadJ ho scaricato l'ultima versione da sourceforge ed è la 0.24.4; non sarà forse un problema di librerie?
Per quanto riguarda il datasheet ho quello della ST e, anche li, consigliano una resistenza da 240. Adeguerò il mio circuito.
Perché, vista la presenza dell'elettrolitico, il C2 può essere dannoso?
L'alimentatore fornisce 12V e R1 l'ho messa da 2.2K per far passare solo 5mA dal LED. E' vero che posso spingermi oltre ma così, non andrei a sottrarre corrente utile per il circuito da alimentare?
Grazie.
Per quanto riguarda la versione di FidoCadJ ho scaricato l'ultima versione da sourceforge ed è la 0.24.4; non sarà forse un problema di librerie?
Per quanto riguarda il datasheet ho quello della ST e, anche li, consigliano una resistenza da 240. Adeguerò il mio circuito.
Perché, vista la presenza dell'elettrolitico, il C2 può essere dannoso?
L'alimentatore fornisce 12V e R1 l'ho messa da 2.2K per far passare solo 5mA dal LED. E' vero che posso spingermi oltre ma così, non andrei a sottrarre corrente utile per il circuito da alimentare?
Grazie.
0
voti
Ah, dimenticavo: il condensatore C4 da 0.1u di che tipo dovrei metterlo?
2
voti
Per FidoCadj, sinceramente non so darti risposta; bisognerebbe sentire
DarwinNE.
Per quanto riguarda i condensatori, ci sono diverse teorie in proposito e se ne e' discusso lungamente in passato; se trovo (presto) il link te lo posto. Resta comunque il fatto che anche il datasheet, raccomanda i due condensatori ceramici su in e out solo quando il condensatore di livellamento sia posto molto distante dal circuito regolatore.
Per il led, fai come credi meglio, basta che poi si accenda.

P.S. Condensatore ceramico (o plastico) da 0.1uF.
Per quanto riguarda i condensatori, ci sono diverse teorie in proposito e se ne e' discusso lungamente in passato; se trovo (presto) il link te lo posto. Resta comunque il fatto che anche il datasheet, raccomanda i due condensatori ceramici su in e out solo quando il condensatore di livellamento sia posto molto distante dal circuito regolatore.
Per il led, fai come credi meglio, basta che poi si accenda.

P.S. Condensatore ceramico (o plastico) da 0.1uF.
marco
43 messaggi
• Pagina 4 di 5 • 1, 2, 3, 4, 5
Torna a Realizzazioni, interfacciamento e nozioni generali.
Chi c’è in linea
Visitano il forum: Nessuno e 22 ospiti

Elettrotecnica e non solo (admin)
Un gatto tra gli elettroni (IsidoroKZ)
Esperienza e simulazioni (g.schgor)
Moleskine di un idraulico (RenzoDF)
Il Blog di ElectroYou (webmaster)
Idee microcontrollate (TardoFreak)
PICcoli grandi PICMicro (Paolino)
Il blog elettrico di carloc (carloc)
DirtEYblooog (dirtydeeds)
Di tutto... un po' (jordan20)
AK47 (lillo)
Esperienze elettroniche (marco438)
Telecomunicazioni musicali (clavicordo)
Automazione ed Elettronica (gustavo)
Direttive per la sicurezza (ErnestoCappelletti)
EYnfo dall'Alaska (mir)
Apriamo il quadro! (attilio)
H7-25 (asdf)
Passione Elettrica (massimob)
Elettroni a spasso (guidob)
Bloguerra (guerra)



