Cos'è ElectroYou | Login Iscriviti

ElectroYou - la comunità dei professionisti del mondo elettrico

LDR, transistor e LED: dove sbaglio i calcoli?

Elettronica lineare e digitale: didattica ed applicazioni

Moderatori: Foto Utentecarloc, Foto Utenteg.schgor, Foto UtenteBrunoValente, Foto UtenteIsidoroKZ

2
voti

[11] Re: LDR, transistor e LED: dove sbaglio i calcoli?

Messaggioda Foto Utenteedgar » 20 ott 2014, 22:16

madmage ha scritto: non ho un 555 tra le mani, mentre ho molti transistor

Puoi realizzare uno schmitt trigger a transistor: si complica un po' il circuito ma ha transizioni nette
Avatar utente
Foto Utenteedgar
10,0k 4 5 8
Master
Master
 
Messaggi: 5229
Iscritto il: 15 set 2012, 22:59

0
voti

[12] Re: LDR, transistor e LED: dove sbaglio i calcoli?

Messaggioda Foto Utentemadmage » 21 ott 2014, 15:46

Il LED è questo http://www.robot-italy.com/it/diffused- ... -10mm.html, Vf = 3.0-3.4V (bianco).
Il transistor è un PN3904 (http://images.ihscontent.net/vipimages/ ... 9261-1.pdf).

Il LED dice 20mA di corrente massima, 3.6mA non è troppo poco per vederlo accendere?
Ultima modifica di Foto Utentemarco438 il 21 ott 2014, 16:37, modificato 1 volta in totale.
Motivazione: Eliminato quoting inutile. Usa il tasto rispondi e leggi le regole del forum.
Avatar utente
Foto Utentemadmage
25 2
 
Messaggi: 12
Iscritto il: 19 ott 2014, 18:37

2
voti

[13] Re: LDR, transistor e LED: dove sbaglio i calcoli?

Messaggioda Foto Utentedavidde » 21 ott 2014, 19:00

Credo che con 3,6mA si riuscirebbe a vedere acceso, se vuoi esserne certo metti in serie al led una resistenza da 150ohm e alimenta il tutto con la batteria a 3,6V. Così facendo scorreranno nel led più o meno 4mA e potrai valutare la luminosità per quella corrente.

madmage ha scritto:Il LED è questo ... Vf = 3.0-3.4V (bianco).

Temevo fosse bianco... il led bianco fa cadere ai suoi capi 3V circa, il transistor (in condizione di saturazione) altri 0,3V. In tutto ti cadono sul ramo del led 3,3V minimo. Essendo la tua batteria da 3,6V devi fare i conti per valutare il valore della resistenza in serie al led con soli 0,3V (3,6-3,3 = 0,3V). Se gli vuoi far scorrere, ad esempio 10mA, ti serve una resistenza in serie da 30ohm (non da 100ohm).
Avere così poco margine sulla tensione non è consigliabile, basta che il led invece che 3V faccia cadere 3,2V che la corrente nel led si riduce in maniera drastica.
Prova a rifare la simulazione mettendo una batteria da 5V invece che da 3,6V, la situazione dovrebbe migliorare.

Oltre a quanto detto sopra hai un altro problema, alla luce dei dati che hai aggiunto e con i valori dei componenti che hai postato la volta scorsa si vede che stai chiedendo al transistor un guadagno (HFE) di circa 80volte (hai in base circa 37µA mentre sul collettore circa 3mA), solitamente quando si lavora in saturazione si tiene un margine di sicurezza di almeno due o tre volte rispetto al guadagno minimo indicato sul datasheet. Nelle condizioni attuali avresti quindi bisogno di un BJT con un guadagno minimo compreso tra le 160 e le 240 volte, valori un po' troppo lontani da quelli relativi al tuo componente.
Mantenendo la batteria a 3,6V prova a ridurre il valore della resistenza da 68Kohm a 22kohm, in questo modo ridurresti il guadagno richiesto e forse il simulatore ti farà vedere che il transistor satura.

Una curiosità: lo stai soltanto simulando oppure lo stai anche testando in pratica?
Avatar utente
Foto Utentedavidde
13,3k 4 9 12
G.Master EY
G.Master EY
 
Messaggi: 4026
Iscritto il: 2 ago 2007, 11:40
Località: Bologna

0
voti

[14] Re: LDR, transistor e LED: dove sbaglio i calcoli?

Messaggioda Foto Utentemadmage » 21 ott 2014, 19:30

Grazie per le spiegazioni utilissime.
Il problema è proprio questo: lo sto usando in pratica e, nonostante in simulazione (e anche secondo i tuoi calcoli) non dovrebbe accendersi, il LED brilla felicemente nel buio.
Ultima modifica di Foto Utentemarco438 il 21 ott 2014, 19:41, modificato 1 volta in totale.
Motivazione: Eliminato quoting inutile. Usa il tasto rispondi e leggi le regole del forum.
Avatar utente
Foto Utentemadmage
25 2
 
Messaggi: 12
Iscritto il: 19 ott 2014, 18:37

0
voti

[15] Re: LDR, transistor e LED: dove sbaglio i calcoli?

Messaggioda Foto Utentedavidde » 21 ott 2014, 20:12

Prego,

Foto Utentemadmage non ci siamo capiti, io non ti ho detto che il LED non dovrebbe accendersi, ti ho scritto che probabilmente il transistor non è in saturazione che è una cosa diversa. E' un circuito un po' al limite sotto vari aspetti.

Se hai un tester puoi misurare la corrente nel led per vedere in pratica che corrente vi scorre, un led si accende anche con 1mA, l'intensità luminosa è più bassa che a 10mA ma è comunque acceso.
Avatar utente
Foto Utentedavidde
13,3k 4 9 12
G.Master EY
G.Master EY
 
Messaggi: 4026
Iscritto il: 2 ago 2007, 11:40
Località: Bologna

0
voti

[16] Re: LDR, transistor e LED: dove sbaglio i calcoli?

Messaggioda Foto Utenteedgar » 21 ott 2014, 23:03

madmage ha scritto:Il LED è questo http://www.robot-italy.com/it/diffused- ... -10mm.html, Vf = 3.0-3.4V (bianco).
Il transistor è un PN3904 (http://images.ihscontent.net/vipimages/ ... 9261-1.pdf)

Manca la cosa forse più importante: la LDR. Ha qualche specifica / datasheet?
Avatar utente
Foto Utenteedgar
10,0k 4 5 8
Master
Master
 
Messaggi: 5229
Iscritto il: 15 set 2012, 22:59

1
voti

[17] Re: LDR, transistor e LED: dove sbaglio i calcoli?

Messaggioda Foto UtenteJackd » 22 ott 2014, 12:54

Che ricordi che mi avete fatto tornare in mente, di quando ero ancora uno studentello svogliato...
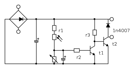
Ci ho messo un po ma alla fine l'ho ritrovato (vedi allegato).

il circuito è stato realizzato nel '95 e ha subito qualche piccolo danno, ora non so, ma quando l'ho fatto funzionava.

lo schema è questo:


Come esercizio noi si partiva sempre dall'alternata, quindi c'e' il ponte e condensatore.
In uscita, in parallelo al 1n4007 sarebbe stato da montare un rele' da cs, ma la scuola era povera quindi si usava mettere solo i cavi, e solo in collaudo si metteva il rele su morsettiera....
Il principio di per sè è evidente, il trimmer e il condensatore da 470uF servono per impostare la soglia di attivazione e evitare falsi positivi (fari di una macchina che passa).

C1 = C2 = 470uf 25V
r1= 1k
r2=r3= 5k6
trimmer= 47k
t1= bc237b
t2= 2n1711


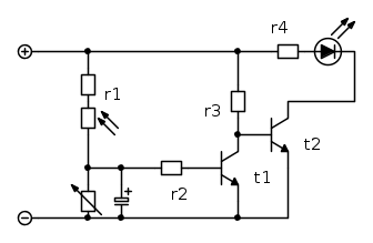
Tu non usando ac e rele, puoi semplificare e ottenere



calcolando r4 in funzine della corrente che ti serve.
Allegati
crepuscolare.jpg
Avatar utente
Foto UtenteJackd
794 4 7
Expert
Expert
 
Messaggi: 284
Iscritto il: 15 set 2014, 19:10
Località: Padova

0
voti

[18] Re: LDR, transistor e LED: dove sbaglio i calcoli?

Messaggioda Foto Utentemadmage » 22 ott 2014, 13:29

Ottimo! Grazie mille... non capisco il motivo del doppio transistor, però, puoi spiegare?
Ultima modifica di Foto Utentemarco438 il 22 ott 2014, 13:49, modificato 1 volta in totale.
Motivazione: Eliminato quoting inutile. Usa il tasto rispondi e leggi le regole del forum.
Avatar utente
Foto Utentemadmage
25 2
 
Messaggi: 12
Iscritto il: 19 ott 2014, 18:37

0
voti

[19] Re: LDR, transistor e LED: dove sbaglio i calcoli?

Messaggioda Foto Utentemadmage » 22 ott 2014, 13:31

un'altra cosa, nel partitore l'LDR non va sotto? più buio, più resistenza, più tensione => si accende il transistor, no?
Avatar utente
Foto Utentemadmage
25 2
 
Messaggi: 12
Iscritto il: 19 ott 2014, 18:37

0
voti

[20] Re: LDR, transistor e LED: dove sbaglio i calcoli?

Messaggioda Foto Utentemadmage » 22 ott 2014, 13:36

Ultima modifica di Foto Utentemarco438 il 22 ott 2014, 13:49, modificato 1 volta in totale.
Motivazione: Eliminato quoting inutile. Usa il tasto rispondi. SECONDO AVVISO
Avatar utente
Foto Utentemadmage
25 2
 
Messaggi: 12
Iscritto il: 19 ott 2014, 18:37

PrecedenteProssimo

Torna a Elettronica generale

Chi c’è in linea

Visitano il forum: Google [Bot] e 214 ospiti