quindi parli solo di controllo in scarica... desumo che in carica sei già a posto.
Comunque, SIA in carica che in scarica per essere sicuro DEVI monitorare le celle separatamente.
Quindi non ti basta leggere la tensione totale, che vuoi abbassare col partitore, ma devi leggere entrambe le due tensioni e l'allarme deve staccare se anche una sola delle due va sotto il limite.
Per il resto non vedo schema elettrico quindi non so consigliarti, io un circuito di controllo per le celle litio me lo sono costruito ma lavora soprattutto in carica (bilanciamento), in scarica fornisce solo un allarme sonoro (per ora, potrei comunque fargli comandare uno stacco dell'inverter.
Leggere valore tensione batteria Lipo
Moderatori:
carloc,
g.schgor,
BrunoValente,
IsidoroKZ
0
voti
Il mosfet da te indicato può andar bene certo ne esistono di più adatti allo scopo ma sarebbe una ricerca lunga.
La caduta di tensione che hai sul mosfet dipende dalla corrente che assorbe il tuo motore la puoi calcolare guardando i diagrammi del datasheet. (Vgs=5V)
Tieni presente che probabilmente il tuo servomotore funzionerà anche con tensioni leggermenti inferiori di quella che hai indicato.
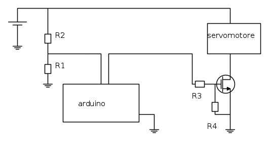
Nel forum si deve usare fidocad e io mi sono adattato, sono conscio del fatto che sembra disegnato da un bambino....
R1= 3.3 kohm
R2= 4.7 kohm
R3= 1 kohm
R4=1 Mohm
ho invertito il tuo partitore resistivo in questo modo la tensione massima non si avvicina troppo al limite massimo che arduino può gestire. Se superi i 5v rischi di danneggiarlo !
R3 serve a non mandare troppa corrente al gate del mosfet (arduino non ama dover mandare delle correnti impulsive)
R4 serve a fare in modo che nel caso in cui arduino si spenga il mosfet si apra (smetta di condurre).
Inoltre il polo negativo dell'alimentazione di arduino va collegato al polo negativo della batteria (il riferimento di massa deve essere lo stesso per tutti).
Altro consiglio quando scrivi il codice tieni presente che nel momento in cui apri il mosfet la tensione sulla tua batteria tenderà a salite un pochino perché non sta più circolando corrente.
Per evitare che il tuo controllo faccia chiudere e riaprire il mosfet in continuazione conviene introdurre un certo margine.
Vapertura= X
Vchiusura= X+margine
saluti
richiurci secondo me a patto che l'utente carichi le celle con un caricabatterie adatto non c'è bisogno di effettuare misure seprate durante la scarica. Lo sbilanciamento dopo un solo ciclo di scarica sarà minimo e comunque verrebbero ribilanciate durante la carica successiva.
La caduta di tensione che hai sul mosfet dipende dalla corrente che assorbe il tuo motore la puoi calcolare guardando i diagrammi del datasheet. (Vgs=5V)
Tieni presente che probabilmente il tuo servomotore funzionerà anche con tensioni leggermenti inferiori di quella che hai indicato.
Nel forum si deve usare fidocad e io mi sono adattato, sono conscio del fatto che sembra disegnato da un bambino....
R1= 3.3 kohm
R2= 4.7 kohm
R3= 1 kohm
R4=1 Mohm
ho invertito il tuo partitore resistivo in questo modo la tensione massima non si avvicina troppo al limite massimo che arduino può gestire. Se superi i 5v rischi di danneggiarlo !
R3 serve a non mandare troppa corrente al gate del mosfet (arduino non ama dover mandare delle correnti impulsive)
R4 serve a fare in modo che nel caso in cui arduino si spenga il mosfet si apra (smetta di condurre).
Inoltre il polo negativo dell'alimentazione di arduino va collegato al polo negativo della batteria (il riferimento di massa deve essere lo stesso per tutti).
Altro consiglio quando scrivi il codice tieni presente che nel momento in cui apri il mosfet la tensione sulla tua batteria tenderà a salite un pochino perché non sta più circolando corrente.
Per evitare che il tuo controllo faccia chiudere e riaprire il mosfet in continuazione conviene introdurre un certo margine.
Vapertura= X
Vchiusura= X+margine
saluti
0
voti
occhio ai valori delle resistenze che ti ho indicato non so se sia un bug del forum ma io ho scritto Mohm con la M maiuscola (megaohm). Ho provato a modificarlo ma continua a pubblicarmelo con la M minuscola...
0
voti
quello che dici è vero solo se il limite imposto in scarica è ben superiore al limite minimo per le celle.
Ti assicuro che anche le tensioni di celle bilanciate per le piccole e inevitabili differenze di capacità effettive divergono notevolmente se ti avvicini sia alla carica che alla scarica completa.
Poi comunque il connettore dovrebbe già rendere accessibili tutte le tensioni di cella, perché non usarle?
Ti assicuro che anche le tensioni di celle bilanciate per le piccole e inevitabili differenze di capacità effettive divergono notevolmente se ti avvicini sia alla carica che alla scarica completa.
Poi comunque il connettore dovrebbe già rendere accessibili tutte le tensioni di cella, perché non usarle?
0
voti
Sul fatto che sia semplice concordo, andrebbero monitorate separatamente se uno volesse fare le cose per bene.
Cosa estremamente semplice da fare visto che la batteria ha quel bel connettore a 3 fili pronto per essere usato.
Cosa estremamente semplice da fare visto che la batteria ha quel bel connettore a 3 fili pronto per essere usato.
0
voti
Volendole monitorare separatamente
Presumo che le 2 celle siano collegate internamente come da me indicato, ma non ne sono sicuto non avendo mai messo le mani su quella batteria. Sicuramente
richiurci sa se mi sto sbagliando o meno.
Presumo che le 2 celle siano collegate internamente come da me indicato, ma non ne sono sicuto non avendo mai messo le mani su quella batteria. Sicuramente
1
voti
@riddik89 perdona la mia estrema ignoranza
ma non ho capito bene perche' mettere R3 e R4 (e non capisco perche' quei valori)
R3 hai detto che serve a non mandare troppa corrente al gate... Ma con la resistenza non c'e' anche caduta di tensione e quindi al gate arriverebbe meno tensione? O la caduta di tensione e' solo sulla resistenza ? Perdona la mia ignoranza
R4 dici che serve quando arduino si spegne... Ma se quando arduino si spegne, di suo non da piu' tensione al gate del mosfet... Perche bisogna metterla?
Perdonami
R3 hai detto che serve a non mandare troppa corrente al gate... Ma con la resistenza non c'e' anche caduta di tensione e quindi al gate arriverebbe meno tensione? O la caduta di tensione e' solo sulla resistenza ? Perdona la mia ignoranza
R4 dici che serve quando arduino si spegne... Ma se quando arduino si spegne, di suo non da piu' tensione al gate del mosfet... Perche bisogna metterla?
Perdonami
-

Rodrigoson6
10 3 - New entry

- Messaggi: 65
- Iscritto il: 17 ott 2014, 12:34
1
voti
Le domande sono sempre lecite e benvenute.
Allora nel mosfet tra gate e source è come se vi fosse un piccolo condensatore.
Se tu prendi la tua uscita digitale di arduino e la colleghi direttamente a un condensatore all'inizio lei vede tensione zero e quindi è come se l'avessi messa in cortocircuito. Probabilmente arduino ha delle protezioni per limitare questa corrente massima ma è sempre meglio non rischiare e prendere delle precauzioni per evitare di danneggiarlo. R3 serve proprio a fare in modo che il condensatore si carichi poco alla volta (poi tu nella realtà non te ne accorgi neanche, si tratta di un tempo piccolissimo che si può facilmente calcolare ma a noi non interessa...)
Supponiamo che arduino si spenga, possono succedere 2 cose
1) hai configurato le porte di uscita di arduino, in modo che tramite i suoi resistori interni (pull down resistor) la sua uscita venga portata a zero
2) le porte di uscita di arduino non sono state configurate per portare a zero la tensione e si comportano come un circuito aperto
Nel caso 2 il condensatore del tuo mosfet rimane carico e lui continua a condurre.
Adesso cerco di spiegarti un concetto un po' più fine:
Nella realtà se non metti R4 il condensatore tra gate e source si scarica lentamente.
Questo potrebbe portare il mosfet a surriscaldarsi e a bruciardi ( ti spiegherei il motivo ma non voglio creare confusione).
Ora nel nostro caso le correnti e le tensioni sono piccole quindi anche se non metti R4 non succede niente di male ma in altri circuiti fa davvero la differenza.
R4 in sostanza fa in modo che se arduino si spegne il mosfet si apre senza troppi indugi.
Ora tu giustamente mi dici R3 fa caduta di tensione, la risposta è la fa ma è veramente pochissima.
Il condensatore tra gate e source del mosfet una volta carico smette di condurre, quindi tutta la corrente deve passare in R4
Se fai il partitore di tensione scoprirai che ai capi di R4 hai 4.995 V ! La tensione che hai su R4 è la stessa che hai tra Vgs !!
Su R3 cadono 0.005V , considerando i benefici che ho elencato ce ne possiamo anche fregare di quei 0.005V.
I valori di R3 e R4 li ho scerti in base alla mia esperienza puoi variarli tranquillamente (senza esagerare ) .
Generalmente mi metto a calcolarli ma per questa applicazione non è necessario, diciamo che bisogna calcolarli con attenzione quando hai dei mosfet che chiudono e aprono 100 000 volte al secondo!
Se proprio vuoi in questo caso non è indispensabilissimo mettere R3 e R4 però rendono il sistema più robusto e io ti consiglio caldamente di metterle.
Allora nel mosfet tra gate e source è come se vi fosse un piccolo condensatore.
Se tu prendi la tua uscita digitale di arduino e la colleghi direttamente a un condensatore all'inizio lei vede tensione zero e quindi è come se l'avessi messa in cortocircuito. Probabilmente arduino ha delle protezioni per limitare questa corrente massima ma è sempre meglio non rischiare e prendere delle precauzioni per evitare di danneggiarlo. R3 serve proprio a fare in modo che il condensatore si carichi poco alla volta (poi tu nella realtà non te ne accorgi neanche, si tratta di un tempo piccolissimo che si può facilmente calcolare ma a noi non interessa...)
Supponiamo che arduino si spenga, possono succedere 2 cose
1) hai configurato le porte di uscita di arduino, in modo che tramite i suoi resistori interni (pull down resistor) la sua uscita venga portata a zero
2) le porte di uscita di arduino non sono state configurate per portare a zero la tensione e si comportano come un circuito aperto
Nel caso 2 il condensatore del tuo mosfet rimane carico e lui continua a condurre.
Adesso cerco di spiegarti un concetto un po' più fine:
Nella realtà se non metti R4 il condensatore tra gate e source si scarica lentamente.
Questo potrebbe portare il mosfet a surriscaldarsi e a bruciardi ( ti spiegherei il motivo ma non voglio creare confusione).
Ora nel nostro caso le correnti e le tensioni sono piccole quindi anche se non metti R4 non succede niente di male ma in altri circuiti fa davvero la differenza.
R4 in sostanza fa in modo che se arduino si spegne il mosfet si apre senza troppi indugi.
Ora tu giustamente mi dici R3 fa caduta di tensione, la risposta è la fa ma è veramente pochissima.
Il condensatore tra gate e source del mosfet una volta carico smette di condurre, quindi tutta la corrente deve passare in R4
Se fai il partitore di tensione scoprirai che ai capi di R4 hai 4.995 V ! La tensione che hai su R4 è la stessa che hai tra Vgs !!
Su R3 cadono 0.005V , considerando i benefici che ho elencato ce ne possiamo anche fregare di quei 0.005V.
I valori di R3 e R4 li ho scerti in base alla mia esperienza puoi variarli tranquillamente (senza esagerare ) .
Generalmente mi metto a calcolarli ma per questa applicazione non è necessario, diciamo che bisogna calcolarli con attenzione quando hai dei mosfet che chiudono e aprono 100 000 volte al secondo!
Se proprio vuoi in questo caso non è indispensabilissimo mettere R3 e R4 però rendono il sistema più robusto e io ti consiglio caldamente di metterle.
-1
voti
Non sono un grande esperto aggiungo solo qualcosa.
La R3 in molti casi è necessaria per evitare istabilità (autooscillazioni). A volte, ma per applicazioni di potenza, è necessario usare un driver che carichi in fretta la capacità di gate del finale, per evitare surriscaldamenti.
In quei casi (ma forse anche in questo) si deve valutare un abbassamento di R3 e R4 per avere accensione e spegnimento del FET rapide.
Riguardo i FET, nel sito RS online c'è una funzione di ricerca potente, per trovare FET con prestazioni migliori e magari pure più economici.
Il mio circuito BMS lo trovate qui:
viewtopic.php?t=44004
la ricerca dei componenti era stata abbastanza laboriosa... magari qualcosa può servirvi!
La R3 in molti casi è necessaria per evitare istabilità (autooscillazioni). A volte, ma per applicazioni di potenza, è necessario usare un driver che carichi in fretta la capacità di gate del finale, per evitare surriscaldamenti.
In quei casi (ma forse anche in questo) si deve valutare un abbassamento di R3 e R4 per avere accensione e spegnimento del FET rapide.
Riguardo i FET, nel sito RS online c'è una funzione di ricerca potente, per trovare FET con prestazioni migliori e magari pure più economici.
Il mio circuito BMS lo trovate qui:
viewtopic.php?t=44004
la ricerca dei componenti era stata abbastanza laboriosa... magari qualcosa può servirvi!
0
voti
Non uccidiamolo nominado i driver...
Rs ti chiede anche la bellezza di 9 euro di spedizione! Io di solito guardo cosa trovo su ebay oppure se sono disposto ad aspettare un mesetto su aliexpress.
Rs ti chiede anche la bellezza di 9 euro di spedizione! Io di solito guardo cosa trovo su ebay oppure se sono disposto ad aspettare un mesetto su aliexpress.
Chi c’è in linea
Visitano il forum: Nessuno e 521 ospiti

Elettrotecnica e non solo (admin)
Un gatto tra gli elettroni (IsidoroKZ)
Esperienza e simulazioni (g.schgor)
Moleskine di un idraulico (RenzoDF)
Il Blog di ElectroYou (webmaster)
Idee microcontrollate (TardoFreak)
PICcoli grandi PICMicro (Paolino)
Il blog elettrico di carloc (carloc)
DirtEYblooog (dirtydeeds)
Di tutto... un po' (jordan20)
AK47 (lillo)
Esperienze elettroniche (marco438)
Telecomunicazioni musicali (clavicordo)
Automazione ed Elettronica (gustavo)
Direttive per la sicurezza (ErnestoCappelletti)
EYnfo dall'Alaska (mir)
Apriamo il quadro! (attilio)
H7-25 (asdf)
Passione Elettrica (massimob)
Elettroni a spasso (guidob)
Bloguerra (guerra)




