Alla prossima inosservanza, il thread verra' chiuso.
LDR, transistor e LED: dove sbaglio i calcoli?
Moderatori:
carloc,
g.schgor,
BrunoValente,
IsidoroKZ
30 messaggi
• Pagina 3 di 3 • 1, 2, 3
1
voti
Alla prossima inosservanza, il thread verra' chiuso.
marco
0
voti
madmage ha scritto:Il problema è proprio questo: lo sto usando in pratica e, nonostante in simulazione non dovrebbe accendersi, il LED brilla felicemente nel buio.
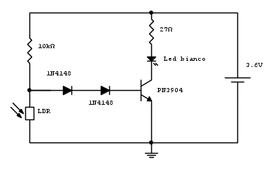
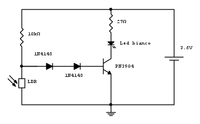
Se il circuito è questo è normale.
Dal datasheet della LDR si può vedere che la resistenza a 100 lux di illuminazione è di 5 kohm. In pratica ti ritrovi 1/3 della tensione di alimentazione al centro del partitore. Con 1/3 di 3.6V hai 1.2 V che sono sufficienti a portare in conduzione il transistor.
Devi aumentare R2 per far si che il transistor si interdica
Ultima modifica di
admin il 24 ott 2014, 13:01, modificato 2 volte in totale.
Motivazione: codifica caratteri unità di misura
Motivazione: codifica caratteri unità di misura
0
voti
Allora non sto capendo io:
Mi sembra che il circuito stia funzionando come dovrebbe, al buio il led si accende. Cosa non ho afferrato?
madmage ha scritto:Buongiorno a tutti, ho costruito il circuito in figura qui sotto, per un LED che si accende quando fa buio (verrà messo in una lampada all'esterno)...
...Il problema è proprio questo: lo sto usando in pratica e, nonostante in simulazione (e anche secondo i tuoi calcoli) non dovrebbe accendersi, il LED brilla felicemente nel buio.
Mi sembra che il circuito stia funzionando come dovrebbe, al buio il led si accende. Cosa non ho afferrato?
0
voti
davidde ha scritto:Mi sembra che il circuito stia funzionando come dovrebbe, al buio il LED si accende. Cosa non ho afferrato?
Mi sono spiegato male fin dall'inzio: i problemi sono due:
1) vorrei si accendesse con PIU' buio di adesso;
2) dai calcoli che mi ero fatto il LED non avrebbe dovuto accendersi proprio e quindi ero interessato a sapere dove sbagliavo i calcoli (da quanto sto capendo, invece, il fatto che il LED si accenda con meno di 2 mA non è fatto strano)
3
voti
madmage ha scritto:... il fatto che il LED si accenda con meno di 2 mA non è fatto strano
No, e normale.
madmage ha scritto:vorrei si accendesse con PIU' buio di adesso;
Io proverei così:
I diodi in serie alla base servono per spostare verso l'alto (più buio) la soglia di conduzione del transistor. Puoi metterne da uno a tre a seconda del grado di oscurità che ti serve.
Ho indicato gli 1N4148 ma va bene qualsiasi altro tipo di diodo (1N4004 o 1N4007 etc.)
Hai un tester?
4
voti
Riporto il circuito originale:
R3 non decide a quanto buio accendere il LED, se mai lo fanno il partitore R2-LDR1 e la tensione di soglia di conduzione del transistor (0,6 V circa).
R3 rende più graduale l'accensione del LED, ma ci sarebbero modi migliori per ottenere questa gradualità (LED sull'emettitore del transistor, per esempio; ma poi 3,6 V di alimentazione non basterebbero più).
In più R3 riduce troppo la corrente di base, per cui il LED non raggiungerà la massima luminosità.
In conclusione, R3 è dannosa e va eliminata.
Il circuito è anche un po' critico per la pretesa di accendere un LED bianco con soli 3,6 V. Sarebbe molto meglio avere almeno 5 V di alimentazione.
Altro problema: sarebbe opportuno aumentare R2 per far accendere il LED quando è più buio. Così facendo, però, si riduce troppo la corrente di base del transistor. Per risolvere quest'ultimo problema si può aggiungere un ulteriore transistor per disaccoppiare il partitore dal pilotaggio del LED. In più, sfruttando le soglie di conduzione di entrambi i transistor e un ulteriore partitore (formato dalle due resistenze da 1 kΩ), si riesce ad alzare la soglia di intervento a 1,8 V, cioè la metà della tensione di alimentazione, che è il livello ottimale.
In conclusione io proporrei un circuito così:
La resistenza da 82 kΩ in parallelo alla fotoresistenza consente di "linearizzarne" il comportamento in un tratto intorno agli 82 kΩ, dove la regolazione sarà così più precisa.
Inoltre permette di comprimerne l'escursione di resistenza. Mediante il trimmer da 47 kΩ si riesce infatti a regolare il livello di intervento del circuito in un intervallo esteso di resistenza del sensore: da circa 30 kΩ a 430 kΩ.
madmage ha scritto:L'aggiunta della resistenza R3 l'ho trovata su un forum, in cui diceva che serve per decidere a quanto buio iniziare ad accendere il LED.
R3 non decide a quanto buio accendere il LED, se mai lo fanno il partitore R2-LDR1 e la tensione di soglia di conduzione del transistor (0,6 V circa).
R3 rende più graduale l'accensione del LED, ma ci sarebbero modi migliori per ottenere questa gradualità (LED sull'emettitore del transistor, per esempio; ma poi 3,6 V di alimentazione non basterebbero più).
In più R3 riduce troppo la corrente di base, per cui il LED non raggiungerà la massima luminosità.
In conclusione, R3 è dannosa e va eliminata.
Il circuito è anche un po' critico per la pretesa di accendere un LED bianco con soli 3,6 V. Sarebbe molto meglio avere almeno 5 V di alimentazione.
Altro problema: sarebbe opportuno aumentare R2 per far accendere il LED quando è più buio. Così facendo, però, si riduce troppo la corrente di base del transistor. Per risolvere quest'ultimo problema si può aggiungere un ulteriore transistor per disaccoppiare il partitore dal pilotaggio del LED. In più, sfruttando le soglie di conduzione di entrambi i transistor e un ulteriore partitore (formato dalle due resistenze da 1 kΩ), si riesce ad alzare la soglia di intervento a 1,8 V, cioè la metà della tensione di alimentazione, che è il livello ottimale.
In conclusione io proporrei un circuito così:
La resistenza da 82 kΩ in parallelo alla fotoresistenza consente di "linearizzarne" il comportamento in un tratto intorno agli 82 kΩ, dove la regolazione sarà così più precisa.
Inoltre permette di comprimerne l'escursione di resistenza. Mediante il trimmer da 47 kΩ si riesce infatti a regolare il livello di intervento del circuito in un intervallo esteso di resistenza del sensore: da circa 30 kΩ a 430 kΩ.
Big fan of ⋮ƎlectroYou! Ausili per disabili e anziani su ⋮ƎlectroYou
Caratteri utili: À È É Ì Ò Ó Ù α β γ δ ε η θ λ μ π ρ σ τ φ ω Ω º ª ² ³ √ ∛ ∜ ₀ ₁ ₂ ₃ ₄ ₅ ₆ ∃ ∄ ∆ ∈ ∉ ± ∓ ∾ ≃ ≈ ≠ ≤ ≥
Caratteri utili: À È É Ì Ò Ó Ù α β γ δ ε η θ λ μ π ρ σ τ φ ω Ω º ª ² ³ √ ∛ ∜ ₀ ₁ ₂ ₃ ₄ ₅ ₆ ∃ ∄ ∆ ∈ ∉ ± ∓ ∾ ≃ ≈ ≠ ≤ ≥
0
voti
Grazie
GuidoB per la tua preziosa risposta. Purtroppo ho dovuto aspettare il fine settimana per poter fare un po' di prove. Intanto, ho provato che il LED si accende anche con basse correnti, ma chiaramente si accende molto di più facendo passare più corrente. Il tuo circuito mi è molto chiaro e infatti, soprattutto l'inserimento del doppio transistor migliora la luminosità del LED, poiché, come hai notato, c'era poca corrente nella base.
In particolare, l'LDR si comporta in maniera un po' diversa da come mi aspettavo, nel senso che, volendo io che si accenda quando fa *molto* buio (cioè dopo il tramonto), la sua resistenza arriva evidentemente ad alcune centinaia diK Ohm kohm. Ho dovuto mettere nel partitore una resistenza da 330 K Ohm kohm per avere un effetto simile a quanto volevo, purtroppo in questo modo non posso mettere un trimmer, perché ne ho solo da 1K k e da 10K k, ma non da 100K k.
L'unica cosa che mi sfugge, invece, è la resistenza in parallelo all'LDR. Non capisco: a) come fa a "linearizzare" (hai qualche riferimento per questo modo di utilizzare le resistenze?) e b) se non ho capito male dal comportamento che ho visto facendo il circuito come mi hai consigliato, è più lineare (o forse solo più "orizzontale") la risposta dell'LDR e quindi è meno "netta", come conseguenza, l'accensione del LED. Se ho capito bene, però, non è quello che volevo io (ora ho rimosso quella resistenza): a me serve un comportamento più "netto".
Per quanto riguarda la soluzione data da
davidde: sebbene i due (o più) diodi in serie ottengono come conseguenza quella di abbassare la tensione sulla base, preferisco (mi sembra più "adatto") giocare sui valori del partitore per ottenere lo stesso risultato.
In particolare, l'LDR si comporta in maniera un po' diversa da come mi aspettavo, nel senso che, volendo io che si accenda quando fa *molto* buio (cioè dopo il tramonto), la sua resistenza arriva evidentemente ad alcune centinaia di
L'unica cosa che mi sfugge, invece, è la resistenza in parallelo all'LDR. Non capisco: a) come fa a "linearizzare" (hai qualche riferimento per questo modo di utilizzare le resistenze?) e b) se non ho capito male dal comportamento che ho visto facendo il circuito come mi hai consigliato, è più lineare (o forse solo più "orizzontale") la risposta dell'LDR e quindi è meno "netta", come conseguenza, l'accensione del LED. Se ho capito bene, però, non è quello che volevo io (ora ho rimosso quella resistenza): a me serve un comportamento più "netto".
Per quanto riguarda la soluzione data da
Ultima modifica di
admin il 27 ott 2014, 19:15, modificato 2 volte in totale.
Motivazione: unità di misura: K è kelvin; k è kilo; ohm minuscolo
Motivazione: unità di misura: K è kelvin; k è kilo; ohm minuscolo
4
voti
Ciao
madmage, sono contento che tu sia riuscito ad ottenere un circuito che fa quello che volevi.
Non ho riferimenti, ma cerco di spiegarlo a modo mio.
Se misuri la resistenza di una LDR in condizioni di illuminamento calante (o oscurità crescente che dir si voglia), ti accorgi che dapprima la resistenza aumenta lentamente, e poi sempre più velocemente man mano che la "sensazione di oscurità" aumenta.
Ho scritto "sensazione di oscurità" proprio per evidenziare che intendo il livello di oscurità percepita dall'occhio umano.
L'occhio umano infatti non ha una percezione lineare dell'illuminamento, ma logaritmica. Non percepisce i lux, ma il logaritmo dei lux.
Proviamo a disegnare un partitore senza la resistenza di linearizzazione:
Supponiamo che la soglia di commutazione del successivo stadio di comparazione sia pari alla metà della tensione di alimentazione.
Vogliamo regolare la commutazione mediante il trimmer in un ampio intervallo di valori resistivi della fotoresistenza: da 30 kΩ a 430 kΩ.
Quali dovranno essere i valori della resistenza di limitazione Lim e del Trimmer?
Affinché Vout sia pari alla metà della tensione di alimentazione, dovrà essere:

Imponendo
e
, si ottiene:
.
Imponendo
e
, si ottiene:
.
Sostituiamo nell'equazione (1) i valori numerici appena trovati e otteniamo:

dove
indica la posizione del trimmer (da 0 per trimmer cortocircuitato a 1 per trimmer regolato alla massima resistenza).
Vediamo il grafico di questa funzione. La scala delle ordinate è logaritmica, per tener conto della curva di sensibilità alla luce dell'occhio umano:
(grafico da WolframAlpha con note mie)
Si vede che la relazione tra la posizione del trimmer e la sensazione di oscurità è fortemente non lineare: all'inizio della corsa la regolazione del trimmer è molto grossolana (pendenza della curva maggiore), mentre al termine è più fine.
Aggiungiamo adesso una resistenza di linearizzazione Lineariz in parallelo all'LDR:
Ora l'equazione che impone l'uscita del partitore a metà della tensione di alimentazione è:

Imponiamo
, che è il valore dell'LDR intorno al quale vogliamo che la regolazione sia la più lineare possibile.
Vogliamo, come prima, che l'intervallo di regolazione corrisponda a una
compresa fra 30 kΩ e 430 kΩ.
Con questi dati e qualche semplice calcolo di serie e paralleli di resistenze, otteniamo:

e

(...toh...
).
Risolviamo l'equazione (2) rispetto a
e otteniamo:

Sostituiamo nella (3) i valori numerici e otteniamo:

dove
indica la posizione del trimmer (da 0 per trimmer cortocircuitato a 1 per trimmer regolato alla massima resistenza).
E adesso vediamo il grafico della (4):
(Grafico da WolframAlpha con note mie)
Si vede che assomiglia molto di più a una retta, e la regolazione del trimmer sarà molto più proporzionale alla sensazione di "oscurità".
Ho aggiunto (a mano) una retta di color rosso per evidenziare quanto il grafico della funzione le si avvicina.
Solo verso la fine dell'intervallo la regolazione diventa lievemente più grossolana (pendenza maggiore).
Come mai con una resistenza in parallelo alla fotoresistenza, il partitore ha una risposta molto più lineare?
Tracciando il grafico della funzione con la scala delle ordinate lineare (incorporando il logaritmo alla funzione) vediamo che c'è un flesso (indicato sul grafico da un puntino rosso):
(Grafico da WolframAlpha con note mie)
Sappiamo che intorno a un flesso una funzione è ben approssimata da una retta, e questo spiega il perché della linearizzazione del grafico.
Possiamo notare che l'ordinata del flesso corrisponde a
, lo stesso valore di
. Intorno a quel valore si raggiunge la migliore approssimazione della linearità.
Sì, la risposta è più lineare. Inoltre, specie per valori alti della fotoresistenza, la risposta è meno rapida.
Per ottenere più decisione nella commutazione si potrebbe ricorrere a un comparatore integrato (che ha alto guadagno), e/o utilizzare un trigger di Schmitt.
Se non ti serve regolare la soglia di commutazione puoi inserire una resistenza fissa, come hai fatto.
Inserire la resistenza di linearizzazione ha senso solo se si intende regolare la soglia con un trimmer.
Attenzione a non salire troppo con la resistenza, perché la corrente di base del primo transistor non sarebbe più trascurabile rispetto a quella che scorre nel partitore. Inoltre questa corrente di base potrebbe risultare insufficiente per pilotare il resto del circuito. Molto dipende dal guadagno del primo transistor.

madmage ha scritto:L'unica cosa che mi sfugge, invece, è la resistenza in parallelo all'LDR. Non capisco: a) come fa a "linearizzare" (hai qualche riferimento per questo modo di utilizzare le resistenze?)
Non ho riferimenti, ma cerco di spiegarlo a modo mio.
Se misuri la resistenza di una LDR in condizioni di illuminamento calante (o oscurità crescente che dir si voglia), ti accorgi che dapprima la resistenza aumenta lentamente, e poi sempre più velocemente man mano che la "sensazione di oscurità" aumenta.
Ho scritto "sensazione di oscurità" proprio per evidenziare che intendo il livello di oscurità percepita dall'occhio umano.
L'occhio umano infatti non ha una percezione lineare dell'illuminamento, ma logaritmica. Non percepisce i lux, ma il logaritmo dei lux.
Proviamo a disegnare un partitore senza la resistenza di linearizzazione:
Supponiamo che la soglia di commutazione del successivo stadio di comparazione sia pari alla metà della tensione di alimentazione.
Vogliamo regolare la commutazione mediante il trimmer in un ampio intervallo di valori resistivi della fotoresistenza: da 30 kΩ a 430 kΩ.
Quali dovranno essere i valori della resistenza di limitazione Lim e del Trimmer?
Affinché Vout sia pari alla metà della tensione di alimentazione, dovrà essere:

Imponendo
e
, si ottiene:
.Imponendo
e
, si ottiene:
.Sostituiamo nell'equazione (1) i valori numerici appena trovati e otteniamo:

dove
indica la posizione del trimmer (da 0 per trimmer cortocircuitato a 1 per trimmer regolato alla massima resistenza).Vediamo il grafico di questa funzione. La scala delle ordinate è logaritmica, per tener conto della curva di sensibilità alla luce dell'occhio umano:
(grafico da WolframAlpha con note mie)
Si vede che la relazione tra la posizione del trimmer e la sensazione di oscurità è fortemente non lineare: all'inizio della corsa la regolazione del trimmer è molto grossolana (pendenza della curva maggiore), mentre al termine è più fine.
Aggiungiamo adesso una resistenza di linearizzazione Lineariz in parallelo all'LDR:
Ora l'equazione che impone l'uscita del partitore a metà della tensione di alimentazione è:

Imponiamo
, che è il valore dell'LDR intorno al quale vogliamo che la regolazione sia la più lineare possibile.Vogliamo, come prima, che l'intervallo di regolazione corrisponda a una
compresa fra 30 kΩ e 430 kΩ.Con questi dati e qualche semplice calcolo di serie e paralleli di resistenze, otteniamo:

e

(...toh...
Risolviamo l'equazione (2) rispetto a
e otteniamo:
Sostituiamo nella (3) i valori numerici e otteniamo:

dove
indica la posizione del trimmer (da 0 per trimmer cortocircuitato a 1 per trimmer regolato alla massima resistenza).E adesso vediamo il grafico della (4):
(Grafico da WolframAlpha con note mie)
Si vede che assomiglia molto di più a una retta, e la regolazione del trimmer sarà molto più proporzionale alla sensazione di "oscurità".
Ho aggiunto (a mano) una retta di color rosso per evidenziare quanto il grafico della funzione le si avvicina.
Solo verso la fine dell'intervallo la regolazione diventa lievemente più grossolana (pendenza maggiore).
Come mai con una resistenza in parallelo alla fotoresistenza, il partitore ha una risposta molto più lineare?
Tracciando il grafico della funzione con la scala delle ordinate lineare (incorporando il logaritmo alla funzione) vediamo che c'è un flesso (indicato sul grafico da un puntino rosso):
(Grafico da WolframAlpha con note mie)
Sappiamo che intorno a un flesso una funzione è ben approssimata da una retta, e questo spiega il perché della linearizzazione del grafico.
Possiamo notare che l'ordinata del flesso corrisponde a
, lo stesso valore di
. Intorno a quel valore si raggiunge la migliore approssimazione della linearità.madmage ha scritto:b) se non ho capito male dal comportamento che ho visto facendo il circuito come mi hai consigliato, è più lineare (o forse solo più "orizzontale") la risposta dell'LDR e quindi è meno "netta", come conseguenza, l'accensione del LED. Se ho capito bene, però, non è quello che volevo io (ora ho rimosso quella resistenza): a me serve un comportamento più "netto".
Sì, la risposta è più lineare. Inoltre, specie per valori alti della fotoresistenza, la risposta è meno rapida.
Per ottenere più decisione nella commutazione si potrebbe ricorrere a un comparatore integrato (che ha alto guadagno), e/o utilizzare un trigger di Schmitt.
Se non ti serve regolare la soglia di commutazione puoi inserire una resistenza fissa, come hai fatto.
Inserire la resistenza di linearizzazione ha senso solo se si intende regolare la soglia con un trimmer.
Attenzione a non salire troppo con la resistenza, perché la corrente di base del primo transistor non sarebbe più trascurabile rispetto a quella che scorre nel partitore. Inoltre questa corrente di base potrebbe risultare insufficiente per pilotare il resto del circuito. Molto dipende dal guadagno del primo transistor.

Big fan of ⋮ƎlectroYou! Ausili per disabili e anziani su ⋮ƎlectroYou
Caratteri utili: À È É Ì Ò Ó Ù α β γ δ ε η θ λ μ π ρ σ τ φ ω Ω º ª ² ³ √ ∛ ∜ ₀ ₁ ₂ ₃ ₄ ₅ ₆ ∃ ∄ ∆ ∈ ∉ ± ∓ ∾ ≃ ≈ ≠ ≤ ≥
Caratteri utili: À È É Ì Ò Ó Ù α β γ δ ε η θ λ μ π ρ σ τ φ ω Ω º ª ² ³ √ ∛ ∜ ₀ ₁ ₂ ₃ ₄ ₅ ₆ ∃ ∄ ∆ ∈ ∉ ± ∓ ∾ ≃ ≈ ≠ ≤ ≥
1
voti
Grazie ancora,
GuidoB, la tua risposta è stata utilissima, non credo mi serva per questo circuito in particolare, ma è una conoscenza che mi tornerà utile sicuramente in futuro.
E grazie anche perché non conoscevo WolframAlpha (ma solo la community e il forum di Wolfram): è utilissimo.
E grazie anche perché non conoscevo WolframAlpha (ma solo la community e il forum di Wolfram): è utilissimo.
30 messaggi
• Pagina 3 di 3 • 1, 2, 3
Chi c’è in linea
Visitano il forum: Nessuno e 188 ospiti

Elettrotecnica e non solo (admin)
Un gatto tra gli elettroni (IsidoroKZ)
Esperienza e simulazioni (g.schgor)
Moleskine di un idraulico (RenzoDF)
Il Blog di ElectroYou (webmaster)
Idee microcontrollate (TardoFreak)
PICcoli grandi PICMicro (Paolino)
Il blog elettrico di carloc (carloc)
DirtEYblooog (dirtydeeds)
Di tutto... un po' (jordan20)
AK47 (lillo)
Esperienze elettroniche (marco438)
Telecomunicazioni musicali (clavicordo)
Automazione ed Elettronica (gustavo)
Direttive per la sicurezza (ErnestoCappelletti)
EYnfo dall'Alaska (mir)
Apriamo il quadro! (attilio)
H7-25 (asdf)
Passione Elettrica (massimob)
Elettroni a spasso (guidob)
Bloguerra (guerra)















